
CY7C1516JV18, CY7C1527JV18
CY7C1518JV18, CY7C1520JV18
Document Number: 001-12559 Rev. *D Page 8 of 26
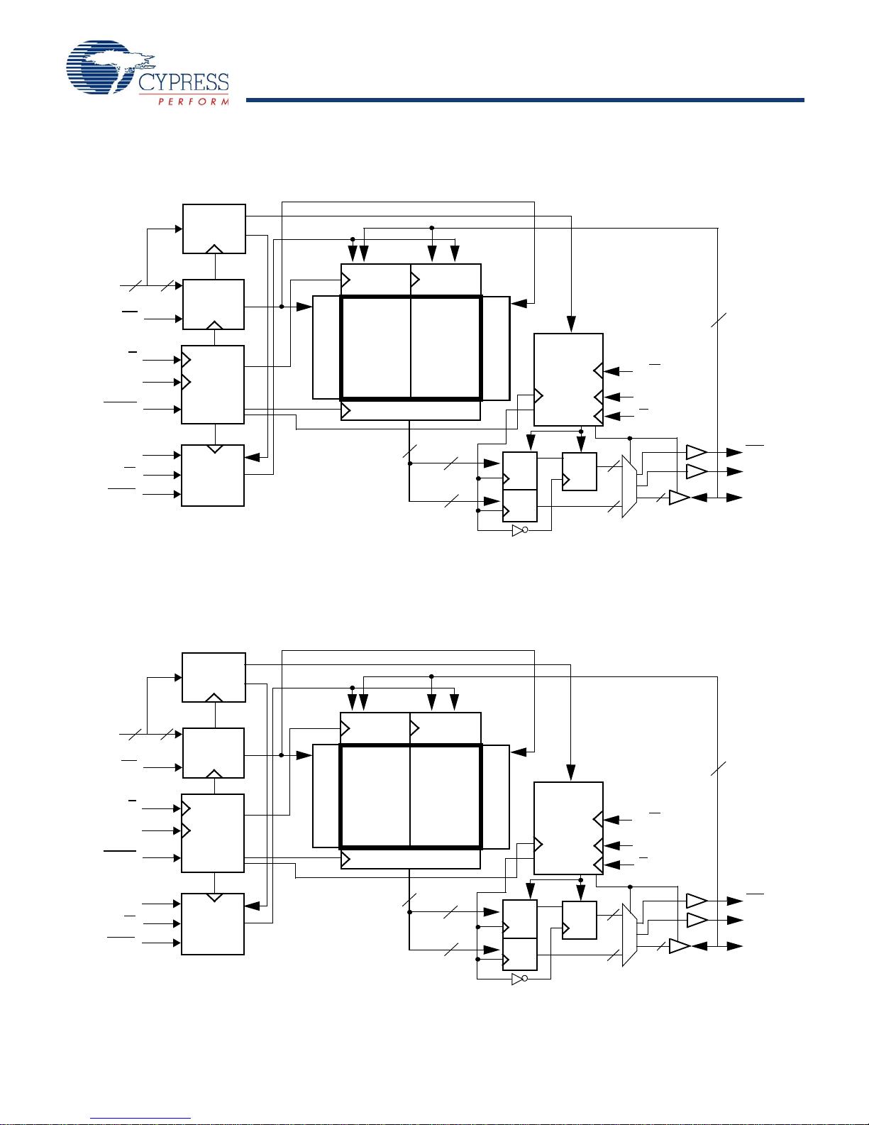
Functional Overview
The CY7C1516JV18, CY7C1527JV18, CY7C1518JV18, and
CY7C1520JV18 are synchronous pipelined Burst SRAMs
equipped with a DDR interface, which operates with a read
latency of one and a half cycles when DOFF pin is tied HIGH.
When DOFF pin is set LOW or connected to VSS the device
behaves in DDR-I mode with a read latency of one clock cycle.
Accesses are initiated on the rising edge of the positive input
clock (K). All synchronous input timing is referenced from the
rising edge of the input clocks (K and K) and all output timing is
referenced to the rising edge of the output clocks (C/C, or K/K
when in single clock mode).
All synchronous data inputs (D[x:0]) pass through input registers
controlled by the rising edge of the input clocks (K and K). All
synchronous data outputs (Q[x:0]) pass through output registers
controlled by the rising edge of the output clocks (C/C, or K/K
when in single clock mode).
All synchronous control (R/W, LD, BWS[0:X]) inputs pass through
inputregisterscontrolledbytherisingedge ofthe inputclock(K).
CY7C1518JV18 isdescribedinthefollowingsections.Thesame
basic descriptions apply to CY7C1516JV18, CY7C1527JV18,
and CY7C1520JV18.
Read Operations
The CY7C1518JV18 is organized internally as a single array of
4Mx18. Accessesarecompleted inaburst of2 sequential 18-bit
data words. Read operations are initiated by asserting R/W
HIGH and LD LOW at the rising edge of the positive input clock
(K). The address presented to address inputs is stored in the
read address register and the least significant bit of the address
is presented to the burst counter. The burst counter increments
the address in a linear fashion. Following the next K clock rise,
the corresponding 18-bit word of data from this address location
is driven onto the Q[17:0] using C as the output timing reference.
On the subsequent rising edge of C the next 18-bit data word
from the address location generated by the burst counter is
driven onto the Q[17:0]. The requested data is valid 0.45 ns from
the rising edge of the output clock (C or C, or K and K when in
single clock mode, 200 MHz, 250 MHz, and 300 MHz device). To
maintain the internal logic, each read access must be allowed to
complete. Read accesses can be initiated on every rising edge
of the positive input clock (K).
When read access is deselected, the CY7C1518JV18 first
completes the pending read transactions. Synchronous internal
circuitry automatically tri-states the output following the next
rising edge of the positive output clock (C). This enables for a
transition between devices without the insertion of wait states in
a depth expanded memory.
Write Operations
Write operations are initiated by asserting R/W LOW and LD
LOW at the rising edge of the positive input clock (K). The
address presented to address inputs is stored in the write
address register and the least significant bit of the address is
presented to the burst counter. The burst counter increments the
addressina linearfashion.On thefollowingK clockrise,the data
presented to D[17:0] is latched and stored into the 18-bit write
data register, provided BWS[1:0] are both asserted active. On the
subsequent rising edge of the Negative Input Clock (K) the infor-
mation presented to D[17:0] is also stored into the write data
register, provided BWS[1:0] are both asserted active. The 36 bits
of data are then written into the memory array at the specified
location. Write accesses can be initiated on every rising edge of
the positive input clock (K). Doing so pipelines the data flow such
that 18 bits of data can be transferred into the device on every
rising edge of the input clocks (K and K).
When the write access is deselected, the device ignores all
inputs after the pending write operations have been completed.
Byte Write Operations
Byte write operations are supported by the CY7C1518JV18. A
write operation is initiated as described in the Write Operations
section. The bytes that are written are determined by BWS0and
BWS1, which are sampled with each set of 18-bit data words.
Asserting the byte write select input during the data portion of a
write latches the data being presented and writes it into the
device. Deasserting the byte write select input during the data
portion of a write enables the data stored in the device for that
byte to remain unaltered. This feature can be used to simplify
read, modify, or write operations to a byte write operation.
Single Clock Mode
The CY7C1518JV18 can be used with a single clock that
controls both the input and output registers. In this mode, the
device recognizes only a single pair of input clocks (K and K)that
control both the input and output registers. This operation is
identical to the operation if the device had zero skew between
the K/K and C/C clocks. All timing parameters remain the same
in this mode. To use this mode of operation, the user must tie C
and C HIGH at power on. This function is a strap option and not
alterable during device operation.
DDR Operation
The CY7C1518JV18 enables high-performance operation
throughhighclock frequencies(achievedthrough pipelining)and
DDR mode of operation. The CY7C1518JV18 requires a single
No Operation (NOP) cycle during transition from a read to a write
cycle. At higher frequencies, some applications may require a
second NOP cycle to avoid contention.
If a read occurs after a write cycle, address and data for the write
are stored in registers. The write information must be stored
because the SRAM cannot perform the last word write to the
array without conflicting with the read. The data stays in this
register until the next write cycle occurs. On the first write cycle
after the read(s), the stored data from the earlier write is written
into the SRAM array. This is called a posted write.
If a read is performed on the same address on which a write is
performed in the previous cycle, the SRAM reads out the most
current data. The SRAM does this by bypassing the memory
array and reading the data from the registers.
[+] Feedback