
TURN ON MAIN BURNER
Follow instructions provided by appliance manufac-
turer or turn up thermostat to call for heat.
CHECK AND ADJUST GAS INPUT TO MAIN BURNER
1.
2.
3.
Do not exceed input rating stamped on appli-
ance nameplate, or manufacturer’s recom-
mended burner orifice pressure for size
orifice(s) used. Make certain primary air supply
to main burner is properly adjusted for complete
combustion. Follow appliance manufacturer’s
instructions.
IF CHECKING GAS INPUT BY CLOCKING
GAS METER: Make certain there is no gas flow
through the meter other than to the appliance
being checked. Other appliances must remain
off with their pilots extinguished (or their con-
sumption must be deducted from the meter
reading). Convert flow rate to Btuh as described
in Form 70-2602. Gas Controls Handbook, and
compare to the Btuh input rating on appliance
nameplate.
IF CHECKING GAS INPUT WITH MANOME-
TER: Make certain gas control is in PILOT posi-
tion before removing outlet pressure tap plug to
connect manometer (pressure gauge). Also turn
gas control knob back to PILOT when removing
gauge and replacing plug. Before removing inlet
pressure tap plug, shut off gas supply at the
manual valve in the gas piping to the appliance
or, for LP, at the tank. Also shut off gas supply
before disconnecting manometer and replacing
plug. Repeat Gas Leak Test at plug with main
burner operating.
Standard Pressure Regulator
1. Check the manifold pressure listed on the appliance
nameplate. Gas control outlet pressure should match the
nameplate.
2. With main burner operating, check gas control flow
rate using the meter clocking method or pressure using a
manometer connected to the outlet pressure tap on the
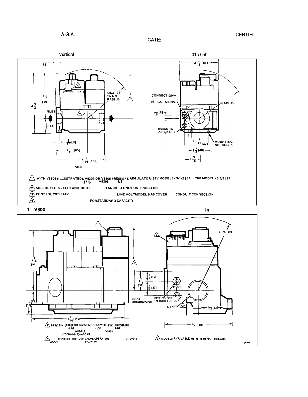
gas control. Refer to Figs. 6 and 7.
3. If necessary, adjust pressure regulator to match
appliance rating. Refer to Table 9 for factory set nominal
outlet pressure and adjustment range.
a. Remove pressure regulator adjustment cap and
screw.
b. Using screwdriver, turn inner adjustment
screw clockwise
n
to increase or
counterclockwise
n
to decrease gas pressure
{-
toburner.
c. Always replace cap screw and tighten firmly to
ensure proper operation.
4. If desired outlet pressure or flow rate cannot be
achieved by adjusting the control, check the control inlet
pressure using a manometer at the inlet pressure tap. If
inlet pressure is in normal range (refer to Table 9), re-
place the control, Otherwise, take the necessary steps to
provide proper gas pressure on the control.
Step-Opening Pressure Regulator
1.
Check the full rate manifold pressure listed on the
appliance nameplate. Gas
mntrol
full rate outlet pressure
should match this rating.
2. With main burner operating, check the control flow
rate using the meter clocking method or pressure using a
manometer connected to outlet pressure tap on the con-
trol. Refer to Figs. 6 and 7.
3. If necessary, adjust pressure regulator to match
appliance rating. Refer to Table 9 for factory set nominal
outlet pressure and adjustment range.
a. Remove pressure regulator adjustment cap
screw.
b. Using screwdriver, turn inner adjustment screw
clockwise
qto
increase or counterclockwise
m
to decrease gas pressure to burner.
c. Always replace cap screw and tighten firmly to
ensure proper operation.
4. If desired outlet pressure or flow rate cannot be
achieved by adjusting the control, check the inlet pres-
sure using a manometer at inlet pressure tap or upstream
of the gas control. If inlet pressure is in the normal range
(refer to Table 9), replace the existing control. Otherwise,
take the necessary steps to provide proper gas pressure
to the control.
5. Carefully check burner
Iightoff
at step pressure.
Make sure burner lights smoothly and without flashback
to orifice. Make sure all ports remain lit. Cycle burner
several times, allowing at least 30 seconds between
cycles for regulator to resume step function. Repeat after
allowing burner to cool. Readjust full rate outlet pressure
if necessary to improve
Iightoff
characteristics.
TABLE 9—PRESSURE REGUIATOR SPECIFICATION PRESSURES IN in. WC.
II
OUTLET PRESSURE
NOMINAL
SETTING
TYPE
NOMINAL INLET FACTORY SEITING RANGE
MODEL OF GAS PRESSURE RANGE
STEP
FULL RATE
STEP
FULL RATE
VS820A,H,V; NAT 5.0-7.0
—
3.5
—3.0-5.0
VS821A
LP
12.0 -14.0
—
11.0
—8.0-12.0
\
VS820C,P NAT
I
5.0-7.0
0.9
3.5 None
3.0-5.0
VS821C
LP
I
12.0 -14.0
/
2.2
11.0
None
8.0-12.0
10