
CY7C1510KV18, CY7C1525KV18
CY7C1512KV18, CY7C1514KV18
Document Number: 001-00436 Rev. *E Page 8 of 30
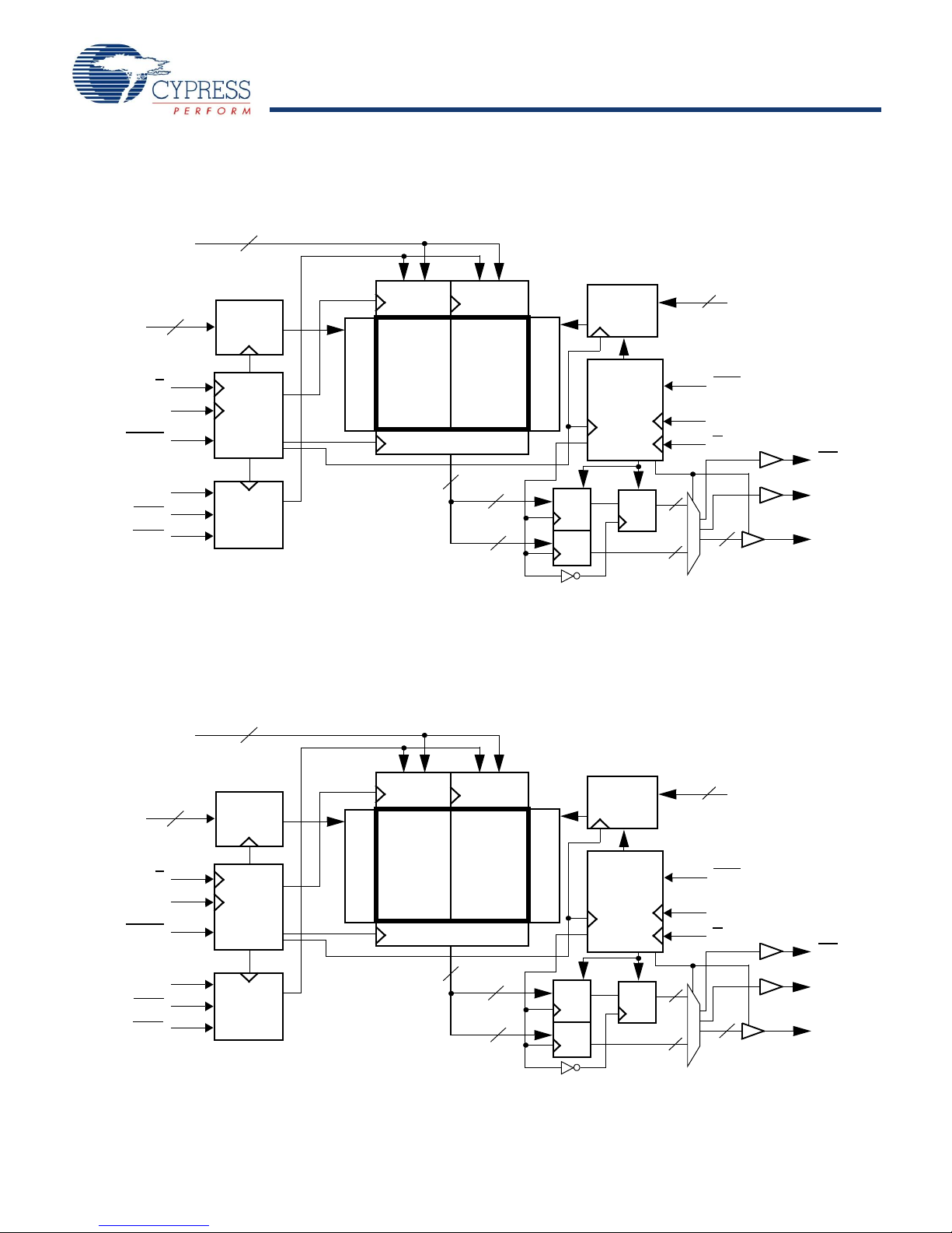
Functional Overview
The CY7C1510KV18, CY7C1525KV18, CY7C1512KV18, and
CY7C1514KV18 are synchronous pipelined Burst SRAMs with a
read port and a write port. The read port is dedicated to read
operations and the write port is dedicated to write operations.
Data flows into the SRAM through the write port and flows out
through the read port. These devices multiplex the address
inputs to minimize the number of address pins required. By
having separate read and write ports, the QDR-II completely
eliminates the need to turn around the data bus and avoids any
possible data contention, thereby simplifying system design.
Each access consists of two 8-bit data transfers in the case of
CY7C1510KV18, two 9-bit data transfers in the case of
CY7C1525KV18, two 18-bit data transfers in the case of
CY7C1512KV18, and two 36-bit data transfers in the case of
CY7C1514KV18 in one clock cycle.
This device operates with a read latency of one and half cycles
when DOFF pin is tied HIGH. When DOFF pin is set LOW or
connected to VSS then the device behaves in QDR-I mode with
a read latency of one clock cycle.
Accesses for both ports are initiated on the rising edge of the
positive input clock (K). All synchronous input timing is refer-
enced from the rising edge of the input clocks (K and K) and all
output timing is referenced to the output clocks (C and C, or K
and K when in single clock mode).
All synchronous data inputs (D[x:0]) pass through input registers
controlled by the input clocks (K and K). All synchronous data
outputs (Q[x:0]) pass through output registers controlled by the
rising edge of the output clocks (C and C, or K and K when in
single clock mode).
All synchronous control (RPS, WPS, BWS[x:0]) inputs pass
through input registers controlled by the rising edge of the input
clocks (K and K).
CY7C1512KV18 is described in the following sections. The
same basic descriptions apply to CY7C1510KV18,
CY7C1525KV18, and CY7C1514KV18.
Read Operations
The CY7C1512KV18 is organized internally as two arrays of 2M
x 18. Accesses are completed in a burst of two sequential 18-bit
data words. Read operations are initiated by asserting RPS
active at the rising edge of the positive input clock (K). The
address is latched on the rising edge of the K clock. The address
presented to the address inputs is stored in the read address
register. Following the next K clock rise, the corresponding
lowest order 18-bit word of data is driven onto the Q[17:0] using
Cas the output timing reference. On the subsequent rising edge
of C, the next 18-bit data word is driven onto the Q[17:0]. The
requested data is valid 0.45 ns from the rising edge of the output
clock (C and C or K and K when in single clock mode).
Synchronous internal circuitry automatically tristates the outputs
following the next rising edge of the output clocks (C/C). This
enables for a seamless transition between devices without the
insertion of wait states in a depth expanded memory.
Write Operations
Write operations are initiated by asserting WPS active at the
rising edge of the positive input clock (K). On the same K clock
rise the data presented to D[17:0] is latched and stored into the
lower 18-bit write data register, provided BWS[1:0] are both
asserted active. On the subsequent rising edge of the negative
input clock (K), the address is latched and the information
presented to D[17:0] is also stored into the write data register,
provided BWS[1:0] are both asserted active. The 36 bits of data
are then written into the memory array at the specified location.
When deselected, the write port ignores all inputs after the
pending write operations are completed.
Byte Write Operations
Byte write operations are supported by the CY7C1512KV18. A
write operation is initiated as described in the Write Operations
section. The bytes that are written are determined by BWS0and
BWS1, which are sampled with each set of 18-bit data words.
Asserting the appropriate Byte Write Select input during the data
portion of a write latches the data being presented and writes it
into the device. Deasserting the Byte write select input during the
data portion of a write enables the data stored in the device for
that byte to remain unaltered. This feature is used to simplify
read, modify, or write operations to a byte write operation.
Single Clock Mode
The CY7C1510KV18 is used with a single clock that controls
both the input and output registers. In this mode the device
recognizes only a single pair of input clocks (K and K) that control
both the input and output registers. This operation is identical to
the operation if the device had zero skew between the K/K and
C/C clocks. All timing parameters remain the same in this mode.
To use this mode of operation, the user must tie C and C HIGH
at power on. This function is a strap option and not alterable
during device operation.
Concurrent Transactions
The read and write ports on the CY7C1512KV18 operate
completely independently of one another. As each port latches
the address inputs on different clock edges, the user can read or
write to any location, regardless of the transaction on the other
port. The user can start reads and writes in the same clock cycle.
If the ports access the same location at the same time, the SRAM
delivers the most recent information associated with the
specified address location. This includes forwarding data from a
write cycle that was initiated on the previous K clock rise.
Depth Expansion
The CY7C1512KV18 has a port select input for each port. This
enables for easy depth expansion. Both port selects are sampled
on the rising edge of the positive input clock only (K). Each port
select input can deselect the specified port. Deselecting a port
does not affect the other port. All pending transactions (read and
write) are completed before the device is deselected.
Programmable Impedance
An external resistor, RQ, must be connected between the ZQ pin
on the SRAM and VSS to enable the SRAM to adjust its output
driver impedance. The value of RQ must be 5X the value of the
intended line impedance driven by the SRAM. The allowable
range of RQ to guarantee impedance matching with a tolerance
of ±15% is between 175Ωand 350Ω, with VDDQ =1.5V. The
output impedance is adjusted every 1024 cycles upon power up
to account for drifts in supply voltage and temperature.
[+] Feedback