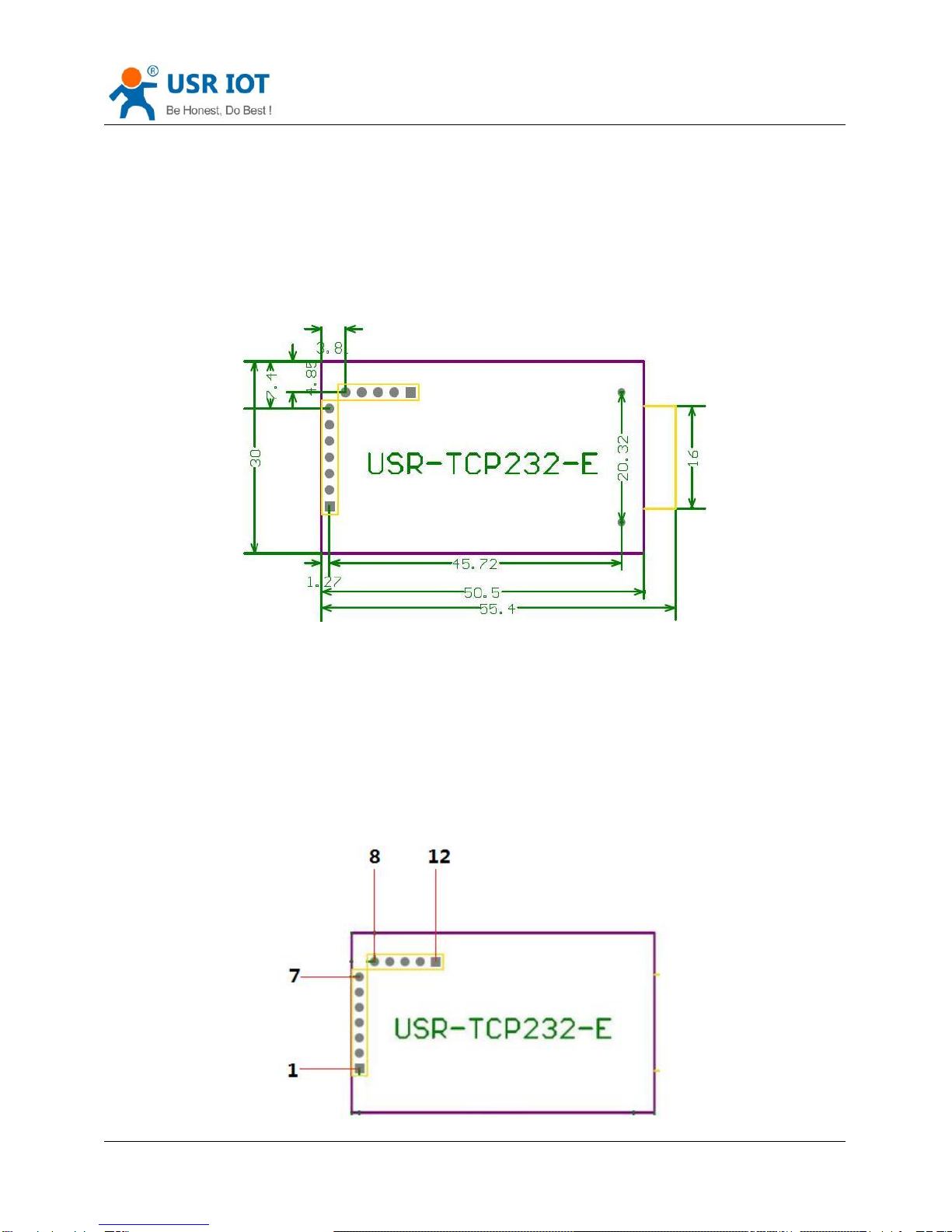
USR IOT USR-TCP232-E2 Manual de usuario
Otros manuales de Unidad de control de USR IOT

USR IOT
USR IOT USR-TCP232-S2 Instrucciones de montaje

USR IOT
USR IOT WH-LTE-7S1-E Manual de usuario

USR IOT
USR IOT USR-BLE100 Manual de usuario

USR IOT
USR IOT USR-C322 Manual de usuario

USR IOT
USR IOT USR-BLE100 Manual de usuario

USR IOT
USR IOT USR-K3 Guía de configuración

USR IOT
USR IOT USR-ES1 Manual de usuario

USR IOT
USR IOT USR-TCP232-S2 Manual de usuario

USR IOT
USR IOT USR-K6 Manual de usuario

USR IOT
USR IOT USR-TCP232-T2 Manual de usuario
Manuales populares de Unidad de control de otras marcas

Festo
Festo Compact Performance CP-FB6-E Manual de lista de piezas

Elo TouchSystems
Elo TouchSystems DMS-SA19P-EXTME Manual de usuario

JS Automation
JS Automation MPC3034A Manual de usuario

JAUDT
JAUDT SW GII 6406 Series Guía rápida

Spektrum
Spektrum Air Module System Manual de usuario

BOC Edwards
BOC Edwards Q Series Manual de usuario























