
USR-K5 Integration Guide Technical Support:h.usriot.com
Jinan USR IOT Technology Limited www.usriot.com
Content
USR-K5 INTEGRATION GUIDE.............................................................................................................................1
1. Product overview.......................................................................................................................................................3
1.1. Product introduction.....................................................................................................................................3
2. Specifications and dimensions.................................................................................................................................. 3
2.1. Electrical parameters......................................................................................................................................3
2.2. Operating temperature....................................................................................................................................3
2.3. Mechanical characteristics............................................................................................................................. 4
3. Hardware interface.................................................................................................................................................... 5
3.1 Pin description.................................................................................................................................................5
3.2 Network port operating indicator light description:....................................................................................... 6
4. The suits for development......................................................................................................................................... 7
5. Hardware reference design........................................................................................................................................8
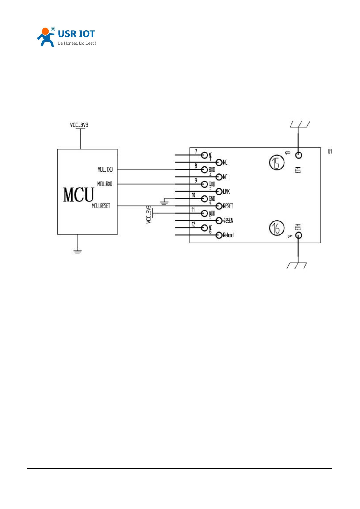
5.1.Hardware connections are typically applied, as shown in figure 5................................................................ 8
5.2.power interface................................................................................................................................................8
5.3.UART interface............................................................................................................................................... 9
5.4.Reference to encapsulate...............................................................................................................................10
6. Contact information...............................................................................................................................................11
7. Disclaimer............................................................................................................................................................... 12