Transcend Compact Flash Card CF 266X Manual de usuario
Otros manuales de Almacenamiento de Transcend

Transcend
Transcend StoreJet 25D3 Manual de usuario

Transcend
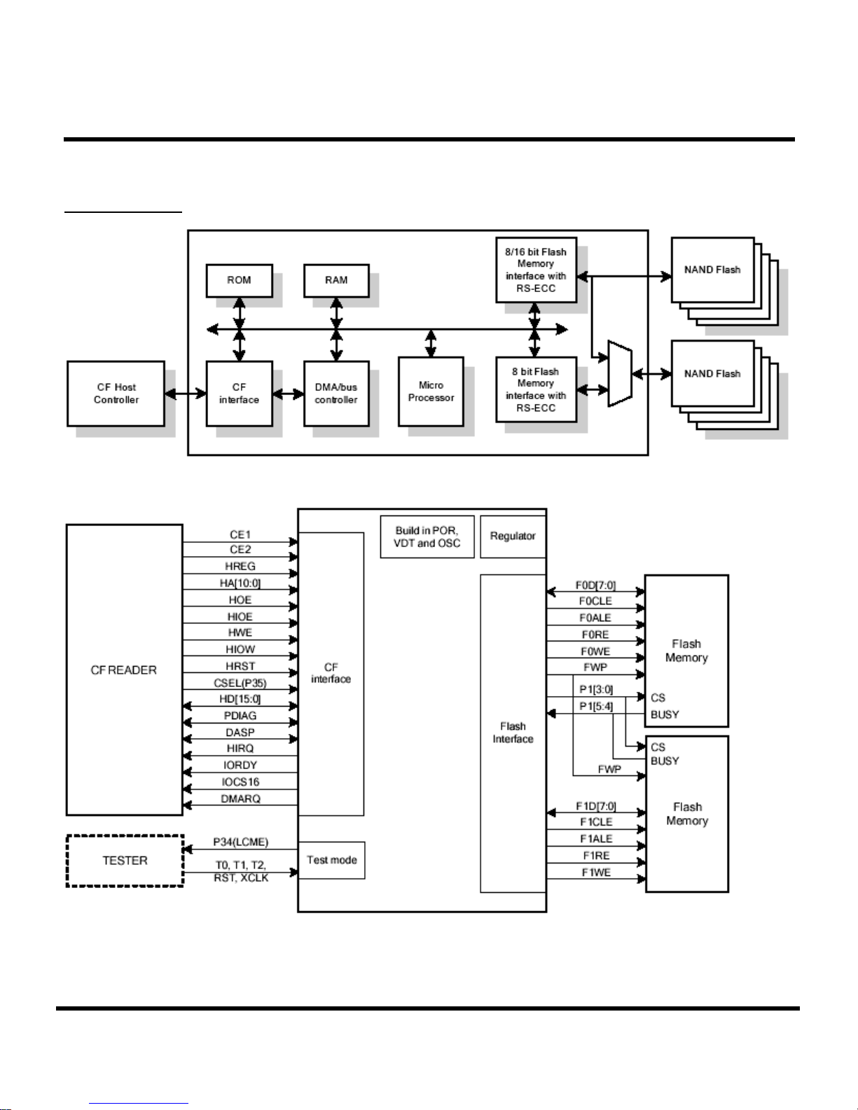
Transcend TS2G-8GCF266 Manual

Transcend
Transcend StoreJet 35T3 Manual de usuario

Transcend
Transcend SD Manual de usuario

Transcend
Transcend CompactFlash CF 300X Manual de usuario

Transcend
Transcend 2.5" 40GB StoreJetTM TS40GSJ25 Manual de usuario

Transcend
Transcend Computer Drive Manual de usuario

Transcend
Transcend StoreJet 35T Manual de usuario

Transcend
Transcend JetFlash 220 Manual de usuario

Transcend
Transcend CF 80X TS32M~1GCF80 Manual de usuario

Transcend
Transcend TS128M~8GJF2A Manual de usuario

Transcend
Transcend CompactFlash TS16GCF100I-P Manual de usuario

Transcend
Transcend TS4GSDOM22H Manual

Transcend
Transcend StoreJet 25M 640GB Manual de usuario

Transcend
Transcend TS120GSJ25T Manual de usuario

Transcend
Transcend TS128MSDOM22V Manual

Transcend
Transcend CompactFlash Ultra Speed 133x Instrucciones de montaje

Transcend
Transcend TS128GSSD18M-M Manual

Transcend
Transcend TS250GSJ25P Manual de usuario

Transcend
Transcend CompactFlash TS8GCF266 Instrucciones de montaje
Manuales populares de Almacenamiento de otras marcas

Panasonic
Panasonic LKM-F931-1 Manual de usuario

Tabernus
Tabernus Enterprise Erase E2400 Manual de usuario

Rocstor
Rocstor COMMANDER 3F series Manual de usuario

HP
HP P9000 Manual de usuario

Western Digital
Western Digital Ultrastar Data60 Manual de usuario

Dell
Dell PowerVault MD3600f Series Manual de usuario

























