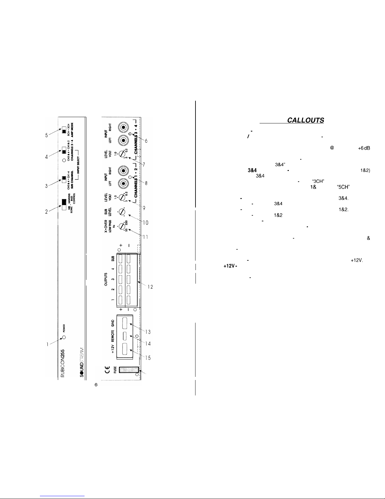
f
INSTALLATION STEP
2
]
POWER AND GROUND
To ensure maximum output from your
RUBICON
amplifier, use high quality,
low-
loss power and ground cables and connections. The
RUBICON
amplifiers will
accept up to 4 or 8 gauge power and ground cables. Determine from the chart
below the minimum and maximum gauge power and ground wire for your applica-
tion_
up
to
10’
up to
20’
(RUBICON
1
8 or
IO
gauge
1
8 gauge only
1
RUBICO/v355
1
8 or 10 gauge 8 gauge only
mi[
4 or8 gauge
1
4 gauge only
/
CIRCUIT BREAKERS AND FUSES
EXTERNAL
Like all audio components, the
RUBICON
amplifier must be fused near the battery.
A fuse or circuit breaker must be located within 18” of the
batterv.
This will prevent
a fire in the event of a shorted cable. See the chart below to determine the correct
fuse value.
INTERNAL
The
RUBICON255,
355
81
555 amplifier are fused with automotive-type fuses. In
the event of blown power supply fuses, replace with the correct value fuse found in
the chart below. Never replace the fuse with a higher value than what is sup-
plied. This may result in amplifier damage and will void the warranty!
RUBICON255,355
&
555 Amplifier Fuse Values
Amplifier Fuse
Battery Fuse
/
Circuit Breaker
IRuaconr255
1
30 amp automotive
1
40 amp
RUB/CO/V355
RUBICON555
(2) 20 amp automotive
(2) 30 amp automotive
50 amp
80 amp
REMOTE TURN-ON
Connect the “Remote” line to the turn-on lead from the source unit. When
+12
Volts is received, the amplifier will turn on.
SIGNAL CABLE
Use a high quality cable that will be easy to install and has minimal signal loss to
guarantee optimum performance.
SPEAKER CABLE
The
RUBICON
amplifiers will accept up to 8 gauge speaker cable. Use a high
quality, flexible, multi-strand cable for best performance and longevity.
16
(
INSTALLATION STEP 3
INSTALLATION AND MOUNTING
AMPLIFIER LOCA T/ON
The
RUBICON
amplifier employs highly efficient circuitry, a custom-engineered
heat sink, and a unique Chassisink construction to maintain lower operating tem-
peratures. Additional cooling may be required if the amplifier is located in a tightly
confied
area or when driving especially low impedance loads at extremely high
levels.
When mounting the amplifier, it should be securely mounted to either a panel in the
vehicle or an amp board or rack that is securely mounted to the vehicle. The
mounting location should be either in the passenger compartment or in the trunk of
the vehicle, away from moisture, stray or moving objects, and major electrical com-
ponents. To provide adequate ventilation, mount the amplifier so that there are at
least two inches of freely circulating air above and to the sides of it.
MOUNTING THE AMPLIFIER
a.
Using the amplifier as a template, mark the holes on the mounting surface.
b.
Remove the amplifier and drill the holes for the mounting screws.
C.
Secure the amplifier to the mounting surface using the supplied hardware.
WIRING
a.
Run and connect the audio signal and remote turn-on cables to the amplifier
from the source unit.
b.
Carefully run the positive cable from the amplifier to a fuse or circuit breaker
within
18”
of the battery.
C.
Connect the fuse or circuit breaker lead to the battery. Leave the circuit
breaker off or the fuse out until everything is bolted down.
d.
Secure the ground cable to a solid chassis ground on the vehicle. It may be
necessary to sand paint down to raw metal for a good connection.
e.
Double check each and every connection!
f.
Reconnect the fuse or circuit breaker.
POWER UP
Power up the system and look at the Power LED; there may be a 2-3 second delay
from the time the source unit
is
turned on to the time that the LED on the amp turns
on, which is normal. Once the amplifer LED is on and the source unit is playing,
you should have sound coming from the speakers.
17