
5
dc1623af
DEMO MANUAL DC1623A
Information furnished by Linear Technology Corporation is believed to be accurate and reliable.
However, no responsibility is assumed for its use. Linear Technology Corporation makes no representa-
tion that the interconnection of its circuits as described herein will not infringe on existing patent rights.
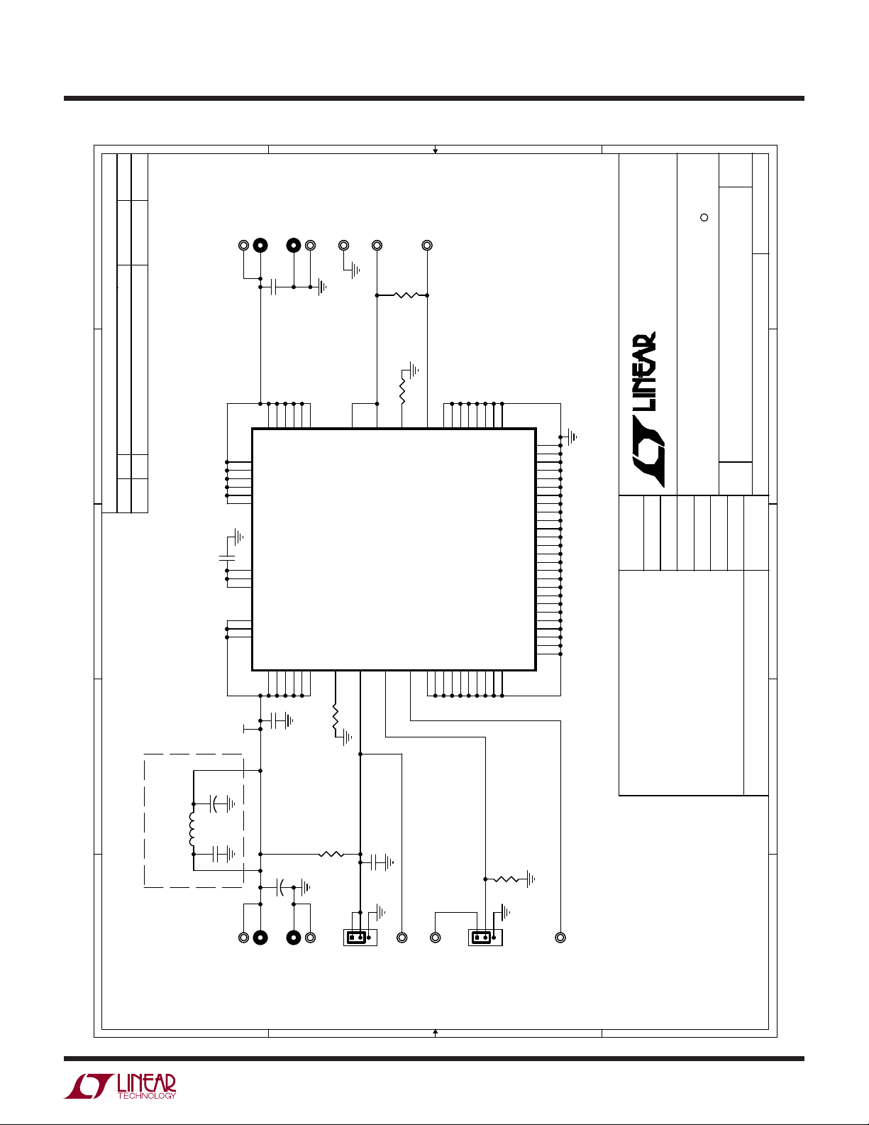
SCHEMATIC DIAGRAM
A
A
B
B
C
C
D
D
E
E
4 4
3 3
2 2
1 1
1. ALL CAPACITORS AND RESISTORS ARE 0603.
NOTES: UNLESS OTHERWISE SPECIFIED,
T
TT
T
3.3V / 3A
RUN / SS
OFF
ON
5.5V - 36V
R
1%
1%1%
1%
ULTRA LOW NOISE, EMC COMPLIANT
36V, 3A DC/DC MODULE
SYNC
SYNC ON
BURST MODE
OPTIONAL CIRCUIT
1210
0805
1206
100MV12AX
1206
100MV12AX
1210
VIN
6,=(
'$7(
,&12
5(9
6+((7 2)
7,7/(
&2175$&712
$33529$/6
3&%'(6
(1*
TECHNOLOGY
)D[
0LOSLWDV&$
3KRQH
0F&DUWK\%OYG
/7&&RQILGHQWLDO)RU&XVWRPHU8VH2QO\
&86720(5127,&(
/,1($57(&+12/2*<+$60$'($%(67())25772'(6,*1$
&,5&8,77+$70((76&86720(56833/,('63(&,),&$7,216
+2:(9(5,75(0$,167+(&86720(565(63216,%,/,7<72
9(5,)<3523(5$1'5(/,$%/(23(5$7,21,17+($&78$/
$33/,&$7,21&20321(1768%67,787,21$1'35,17('
&,5&8,7%2$5'/$<2870$<6,*1,),&$17/<$))(&7&,5&8,7
3(5)250$1&(255(/,$%,/,7<&217$&7/,1($5
7(&+12/2*<$33/,&$7,216(1*,1((5,1*)25$66,67$1&(
7+,6&,5&8,7,635235,(7$5<72/,1($57(&+12/2*<$1'
6&+(0$7,&
6833/,(')2586(:,7+/,1($57(&+12/2*<3$576
2
Friday, June 25, 2010
0,
EDWIN L.
N/A
LTM8033EV
DEMO CIRCUIT 1623A
6,=(
'$7(
,&12
5(9
6+((7 2)
7,7/(
&2175$&712
$33529$/6
3&%'(6
(1*
TECHNOLOGY
)D[
0LOSLWDV&$
3KRQH
0F&DUWK\%OYG
/7&&RQILGHQWLDO)RU&XVWRPHU8VH2QO\
&86720(5127,&(
/,1($57(&+12/2*<+$60$'($%(67())25772'(6,*1$
&,5&8,77+$70((76&86720(56833/,('63(&,),&$7,216
+2:(9(5,75(0$,167+(&86720(565(63216,%,/,7<72
9(5,)<3523(5$1'5(/,$%/(23(5$7,21,17+($&78$/
$33/,&$7,21&20321(1768%67,787,21$1'35,17('
&,5&8,7%2$5'/$<2870$<6,*1,),&$17/<$))(&7&,5&8,7
3(5)250$1&(255(/,$%,/,7<&217$&7/,1($5
7(&+12/2*<$33/,&$7,216(1*,1((5,1*)25$66,67$1&(
7+,6&,5&8,7,635235,(7$5<72/,1($57(&+12/2*<$1'
6&+(0$7,&
6833/,(')2586(:,7+/,1($57(&+12/2*<3$576
2
Friday, June 25, 2010
0,
EDWIN L.
N/A
LTM8033EV
DEMO CIRCUIT 1623A
6,=(
'$7(
,&12
5(9
6+((7 2)
7,7/(
&2175$&712
$33529$/6
3&%'(6
(1*
TECHNOLOGY
)D[
0LOSLWDV&$
3KRQH
0F&DUWK\%OYG
/7&&RQILGHQWLDO)RU&XVWRPHU8VH2QO\
&86720(5127,&(
/,1($57(&+12/2*<+$60$'($%(67())25772'(6,*1$
&,5&8,77+$70((76&86720(56833/,('63(&,),&$7,216
+2:(9(5,75(0$,167+(&86720(565(63216,%,/,7<72
9(5,)<3523(5$1'5(/,$%/(23(5$7,21,17+($&78$/
$33/,&$7,21&20321(1768%67,787,21$1'35,17('
&,5&8,7%2$5'/$<2870$<6,*1,),&$17/<$))(&7&,5&8,7
3(5)250$1&(255(/,$%,/,7<&217$&7/,1($5
7(&+12/2*<$33/,&$7,216(1*,1((5,1*)25$66,67$1&(
7+,6&,5&8,7,635235,(7$5<72/,1($57(&+12/2*<$1'
6&+(0$7,&
6833/,(')2586(:,7+/,1($57(&+12/2*<3$576
2
Friday, June 25, 2010
0,
EDWIN L.
N/A
LTM8033EV
DEMO CIRCUIT 1623A
REVISION HISTORY
DESCRIPTION DATEAPPROVEDECO REV
EDWIN LIPRODUCTION204/19/10
REVISION HISTORY
DESCRIPTION DATEAPPROVEDECO REV
EDWIN LIPRODUCTION204/19/10
REVISION HISTORY
DESCRIPTION DATEAPPROVEDECO REV
EDWIN LIPRODUCTION204/19/10
JP1JP1
1
2
3
R2
93.1k
R2
93.1k
C3
0.22uF
50V
C3
0.22uF
50V
C6 10uFC6 10uF
R5
10k
R5
10k
E3
GND
E3
GND
L1
OPT
L1
OPT
R4
100k
R4
100k
E9
SYNC
E9
SYNC
E5
GND
E5
GND
E4
GND
E4
GND
+
C5
OPT
+
C5
OPT
E8
PGOOD
E8
PGOOD
R1
100k
R1
100k
E2
VOUT
E2
VOUT
JP2JP2
1
2
3
R3
154k
R3
154k
C2
100uF
10V
C2
100uF
10V
E6
BIAS
E6
BIAS
J4
GND
J4
GND
C1
4.7uF
50V
C1
4.7uF
50V
J3
VOUT
J3
VOUT
E1
VIN
E1
VIN
E7
RUN/SS
E7
RUN/SS
C4
OPT
C4
OPT
J1
VIN
J1
VIN
U1
LTM8033EV
U1
LTM8033EV
RUN/SS
G8
GND
A8
GND
A4 PGOOD B7
ADJ A7
BIAS G4
VOUT D1
SYNC
B8
VAUX G3
VIN
J1
RT
B6
VIN
J2 VIN
J3 VIN
K1 VIN
K2 VIN
K3
VIN L1
VIN L2
VIN L3
VOUT D2
VOUT D3
VOUT A1
VOUT A2
VOUT A3
VOUT B1
VOUT B2
VOUT B3
VOUT C1
VOUT C2
VOUT C3
FIN J8
FIN L8
FIN K8
GND
A5
GND
B4
GND
B5
GND
C4
GND
C5
GND
C6
GND
C7
GND
C8
GND
D4
GND
D5
GND
D6
GND
D7
GND
D8
GND
E1
GND
E2
GND
E3
GND
E4
GND
E5
GND K5
GND K6
GND L5
GND
E6
GND
E7
GND
E8
GND
F1
GND
F2
GND
F3
GND
F4
GND
F5
GND
F6
GND
F7
GND
F8
GND
G1
GND
G2
GND
G5
GND
G6
GND
G7
GND H5
GND H6
GND J5
GND J6
GND L6
SHARE
A6
+
22uF
CIN1
50V
+
22uF
CIN1
50V
E10
SHARE
E10
SHARE
J2
GND
J2
GND