
TF P1411
Page 8 of 18
Always open the system control valves
slowly to avoid a sudden rush of water
entering the system.
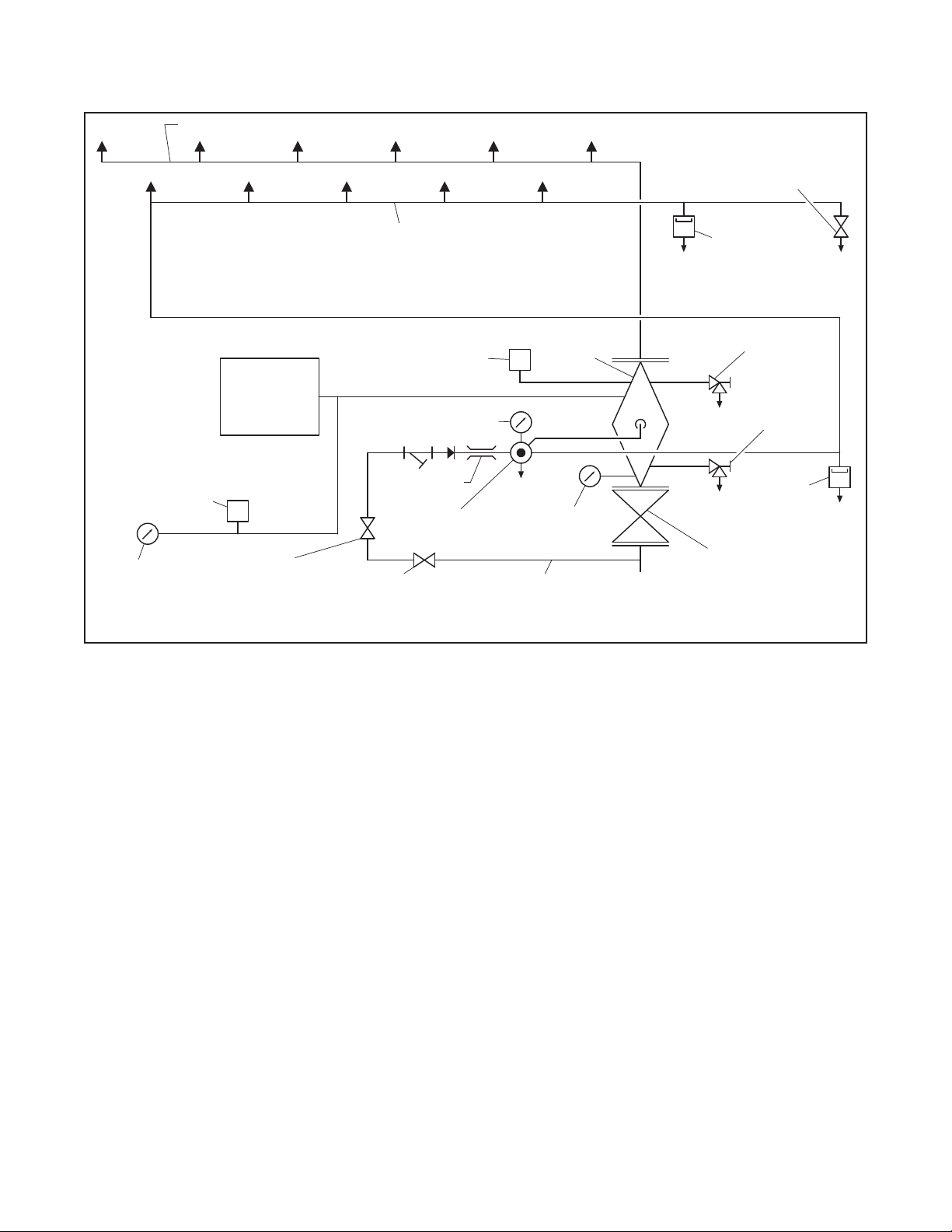
The DV-5aSingle Interlock Preac-
tion Wet Pilot Actuation Valve is to be
installed in accordance with the follow-
ing criteria:
Step 1. All nipples, fittings, and devices
must be clean and free of scale and
burrs before installation. Use pipe
thread sealant sparingly on male pipe
threads only.
Step 2. The DV-5aSingle Interlock Pre-
action Wet Pilot Actuation Valve must
be trimmed in accordance with the trim
illustrations shown in Figure 5.
Note:If the addition of an Alarm Control
Valve is desired or required by the local
AHJ, the Alarm Control Valve noted as
Item H in Figure 8 is to be a separately
orderedelectronicallysupervised normally
open valve.
Step 3. Care must be taken to ensure
that check valves, strainers, globe
valves, etc. are installed with the flow
arrows in the proper direction.
Step 4. Drain tubing to the Drip Funnel
must be installed with smooth bends
that will not restrict flow.
Step 5. The Main Drain and Drip Funnel
Drain may be interconnected pro-
vided a check valve is located at least
12 in. (300 mm) below the Drip Funnel.
Step 6. Suitable provision must be
made for disposal of drain water. Drain-
age water must be directed such that
it will not cause accidental damage to
property or danger to persons.
Step 7. Connect the Diaphragm Supply
Valve to the inlet side of the System
Main Control Valve in order to facilitate
setting of the DV-5aValve (See Figure
8).
Step 8. An Inspector’s Test Connec-
tion, as described in the Wet Pilot Actu-
ation section, must be provided for Wet
Pilot Actuation systems.
Step 9. Unused Pressure Alarm Switch
connections must be plugged.
Step 10. A suitable automatic supervi-
sory air (nitrogen) supply, as described
in the Technical Data section, is to be
installed in accordance with the appli-
cable technical data sheet and set for
10 ± 2 psi (0,69 ± 0,14 bar).
Step 11. A desiccant dryer, when
required for the supervisory air supply,
is to be installed between a drip leg
and the Model AMD-1 Air Mainte-
nance Device or between the Model
G16AC812 Automatic Supervisory Air
Supply and the Preaction Trim.
Step 12. The Supervisory Low Pres-
sure Switch is to be wired to the super-
visory alarm initiating circuit of an alarm
panel.
Step 13. Conduit and electrical con-
nections are to be made in accordance
with the applicable standards of the
approval agency.
Step 14. Before a system hydrostatic
test is performed, the DV-5aDiaphragm
Chamber is to be depressurized, the
Automatic Drain Valve is to be tem-
porarily replaced with a plug, and the
Diaphragm Cover Bolts must be uni-
formly and securely tightened using
a cross-draw sequence.After tight-
ening, double-check to make certain
that all of the Diaphragm Cover Bolts
are securely tightened. See Table C in
the Care and Maintenance section for
torque specifications.
Installation
The TYCO DV-5aSingle Interlock Pre-
action Wet Pilot Actuation Valve is to
be installed in accordance with this
section.
NOTICE
DV-5A Automatic Water Control Valves
are designed to be used in freshwater
systems. When the supply is from an
alternative source such as brackish
water, saltwater, or contains additives
such as foam, the limited warranty is
reduced to one year from the time of
installation. An increase in frequency of
inspections is required when the valve
is exposed to such supplies and other
corrosive conditions or chemicals that
could impact valve materials or the
operation of the assembly. The system
and all components must be designed
accordingly for the increased demand.
It is required to thoroughly flush the
valve and trim assembly with freshwa-
ter and reset to the set condition after
each operation.
Proper operation of the DV-5aSingle
Interlock Preaction Wet Pilot Actua-
tion Valve depends upon their trim
being installed in accordance with the
instructions given in this technical data
sheet. Failure to follow the appropriate
trim diagram may prevent the DV-5a
Valve from functioning properly, as
well as void approvals and the manu-
facturer’s warranties. The DV-5aSingle
Interlock Preaction Wet Pilot Actua-
tion Valve must be installed in a readily
visible and accessible location.
The DV-5aValve, associated trim, and
wet pilot lines must be maintained at
a minimum temperature of 40°F (4°C).
Heat tracing of the DV-5aValve or its
associated trim is not permitted. Heat
tracing can result in the formation of
hardened mineral deposits that are
capable of preventing proper operation.