1.- WARNING Please read these instructions before installing or using this appliance for the first time.
•The warranty of the heater will not cover any damage caused by non-observance of any of these
instructions.
•The instructions should be retained for future reference. This guide must be kept and given to any new
owner.
•This appliance can be used by children aged from 8 years and above and persons with reduced physical,
sensory or mental capabilities or lack of experience and knowledge if they have been given supervision or
instruction concerning the use of the appliance in a safe way and understand the hazards involved. Children
must not play with the appliance. Cleaning and user maintenance must not be made by children without
supervision.
•Children aged from 3 years and less than 8 years shall only switch on/off the appliance provided that it has
been placed or installed in its intended normal operating position and they have been given supervision or
instruction concerning use of the appliance in a safe way and understand the hazards involved. Children aged
from 3 years and less than 8 years shall not plug in, regulate and clean the appliance or perform user
maintenance.
•Children of less than 3 years should be kept away unless continuously supervised.
•Please check that the voltage in the rating label fits the power supply.
•The use of panel heaters is forbidden in any area where there is a presence of gases, explosives or
inflammable objects.
•Do not use this heater to dry clothes. Do not cover this heater or put objects in contact with it.
•Neither the connecting cable nor any other object must come into contact with the hot unit.
•Do not cover this heater at any time.
•The air outlet at the top of the thermal radiator and the air inlet at the bottom are provided to ensure the
most efficient operation of the appliance. They also protect the heater from overheating; therefore, it is
essential that at no time are they covered.
•This heater should be switched off at the isolating switch before any repair work is carried out.
•The installation must be carried out in accordance with the current electrical regulations.
•Should the heater be moved and reinstalled it is essential that the work is carried out by a fully qualified
technician.
•The heater should not be installed just below an electrical socket.
•The appliance must be installed in such a way that it is impossible for anyone using a bath or shower, to
touch the controls.
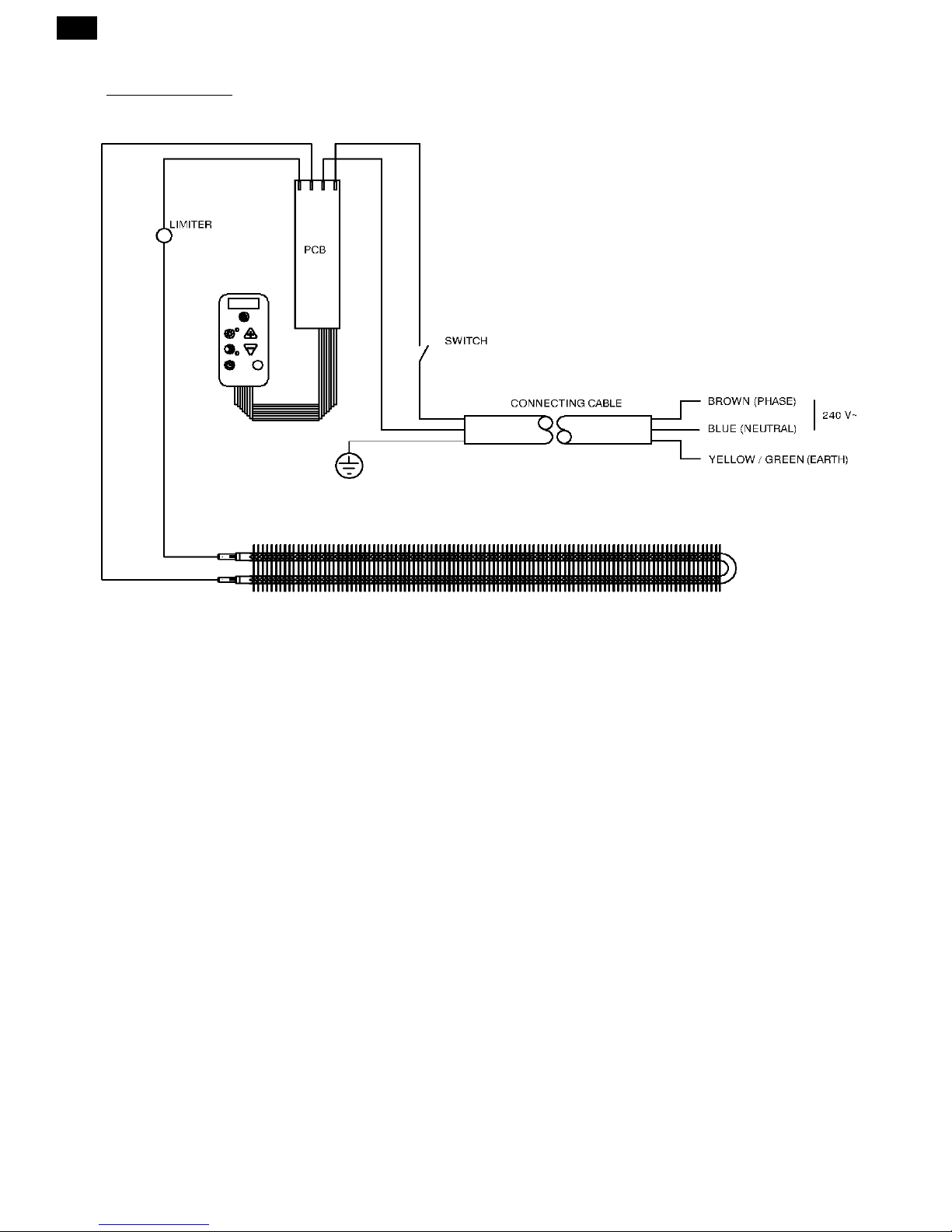
•The heater is fitted with a flexible cable size 3 x 1.00 mm² for electrical connection. It may be used to
connect the heater to the fixed wiring of the premised through a suitable connection box positioned
adjacent to the heater.
•This appliance must be connected to the supply by fixed wiring. The supply circuit to the heater must
incorporate a double pole isolating switch having a contact separation of at least 3 mm.
•If the flexible power cable for this unit is damaged, it may only be replaced by a repair workshop recognised
by the manufacturer, as special tools are necessary.
•This appliance must be earthed.
•All models are supplied with an electrical interrupt cut-out. This will switch off the heater if, for any reason,
it overheats. Should the cut-out operate, turn the heater off and remove the cause for the overheating. The
cut-out will be reset automatically.
•Please, if included, complete the enclosed warranty card and return it to the manufacturer to enable
registration to take place.
•The presence of air particles of smoke, dust and other pollutants could, in time, discolour the walls and
surfaces around the heater.
•CAUTION —Some parts of this product can become very hot and cause burns. Particular attention must
be given when children and vulnerable people are present.
•
•WARNING: In order to avoid overheating do not cover the heater.
•