
PAECS
13
GB
Overheating
The motors have built-in protection against
overheating and will automatically regulate
their speed at high temperatures.
Replacing motor or impeller
1.Remove the front.
2.Remove gable end.
3.Remove the screw between motor and fan.
4.Disconnect the cables to the motor.
5.Remove the screws securing the motor and
lift it out together with the impeller.
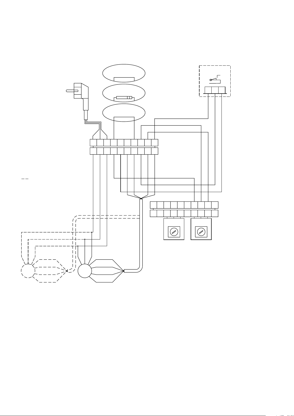
Basic setting fan speed
The fan speed for open respectively closed
door is pre-set on the internal potentiometers
(6V open/high speed, 2,5V closed/low speed).
Note that the air flow direction and fan speed
may need fine adjustment depending on the
loading of the door.
Service, repairs and maintenance
For all service, repair and maintenance first
carry out the following:
1.Disconnect the power supply.
2.The front hatch is removed by removing
the screws on the top of the unit and then
detach the bent edge at the bottom. (Fig.3)
3.After the service, repair and maintenance
reattach the front hatch. Place the hatch
at the lower edge with the bent edge and
fasten on top with screws.
Note that when carrying out work where the
end is removed, the outlet grille also detaches.
Maintenance
Since fan motors and other components are
maintenance free, no maintenance other than
cleaning is necessary. The level of cleaning
can vary depending on local conditions.
Undertake cleaning at least twice a year. Inlet
and exhaust grilles, impeller and elements
can be vacuum cleaned or wiped using a
damp cloth. Use a brush when vacuuming
to prevent damaging sensitive parts. Avoid
the use of strong alkaline or acidic cleaning
agents.
6.Install the new motor and/or the new
impeller as above in reverse order.
Trouble shooting
If the fans are not working or do not blow pro-
perly, check the following:
• The functions and settings of the built-in
control system.
• That the intake grille/filter is not dirty.
If the fault cannot be rectified, please contact
a qualified service technician.
Safety
• Keep the areas around the air intake
and exhaust grilles free from possible
obstructions!
• Lifting equipment must be used to lift the
unit.
• This appliance can be used by children
aged from 8 years and above and persons
with reduced physical, sensory or
mental capabilities or lack of experience
and knowledge if they have been given
supervision or instruction concerning
use of the appliance in a safe way and
understand the hazards involved. Children
shall not play with the appliance. Cleaning
and user maintenance shall not be made
by children without supervision.
• Children of less than 3 years should be
kept away unless continuously supervised.
• Children aged from 3 years and less than 8
years shall only switch on/off the appliance
provided that it has been placed or
installed in its intended normal operating
position and they have been given
supervision or instruction concerning
use of the appliance in a safe way and
understand the hazards involved.
• Children aged from 3 years and less
than 8 years shall not plug in, regulate
and clean the appliance or perform user
maintenance.
CAUTION — Some parts of this product can
become very hot and cause burns. Particular
attention has to be given where children and
vulnerable people are present.
outwards to withstand the load. Generally
speaking, the higher the load, the greater the
angle that is needed.