
INSTRUCCIONES DE FUNCIONAMIENTO
Válvulas de expansión de alta presión CV4-7
Emerson Climate Technologies GmbH
Pascalstrasse 65 I 52076 Aachen I Germany
www.climate.emerson.com/en-gb
Date: 30.05.2022
OI_CV4-7_A1_EN_DE_FR_ES_IT_RU_Rev04_866918.docx
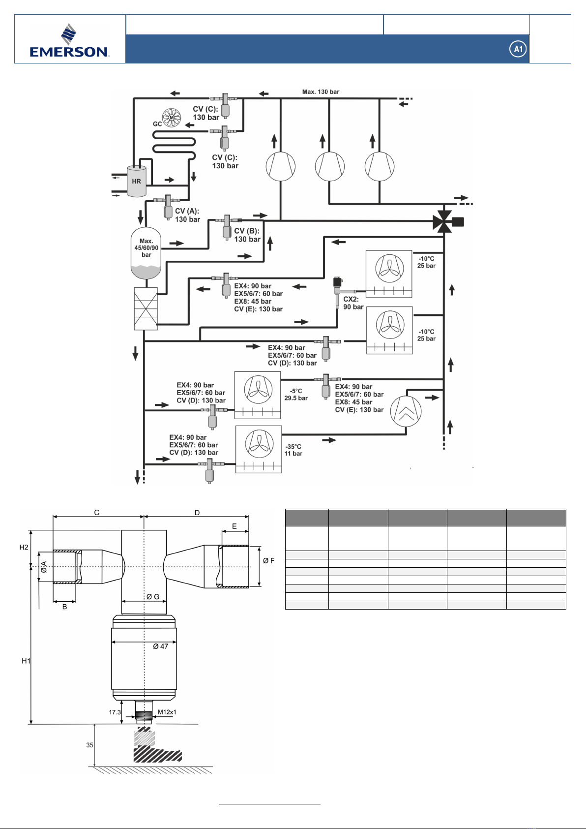
Información general:
CV son válvulas accionadas por un motor paso a paso para
un control preciso del caudal másico del refrigerante en
sistemas que emplean CO2: (Fig. 1)
-Válvula de gas de alta presión (A),
-Válvula bypass (B),
-Válvula control recuperador de calor (C),
-Válvula de expansión (D),
-Válvula regulación presión de aspiración (E)
Instrucciones de seguridad:
•Lea atentamente estas instrucciones de
funcionamiento. Una mala manipulación puede acarrear
lesiones al personal y desperfectos en el aparato o en la
instalación.
•Este producto está diseñado para ser utilizado por
personal calificado que tenga los conocimientos y las
habilidades adecuados, como por ejemplo capacitado
de acuerdo con EN 13313 o una capacitación específica
para refrigerantes inflamables.
•Antes de abrir el circuito, asegúrese de que la presión
en su interior no es superior a la presión atmosférica!
•No libere ningún refrigerante directamente a la
atmósfera!
•No sobrepase los valores máximos de temperatura,
presión, voltaje e intensidad especificados por el
fabricante.
•No ponga en funcionamiento el sistema antes de que
todas las conexiones eléctricas hayan sido realizadas.
•No haga funcionar la válvula cuando está conectado
directamente a la tensión de alimentación. Utilice un
controlador adecuado motor paso a paso.
•No haga funcionar la válvula si el compresor no se
encuentra operativo.
•No haga funcionar la válvula cuando el sistema se
encuentra a presión negativa (vacio) excepto para cerrar
esta antes de realizar la carga de refrigerante.
•Antes de llevar a cabo la instalación o el mantenimiento
del sistema, desconecte la alimentación eléctrica.
•No use ningún fluido que no haya sido previamente
aprobado por EMERSON. El uso de sustancias no
aprobadas puede dar lugar a: un cambio en la categoría
de riesgo del producto y, en consecuencia, de los
requisitos de evaluación de conformidad para el mismo
(conforme a la Directiva 14/68/EU relativa a equipos de
presión)
•Compruebe que el diseño, la instalación, y el
correspondiente mantenimiento del sistema se realiza
acorde a las normas y regulaciones europeas.
Lugar de montaje: (Fig. 1)
HR = recuperador de calor, GC = enfriador de gas
Válvula de alta presión (A), Válvula de bypass (B), Válvula
para recuperador de calor (C), Válvula Control presión
aspiración (E):
- La válvula debe instalarse en posición invertida.
- Se debe proteger la válvula de
impurezas mediante la instalación de un
elemento filtrante antes de la misma con
un tamaño de malla de 100 µm o
menos, que deben reemplazarse o
limpiarse después de las primeras
24 horas de funcionamiento completo
del sistema Fig. 2a
Válvula de expansión (D):
- Para obtener los mejores resultados se recomienda montar
la válvula tan cerca como sea posible del distribuidor o la
entrada del evaporador
-Instale una mirilla y un filtro delante de la citada válvula.
posicionarse
entre
y vertical
(motor abajo).
Antes de
activar la
válvula
hay suficiente
carga de refrigerante /subenfriamiento y asegúrese de que
no llegan burbujas de gas refrigerante a la entrada de la
misma.
-Provea espacio suficiente para conectar eléctricamente al
emplazar la válvula de acuerdo a la Fig. 6.
Instalación:
• La dirección del flujo de refrigerante debe corresponderse
con la flecha marcada en la etiqueta.
AVISO:
•Las válvulas de expansión CV se suministran
parcialmente abiertas (50 %). No cargue el sistema
hasta que la válvula bypass (B) y la válvula de
expansión (D) haya sido cerrada. Consulte el manual
de operaciones del controlador electrónico asociado.
• Los componentes internos de la válvula deben ser
protegidos en todo momento frente a la humedad. No
está permitido utilizar agua, vapor o cualquier otra
sustancia con el fin de limpiar dichos elementos
internos.
Instalación - conexiones de soldadura
ODF: tubos de cobre: (Fig. 3)
•Proceda a realizar la soldadura siguiendo las indicaciones
de la EN 14324.
•Limpie los tubos antes y después de realizar la soldadura.
•Minimice las vibraciones en las tuberías mediante la
solución más adecuada.
•No exceda el
máximum
temperatura
superf. de
120 °C!
•Utilice borax y
varilla de plata
con un mínimo
de un 30 % de
concentración de
plata.
Fig. 3
• Nota: Les connections de la vanne sont en acier
inoxydable 1.4305. ne contenant que 0.15 à 0.35% de
soufre. Pour rappel, il est selon les normes déconseillé de
souder un acier inoxydable 1.4305. Contenant un taux de
soufre important (difficiles à souder).
Prueba de presión:
Una vez finalizada la instalación, deberá llevarse a cabo una
prueba de presión:
-en conformidad con la norma EN 378 para aquellos
sistemas que deban cumplir la Directiva 2014/68/EU
relativa a los equipos de presión.
-a la máxima presión permitida del sistema en el resto de
aplicaciones.
Test de fuga:
Realice una prueba de estanqueidad según EN 378-2 con el
equipo y el método adecuados para identificar fugas de
juntas y productos. La tasa de fuga permitida debe estar de
acuerdo con las especificaciones del fabricante del sistema.
AVISO:
• Si no realiza esta prueba de presión e test de fuga,
pueden producirse pérdidas de refrigerante y lesiones
personales.
• Les test debe ser llevada a cabo por personal
capacitado y consciente de los peligros que implica
este tipo de operaciones.
Conexión eléctrica:
AVISO:
• Las conexiones eléctricas deben de cumplir con las
normas y regulaciones locales.
• Un cableado erróneo provocará que el motor de la
válvula gire en sentido contrario o incluso que no gire.
• Compruebe que los cables no tienen tensión; No apriete
en exceso los prisioneros de los mismos.
• Compruebe que los cables no están proximos a
superficies cortantes.
• No doble o dañe mecánicamente el extremo del cable,
mantenga una distancia de 20 mm con respecto a
cualquier otro objeto.
• Instalación del conector de las válvulas
• Para conectar M12 la válvula al controlador utilice el
cable con conector. (EXV-Mxx)
• No existe un requisito
específico sobre la
orientación del conector
con respecto a los pines de
conexión.
1. Levante la tuerca circular y
empuje el conector del
cable sobre los correspondientes Fig. 4
pines del motor (en la parte superior de la válvula).
2. Gire una vuelta la tuerca en el sentido de las agujas del
reloj y presione nuevamente el conector.
3. Repita este procedimiento hasta que el conector se
encuentre bien sujeto.
• Asegúrese de que el enchufe (con cable) esté colocado
y apretado correctamente.
Cableado/ Conexión al controlador:
• Consulte el diagrama de cableado del motor
/controlador.
Operación:
• Consulte las instrucciones de funcionamiento del motor
/controlador.
Servicio / Mantenimiento:
• Desconecte la alimentación eléctrica antes de proceder a
realizar cualquier operación de mantenimiento.
• Desenchufar el conector eléctrico del transmisor
únicamente sin alimentación eléctrica.
• Para comprobación del motor: Retirar el cable conector de
la válvula. Utilice un
ohmímetro con el rango
adecuado. Medir la
resistencia del devanado
por cada fase entre pines
opuestos (ver Fig. 5) y
comparar con los datos
de la tabla a
continuación. Fig. 5
• CV ofrece la función de válvula de corte cuando se
posiciona en el punto de totalmente cerrada, siempre que
exista una presión en la entrada de la misma de al menos
0,5 bar por encima de la de salida.
• CV es un recambio directo de la CX4-6, siempre que se
sustituya el driver EXD-U01 por el EXD-U02. Para usar un
driver/controlador de otra marca, los parámetros eléctricos
indicados en la tabla de Datos Técnicos deben ser tenidos
en consideración. (ver Tabla de datos técnicos)
Datos Técnicos:
Tipo CV4-HPV CV5-HPV / CV6-HPV CV7-HPV
Máxima presión permitida PS / Presión de prueba en fábrica PT
Máx. diferencia de presión de funcionamiento MOPD
Temperatura de funcionamiento
Entrada: –50 °C… +100 °C / Salida: -100 °C…+100 °C
Tensión de alimentación nominal U /
Intensidad máxima de funcionamiento
24 VDC / 625 mA 24 VDC / 800 mA
Intensidad máxima de mantenimiento
Número de pasos / Frecuencia
Modo de pasos / forma de onda
Resistencia del devanado por fase / resistencia de aislamiento
Compatibilidad del medio Grupo de fluido II: R744
Marcado Fuera de PED
(no precisa marcaje CE), CV4/5/6-HPV: