
Chengdu Ebyte Electronic Technology Co.,Ltd E610-433T30S User Manual
Copyright ©2012–2022,Chengdu Ebyte Electronic Technology Co.,Ltd
1
CONTENT
DISCLAIMER AND COPYRIGHT NOTICE ......................................................................................................3
CHAPTER I PRODUCT OVERVIEW .................................................................................................................4
1.1 PRODUCT INTRODUCTION ........................................................................................................................................................................... 4
1.2 FEATURES ..................................................................................................................................................................................................4
1.3 APPLICATION ............................................................................................................................................................................................ 4
CHAPTER II SPECIFICATION PARAMETERS............................................................................................. 5
2.1 RADIO FREQUENCY PARAMETERS ................................................................................................................................................................5
2.2 WORKING PARAMETERS ...............................................................................................................................................................................5
2.3 HARDWARE PARAMETERS .............................................................................................................................................................................6
CHAPTER III SIZE AND PIN.....................................................................................................................6
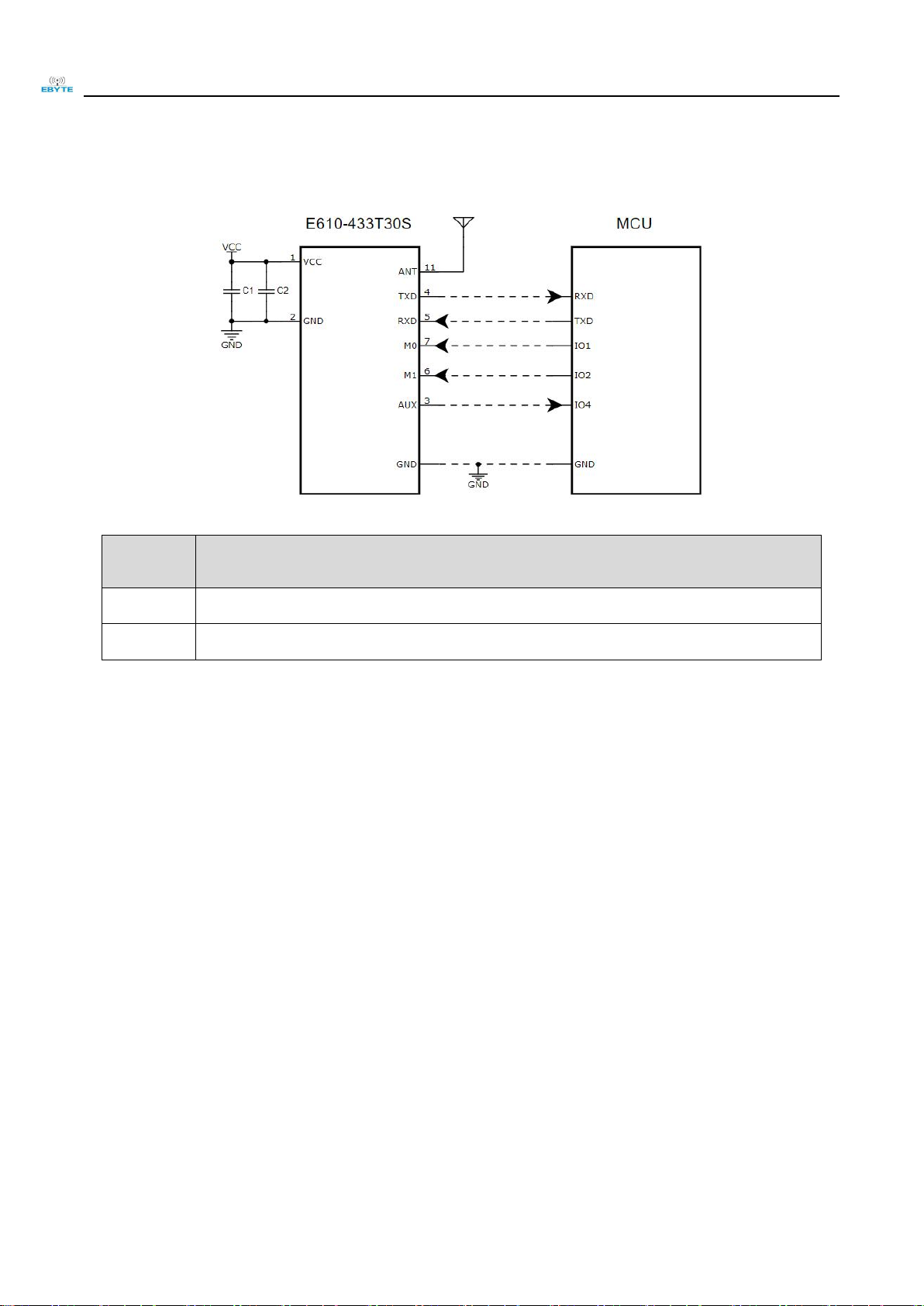
CHAPTER Ⅳ RECOMMENDATION LINE DIAGRAM....................................................................................... 8
CHAPTERⅤ DETAILED FUNCTIONS .......................................................................................................... 9
5.1FIXED POINT TRANSMISSION ......................................................................................................................................................................9
5.2 BROADCASTING TRANSMISSION ..................................................................................................................................................................9
5.3 BROADCASTING ADDRESS .........................................................................................................................................................................10
5.4 LISTENING ADDRESS .............................................................................................................................................................................. 10
5.5 MODULE RESET........................................................................................................................................................................................10
5.6 AUX DETAILED DESCRIPTION................................................................................................................................................................10
5.6.1 Serial port data output indicator.........................................................................................................................10
5.6.2 Radio transmission indication.................................................................................................................................. 10
5.6.3 The module is being configured................................................................................................................................11
5.6.4 Module power-on initialization process............................................................................................................. 11
5.6.5 Module mode switching process.................................................................................................................................. 12
5.6.6 Notes..........................................................................................................................................................................................12
CHAPTER VI WORKING MODE.....................................................................................................................13
6.1 MODE SWITCHING ....................................................................................................................................................................................13
6.2 CONTINUOUS TRANSMISSION MODE (MODE 0)...................................................................................................................................... 14
6.3 GENERAL TRANSMISSION MODE (MODE 1)........................................................................................................................................... 14
6.4 USER CONFIGURATION PATTERN (MODE 2).........................................................................................................................................14
6.5 DEEP-SLEEP MODE(MODE 3)............................................................................................................................................................15
CHAPTER Ⅶ REGISTER READ AND WRITE CONTROL............................................................................ 15