Eaton Jockey XTJP Manual de usuario










Este manual sirve para los siguientes modelos
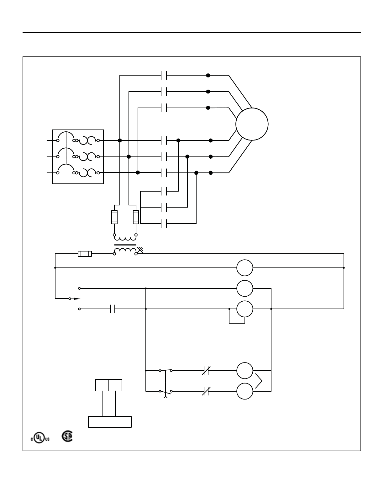
1
Tabla de contenidos
Otros manuales de Controladores de Eaton

Eaton
Eaton CDAU-01/04 Manual

Eaton
Eaton ELCM Series Manual de usuario

Eaton
Eaton DS7 Series Manual de usuario

Eaton
Eaton LMR PLUS Manual de usuario

Eaton
Eaton COOPER POWER SERIES Manual de usuario

Eaton
Eaton CGLine+ Instrucciones de funcionamiento y mantenimiento

Eaton
Eaton COOPER POWER SERIES Manual

Eaton
Eaton CGLine+ Web Controller Instrucciones de funcionamiento y mantenimiento

Eaton
Eaton SC300 Manual de usuario

Eaton
Eaton xComfort CHSZ-12/04 Manual de usuario

Eaton
Eaton CDAU-01/04 Manual de usuario

Eaton
Eaton xComfort CSAU-01/01-10 Manual de usuario

Eaton
Eaton Cuttler-Hammer Digitrip 1150V Manual de usuario

Eaton
Eaton OPTE9 Manual de usuario

Eaton
Eaton EM4-201-DX2 Manual de usuario

Eaton
Eaton ELC-PB Manual del propietario

Eaton
Eaton XC-CPU121-2C256K Manual

Eaton
Eaton ELCM TC Series Manual de usuario

Eaton
Eaton xComfort CHCA-00 Manual de usuario

Eaton
Eaton DE1-12 Series Manual





















