Atmel AVR AT90S2323 Manual de usuario
Otros manuales de Microcontrolador de Atmel

Atmel
Atmel AT91SAM9 Instrucciones de instalación y funcionamiento

Atmel
Atmel SAM G55 Xplained Pro Manual de usuario

Atmel
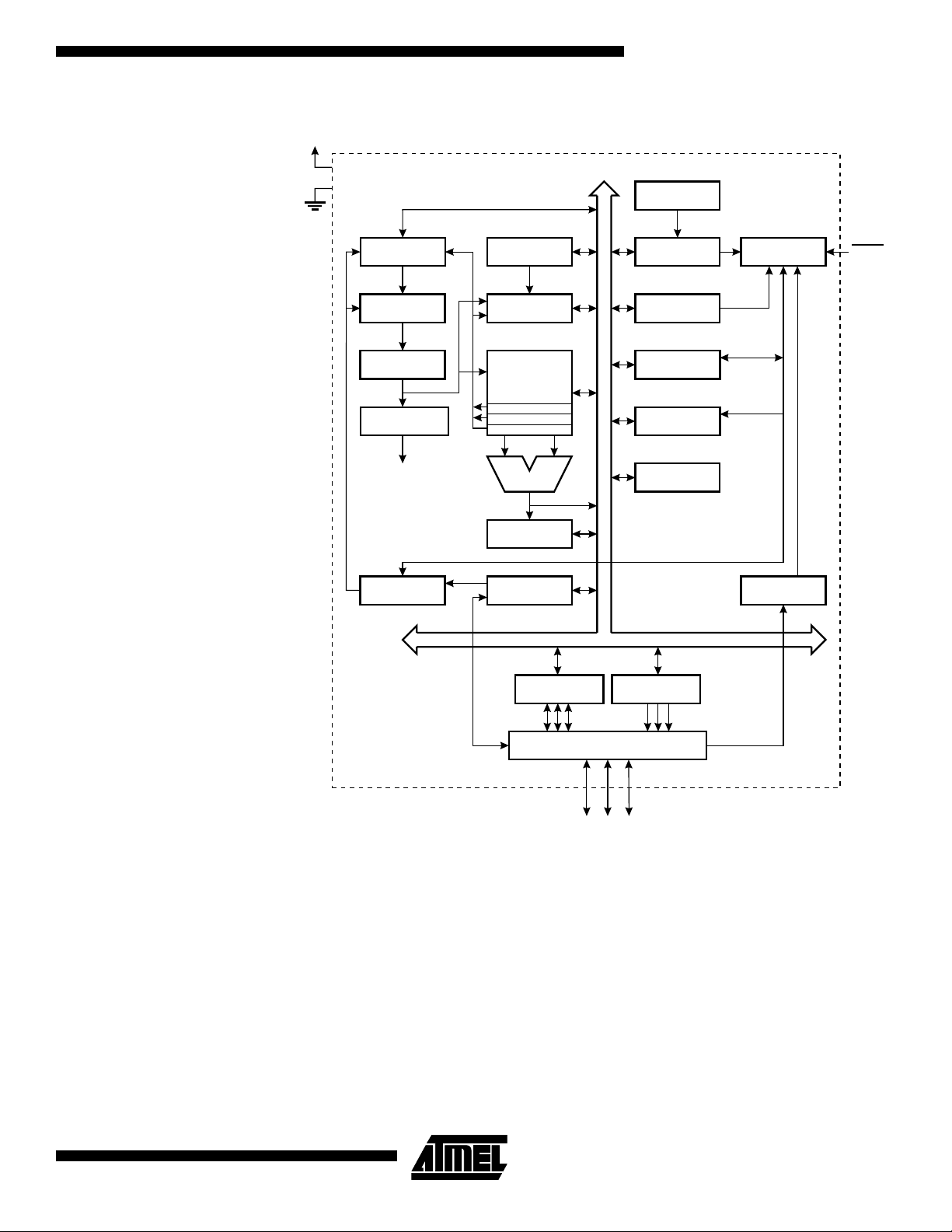
Atmel AVR180 Instrucciones de instalación y funcionamiento

Atmel
Atmel AT89STK-09 Manual de usuario

Atmel
Atmel AVR1921 Instrucciones de instalación y funcionamiento

Atmel
Atmel SAM4SD32B Manual de instrucciones

Atmel
Atmel ATmega161 Manual de usuario

Atmel
Atmel AVR ATtiny15L Manual del propietario

Atmel
Atmel AVR8015 Instrucciones de instalación y funcionamiento

Atmel
Atmel AT90USB162 Manual de usuario

Atmel
Atmel AT90S2313 Manual de usuario

Atmel
Atmel ATmega328PB Xplained Mini Instrucciones de instalación y funcionamiento

Atmel
Atmel AVR ATmega103 Manual de usuario

Atmel
Atmel AVR32918 Manual de usuario

Atmel
Atmel AT88CK101BK8 Manual de instalación

Atmel
Atmel AT89C5131A-L Manual de usuario

Atmel
Atmel AT32UC3 Series Instrucciones de instalación y funcionamiento

Atmel
Atmel develer DevelBoard Blue Guía rápida de usuario

Atmel
Atmel ATtiny104 Xplained Nano Manual de usuario

Atmel
Atmel ATtiny26 Manual de usuario
Manuales populares de Microcontrolador de otras marcas

AMS
AMS AS7261 Demo Kit Manual de usuario

Novatek
Novatek NT6861 Manual de usuario

Espressif Systems
Espressif Systems ESP8266 SDK Guía de configuración

Nuvoton
Nuvoton ISD61S00 ChipCorder Guía

STMicrolectronics
STMicrolectronics ST7 Assembler Linker Manual de usuario

Texas Instruments
Texas Instruments Chipcon CC2420DK Manual de usuario

Lantronix
Lantronix Intrinsyc Open-Q 865XR SOM Manual de usuario

NEC
NEC 78GK0S/K 1+ Series Instrucciones de instalación y funcionamiento

Mikroe
Mikroe SEMITECH N-PLC Click Instrucciones de instalación y funcionamiento

Intel
Intel Agilex Manual de usuario

Cypress
Cypress CY4607 HX2VL Manual de usuario

DIGITAL-LOGIC
DIGITAL-LOGIC MICROSPACE Manual de usuario

Texas Instruments
Texas Instruments TMS320F2837 D Series Manual de usuario

CYPRES
CYPRES CY14NVSRAMKIT-001 Manual de usuario

Texas Instruments
Texas Instruments INA-DUAL-2AMP-EVM Manual de usuario

Espressif Systems
Espressif Systems ESP8266EX Instrucciones de funcionamiento

Abov
Abov AC33M8128L Manual de usuario

Laird
Laird BL654PA Manual de usuario













