"SUNMAX" is a laser engrave machine that concentrates
high technology over wide ranges such as a computer
laser auto control systems and precision instruments
and was manufactured. The sculpture of various designs
can be given to various materials such as acrylic fiber
ceramics plastics and woods by the personal computer in
which Windows 2000/XP is installed with control
software "
■SUNMAX Laser Engrave machine
1 Overview
This "SUNMAX laser engrave machine" can obtain a steady performance in a lot
of fields such as marking, the art craft goods, and handmade craft goods to
making and an electronic base of an advertising thing. Moreover, only because
it is that the high energy laser light comes in contact with the material,
marking and cutting into an impossible part are enabled to the bottom of the
space with a narrow ultra thin material, thick material, and material with
ruggedness in the equipment that uses a past processing blade.
■It is possible to use it in various fields.
・Use example
1.Stamp industry
Can it be appended to this product, and the rubber stamp and the infiltration sign be made with the special
software that can work of design a design of a standard Japanese‑aza and the alphabet and unique characters,
and sculpture the character and the figure converted into BMP file to the surface of the material in the
ruggedness.
2.Advertisement and decoration industry
Various crest, picture, and characters can be carved for the glass board, an acrylic board, wood, the cork,
and paper, etc. , and the cutting character, the coaster, and the business card etc. of a nameplate, a
commemoration escutcheon, a door plate, and an acrylic board make the product with which the originality
overflows.
3.Electronic industry
This product can ..precise line.. beautifully mark products such as a semiconductor parts and nonmetal
electronic parts by using the laser light. A delicate cutting marking to a difficult, soft material and the
material, etc. damaged easily is possible in the processing machine that uses the processing blade. Moreover,
because the output can adjust a no stage, the precision instrument is not broken. A small amount is suitable
for production.
It is possible to sculpture to a lot of materials such as acrylic fiber
ceramics plastics, woods, the rubber silicon anodized aluminum glass,
leathers, paper, and the painted metals.
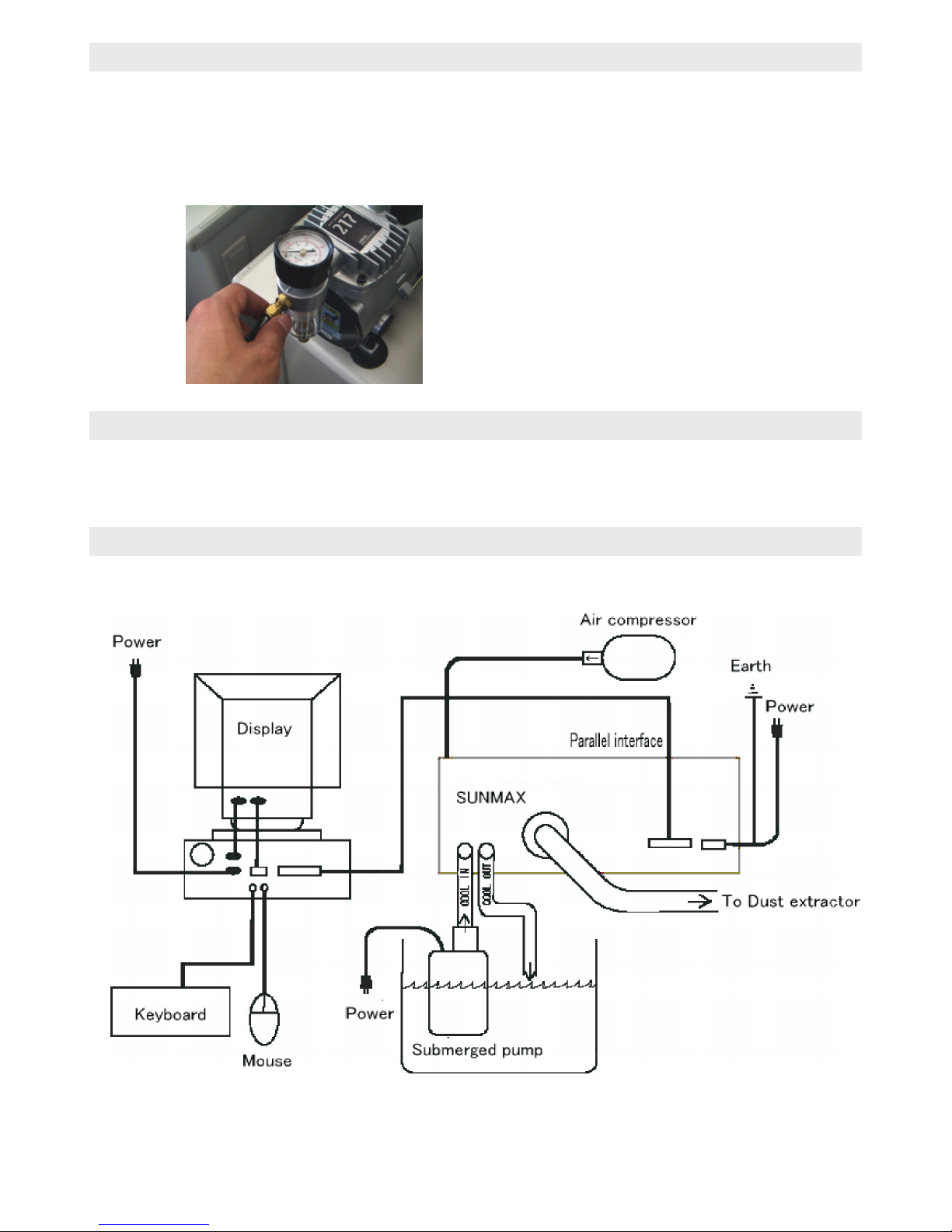
The flame goes up by high energy of the laser light when a combustible
material is processed. It is necessary to spray air in the processing part
so as not to damage non‑processing part by the flame and to erase the flame.
It is equipped with the putting out system that enables the processing to
the material that burns easily by a full set of Sunmax.
■Sculpture to various materials