Sony Ericsson Automatic meter reading with M bus Instrucciones de instalación y funcionamiento
Otros manuales de Software de Sony Ericsson

Sony Ericsson
Sony Ericsson Simple Telemetry Application Instrucciones de instalación y funcionamiento

Sony Ericsson
Sony Ericsson CM52 Manual de usuario

Sony Ericsson
Sony Ericsson Dual SIM connection Instrucciones de instalación y funcionamiento

Sony Ericsson
Sony Ericsson Label Make II Hoja de instrucciones

Sony Ericsson
Sony Ericsson SplashPhoto 4.0 Manual de usuario

Sony Ericsson
Sony Ericsson Controller Mode Instrucciones de instalación y funcionamiento

Sony Ericsson
Sony Ericsson GT47 Instrucciones de instalación y funcionamiento

Sony Ericsson
Sony Ericsson GPRS and TCP-IP with the SEM GSM modules Instrucciones de instalación y funcionamiento

Sony Ericsson
Sony Ericsson RC function Instrucciones de instalación y funcionamiento

Sony Ericsson
Sony Ericsson RS232 interface for GT47 embedded apps UART Instrucciones de instalación y funcionamiento

Sony Ericsson
Sony Ericsson Embedded Applications Instrucciones de instalación y funcionamiento

Sony Ericsson
Sony Ericsson Speakerphone/car kit hands free design Instrucciones de instalación y funcionamiento

Sony Ericsson
Sony Ericsson Construction of SMS PDU's Instrucciones de instalación y funcionamiento

Sony Ericsson
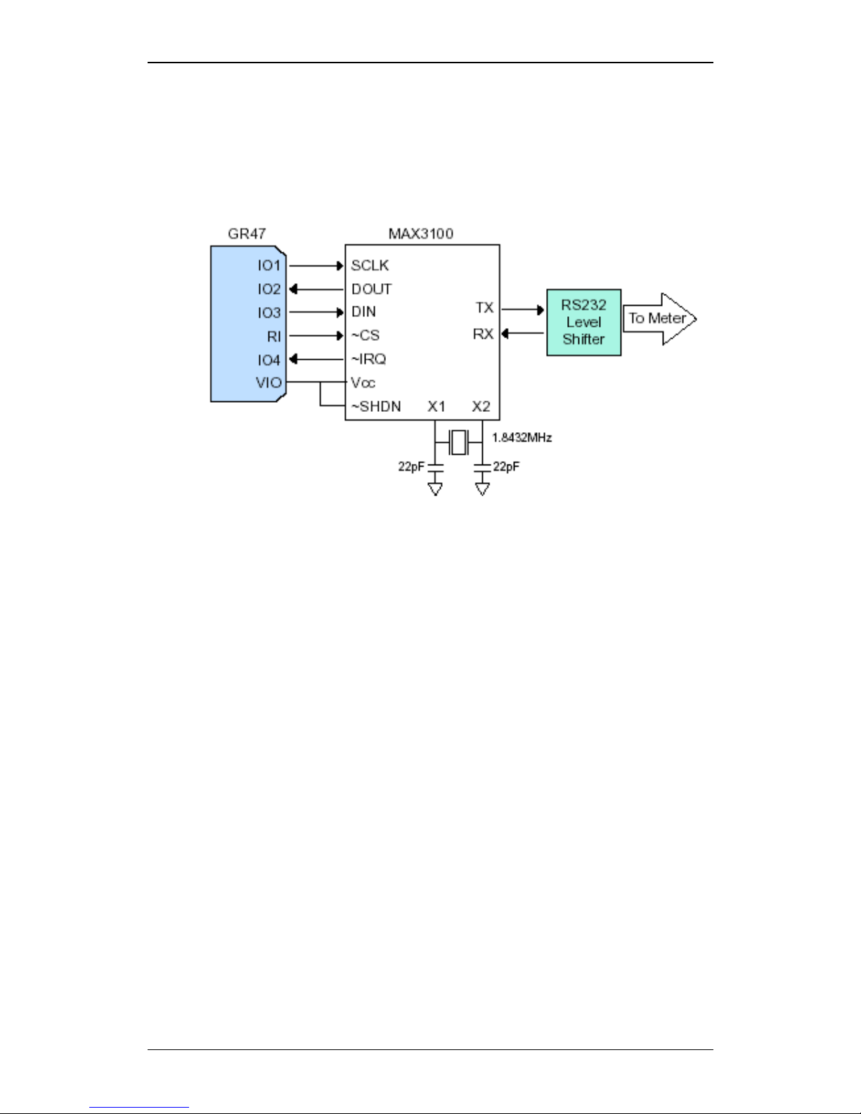
Sony Ericsson GR47 Instrucciones de instalación y funcionamiento

Sony Ericsson
Sony Ericsson RC function Instrucciones de instalación y funcionamiento

Sony Ericsson
Sony Ericsson Fixed Cellular Telephone Instrucciones de instalación y funcionamiento

Sony Ericsson
Sony Ericsson DCU-10 Manual de usuario

Sony Ericsson
Sony Ericsson GM47 Instrucciones de instalación y funcionamiento

Sony Ericsson
Sony Ericsson K500i Manual del propietario
Manuales populares de Software de otras marcas

PS Audio
PS Audio PowerPlay Manual del propietario

Brady
Brady LOCKOUT PRO 3.0 Manual de servicio

Avaya
Avaya Interaction Center Manual de usuario

Texas Instruments
Texas Instruments TI-83 Plus Silver Edition Manual

Novell
Novell GROUPWISE 8 - INTERNET AGENT Manual de usuario

Oracle
Oracle Application 9i Manual de usuario

Acer
Acer RDM Manual de usuario

Canon
Canon Vixia HF21 Manual de usuario

Canon
Canon ZR950 Manual de usuario

Samsung
Samsung Auto Backup Manual de usuario

Polycom
Polycom Vortex EF2201 Instrucciones de instalación y funcionamiento

Brocade Communications Systems
Brocade Communications Systems Brocade 8/12c Manual de usuario















