
6 | SAMLEX AMERICA INC. SAMLEX AMERICA INC. | 7
• EVO-RC-PLUS Remote Control is required to adjust any of the programmable
parameters to customize its functionality to your specic requirements. For all
programming instructions, please refer to the Owner's Manual for Remote Control
EVO-RC-PLUS.
• If the factory defaults are adequate for your requirements or once parameters are
adjusted to meet your requirements, it is not necessary to keep the EVO-RC-PLUS
attached to the EVO-4248SP Inverter/Charger to maintain functionality.
• If the user would like to have the EVO-RC-PLUS Remote Control installed, there is a
1:1 wall cutout template in the EVO-RC-PLUS box for a ush mounted installation with
basic installation instructions.
WARNING!
If there are any items in Sections 1, 2 or 3 of the Owner’s Manual that you do not understand, do not attempt to
install the unit yourself. For a safe and code compliant installation, please consult a Certied Electrician that is
familiar with Local and National electrical codes.
All electrical systems both DC and AC must be disconnected from the source during the installation. Use of
isolated tools is recommended.
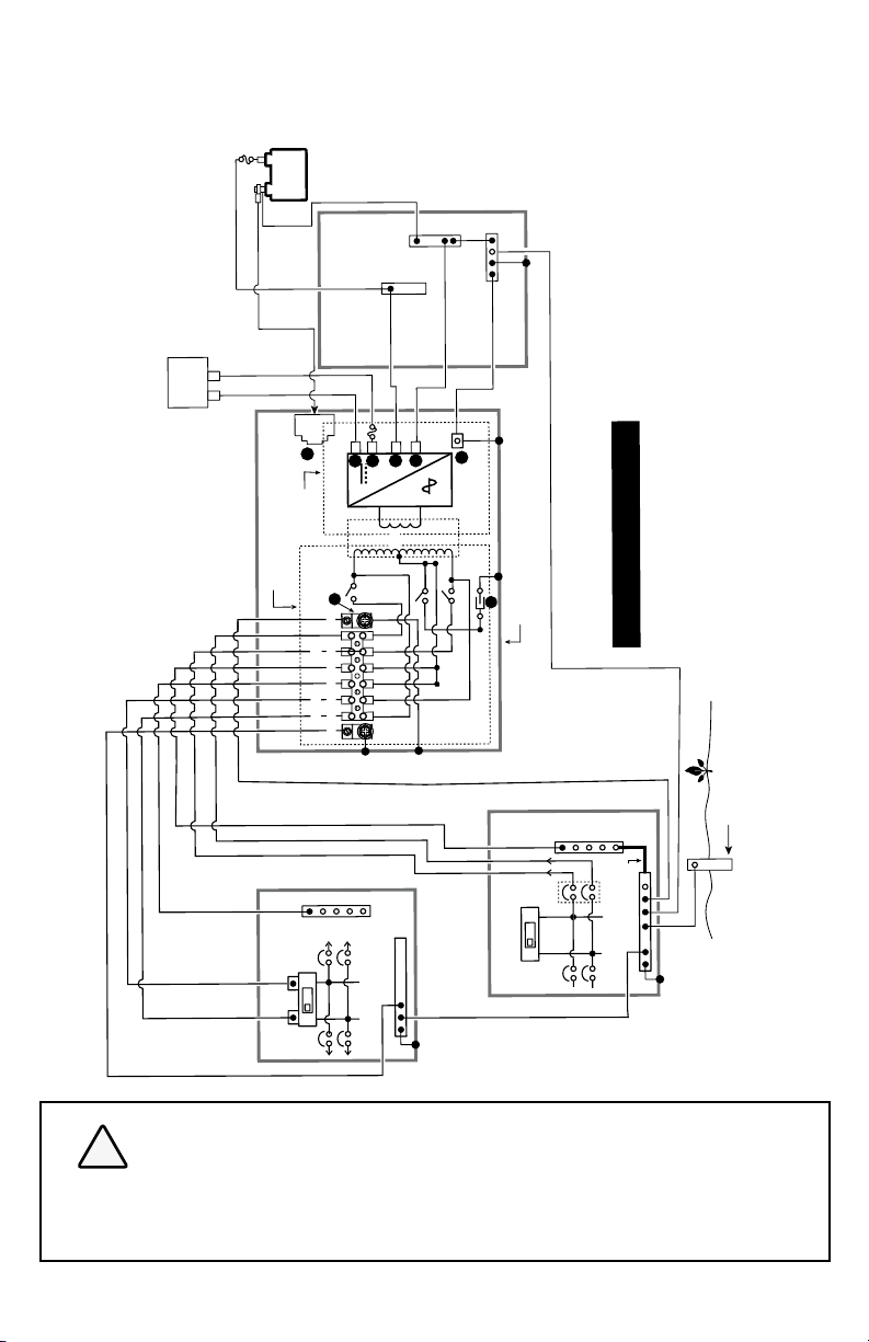
8. You are now ready to install the EVO-4248SP Inverter/Charger
• Re-read Section 3 of the Owner’s Manual
• Mount the EVO-4248SP in the planned location
• Mount, cable, and attach the optional EVO-RC-PLUS Remote Control, if desired
• Install AC Input and AC output wiring and breakers
• Install the battery bank in the planned conguration
• Connect the battery bank to the EVO-4248SP Inverter/Charger
• Recheck all wiring, grounding, and connections
9. If all wiring, grounding, and connections are correct, complete the installation
• Tighten cable glands
• Install DC terminal covers
• Replace AC access cover
• Place DC fuse in fuse holder. When placing this fuse, a spark can occur.
• Switch on the DC
• Switch on the AC
10. Switch on the EVO-4248SP Inverter/Charger.
Refer to Section 6 starting at page 101 of the EVO-4248SP Owner’s Manual
• Press and hold the ON/OFF Button.
• Green LED labeled “ON” will ash 3 times, will go off momentarily, then resume
ON steady. Now release the ON/OFF Button (This procedure takes around 2 sec).
• If the EVO-4248SP does not start immediately, switch OFF the DC and AC power.
• Investigate the cause of the malfunction by referring to “Fault Messages and
Troubleshooting Guide” in Table 7.1 of Section 7 of Owner's Manual for Remote
Control EVO-RC-PLUS.
EVO-4248SP INVERTER/CHARGER | Quick Start Guide