
ELITE Remote control System
ELITE Remote control SystemELITE Remote control System
ELITE Remote control System
DS-ELITE-2 PAGE 5
Advanced operation
The ELITE system comes with one transmitter, this is already SYNC’ed and will
operate the system out of the box.
To AUTO SNYC a new transmitter
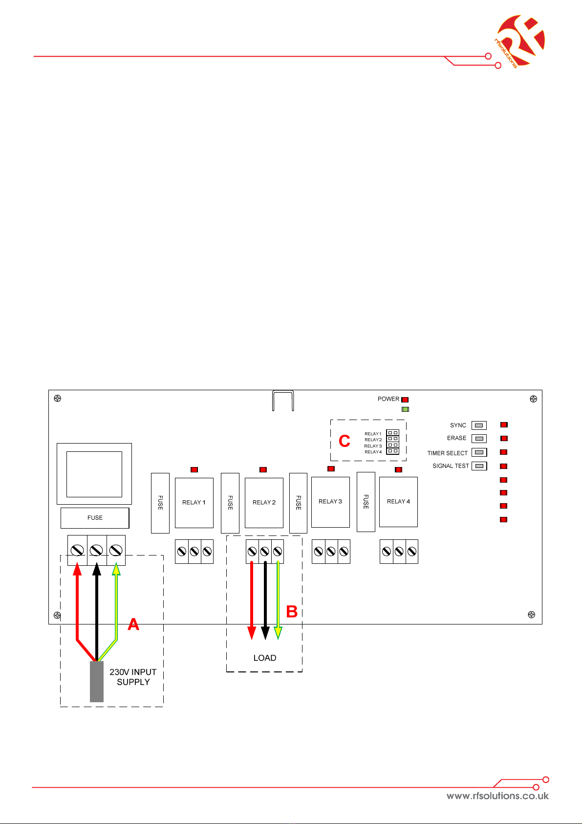
1. To SYNC a new ELITE handheld transmitter to the receiver box - simply press the SNYC button on the
ELITE receiver board. (see page 3 for button locations)
2. The ELITE receiver will flash all of its relay output LEDs at a high rate to show that it is ready for
AUTO-SYNC.
3. Press ANY button on the transmitter handheld that you wish to SNYC to the receiver.
4. All flashing LEDs will go out, LED 8 will flash quickly for 2 seconds then go out.
. The ELITE receiver will then exit SYNC mode and return to normal operating mode - you may now use
the transmitter to switch the outputs.
MANUAL SYNC individual transmitter buttons (advanced)
1. To SYNC a specific ELITE handheld transmitter button to a specific output on the ELITE receiver box -
press the SNYC button on the ELITE receiver board. (see page 3 for button locations).
2. The ELITE receiver will flash all its relay output LEDs at a high rate to show that it is ready for SYNC.
3. Press the SYNC button again - the ELITE receiver will flash output LED 1 only - this is showing that out-
put 1 is selected. Pressing the SYNC button again will select output 2 and so on to output 4.
4. Once you have selected the required output (that output LED only is flashing) press the SPECIFIC
button on the transmitter handheld that you wish to SNYC to the receiver.
. The flashing LEDs will go out, LED 8 will flash quickly for 1 second then go out.
NOTE: After a successful pairing the Elite-RX will exit SYNC mode automatically.
You cannot perform a SYNC ALL and a MANUAL SYNC on a single transmitter.
Erasing ALL transmitters:
1. Open the case and apply power
2. Press and hold the ERASE button for 10 seconds
3. All relay LEDs flash together and then go out
4. Erase complete, you can now follow the pairing process to pair your transmitters to the receiver.
ERASE Individual Transmitters:
1. Open the case and apply power
2. Press and release the ERASE button
3. The LED next to ERASE should remain lit and all relay LEDs will be flashing
4. Press any button on the transmitter to be erased
. All output LEDs will go out to show that the transmitter has been erased
6. The ELITE will exit to normal operating mode
Erasing ALL Timers:
1. Open the case and apply power
2. Press and hold the TIMER button for 10 seconds,
3. A single relay LED will be flashing
4. When all Relay LED flash together and then go out the timer erase process is complete.
. All relays will operate as per their jumper settings.
NOTE: Setting a timer OVERIDES all momentary or Latching on board link settings.
Continued overleaf...