
128-6531
3 of 24
THE RECEIVER/ANTENNA ASSEMBLY:
The Superheterodyne Receiver Antenna Assembly provided with this unit allows routing from below the
dash board for maximum operating range. Choose a location above the belt line (dashboard) of the vehicle
for best reception. Special considerations must be made for windshield glass as some newer vehicles
utilize a metallic shielded window glass that will inhibit or restrict RF reception. In these vehicles, route the
antenna toward a rear window location for best reception. Secure the antenna with double stick tape
provided. After securing the antenna with tape, we advise also securing a section of the antenna cable to a
fixed support. This will prevent the antenna from dropping down in case the double stick tape is exposed to
extreme heat which may loosen it's gummed surface. Route the 3 pin connector toward the control module
using caution not to pinch the cable as this will cause poor or no RF reception to the control module.
VALET/PROGRAM/MANUAL OVERRIDE SWITCH :
Select a mounting location that is easily accessible to the operator of the vehicle. It is not necessary to
conceal the switch. However, concealment is recommended as it offers a higher level of security. The
switch can be mounted to the lower dash panel in the driver's area. Inspect behind the chosen location to
insure that adequate clearance is allowed for the body of the switch, and also that the drill will not penetrate
any existing factory wiring or fluid lines. Drill a 5/32" hole in the desired location and mount the switch by
passing it through the panel from the underside. Secure the switch using the nut and star washer. Route
the switch's connector toward the control module.
NOTE: During the program sequence, there are times when this switch and the ignition switch will be used
simultaneously. We recommend that the push-button switch be mounted on the left side of the ignition switch to
facilitate this operation.
CONTROL SWITCH:
Select a mounting location known and accessible to the operator of the vehicle. A lower dash panel, kick
panel, or glove box is desirable. Inspect behind the chosen location to insure that adequate clearance is
allowed for the body of the switch, and also that the drill will not penetrate any existing factory wiring or fluid
lines. Drill a 1/4" hole in the desired location and mount the switch by passing it through the panel from the
underside. Secure the switch using the nut, star washer, and on/off face plate. It is suggested that the
switch be oriented to allow the on position to be up toward the driver and the off position to be down or away
from the driver. Route the switch's connector toward the control module.
SHOCK SENSOR:
Select a centrally located, solid mounting surface for the shock sensor that will allow consistent operation
fromall areas of the vehicle. Theselected location must bewithin18" of the controlmoduleto allow routing
and connecting of the 4 pin harness. Secure the shock sensor to the chosen location using two #8 self
tapingsheet metal screws. Thesensor can alsobesecured to anexisting dash braceusingcable tie straps.
Whichever mounting method is used be sure to allow access to the sensitivity adjustment potentiometer for
use later in the installation.
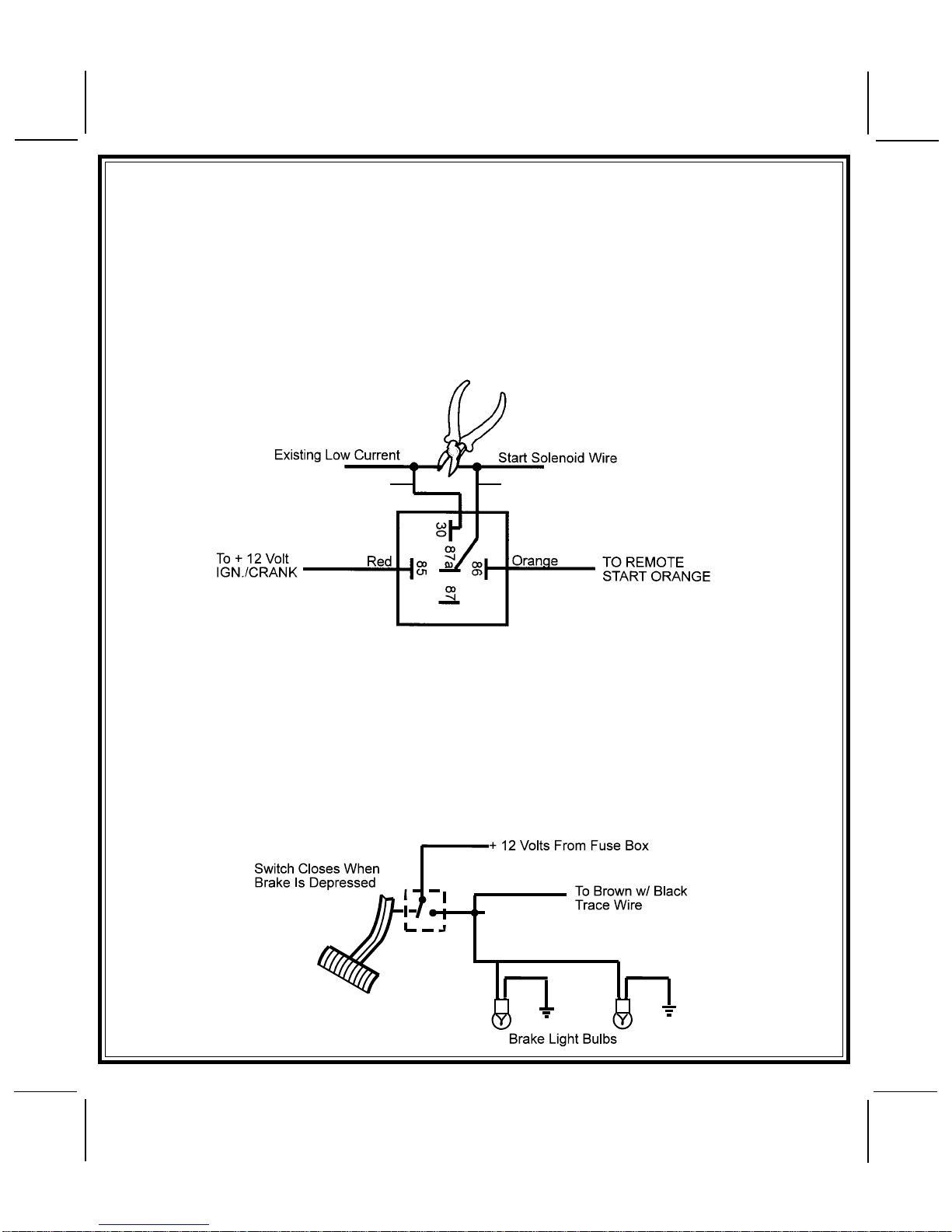
STARTER INHIBIT RELAY:
Selecta mounting locationwithin 12" of theignition switch's lowcurrent start solenoidwire. Securethe relay
to an existing harness in the chosen location using a cable tie around the relay's wiring harness. Caution!
Do not wire tie the metal bracket to an existing wiring harness as vibration may cause chaffing and shorting
damaging the factory wiring. If an existing harness is not available then secure the relay's metal mounting
tab to an under dash metal brace with a #8 self taping sheet metal screw. Wire the relay as per the diagram
found later in this manual.
The APS-785 is to be used in vehicles with AUTOMATIC TRANSMISSIONS only! Although this combination
Alarm/RemoteStart unit isasophisticated system withmany advanced features, IT MUST NOT beinstalled
into a vehicle with a manually operated transmission. Doing so may result in serious personal injury and
propertydamage. IMPORTANT!
DONOT PLUG THE SIX PINMAINPOWER HARNESS OR THEMULTI PIN INPUT /OUTPUT HARNESS
INTO THE CONTROL MODULE UNTIL ALL CONNECTIONS TO THE VEHICLE HAVE BEEN MADE.
AFTER SELECTING YOUR TARGET WIRES AS DEFINED BELOW, DISCONNECT THE NEGATIVE
BATTERY CABLE FROM THE VEHICLE BATTERY PRIOR TO MAKING ANY CONNECTIONS.
3