
Confidential Copyright © 2010 Nokia Only for training and service purposes
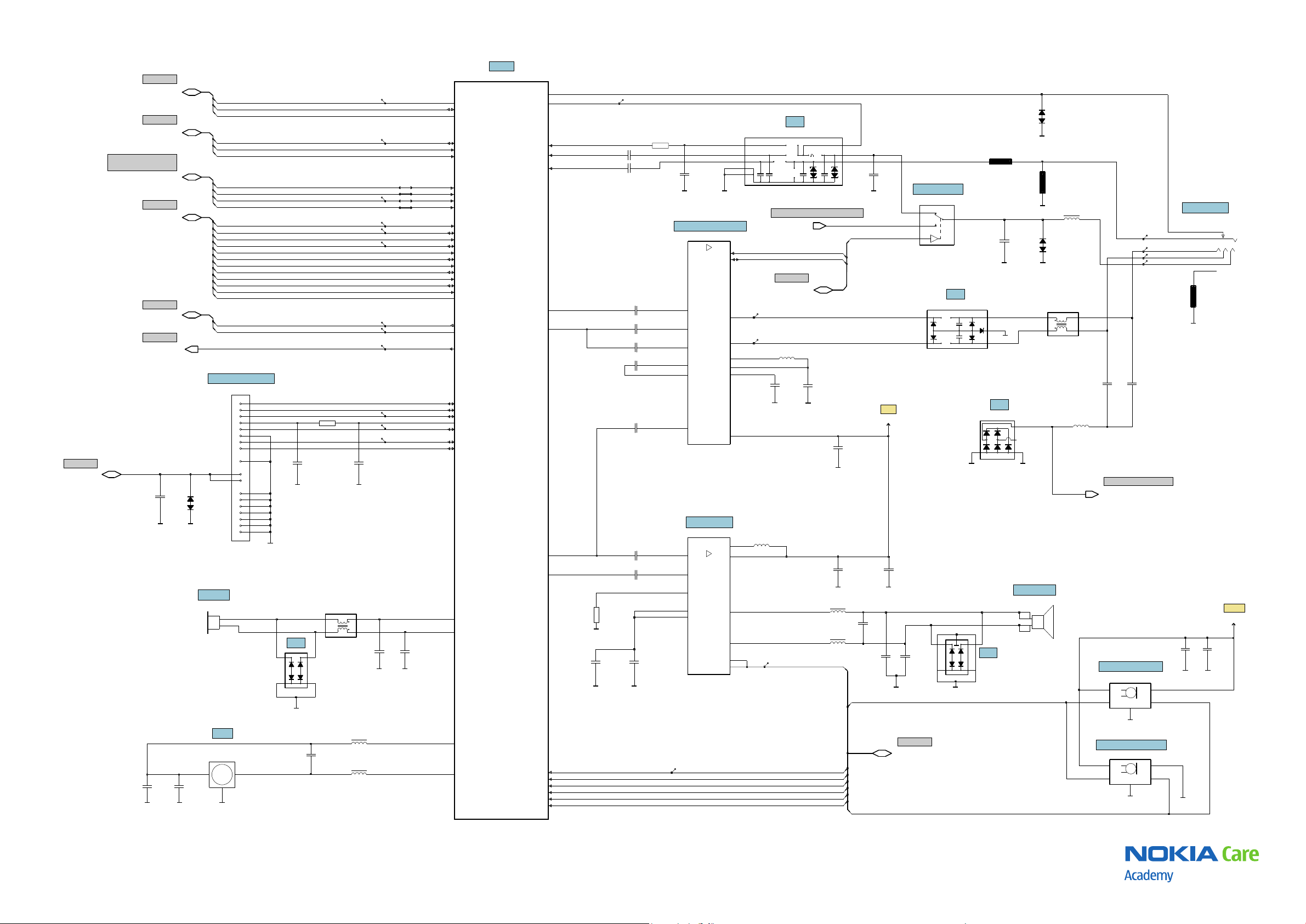
Page 3 (11) | RAPS, Imaging processor, Display IF, Touch IF, HDMI | N8-00 RM-596 | Board: 3CE_14 | v1.0 | 15.07.2010
120R/100MHz
L1600
C1601
56p
C1600
100n
Y15
CBusClk
CBusEn1X AB17
AA16
CBusDa
0
1
2
AB14 CCPDaP1
J2800
J2801
G3
RFClkP
RFClkN G2 1
0
RFCLK(1:0)
GPS(15:0)
CBUS(3:0)
DSI1_CLKP
DSI1_CLKN
DSI1_DP0
DSI1_DN0
TE
RES
VSEL
VDDI
VPNL
VPNL
VPNL
VPNL
56p
C1606
GND
Z1601
Z1600
5
6
7
8
9
12
13
14
15
16
17
18
19
2
20
3
4
X1600
1
10
11
GND
GND
56p
C1603
2u2
C1602
GND
22u
C1607
GND
VBAT
L1602
120R/100MHz
L1601
120R/100MHz
R1601
100R
R1600
100R
56p
GND
GND
56p
C1605
C1604
GPIO33
L5
GPIO37
L6
V20 DSI1_DP0
DSI1_CLKP
D1400
V21
DSI1_DN0
U20
DSI1_CLKN
U21
HD1 F9
K3
HD14 K6
HD15
K8
HD13
HD7 H8
J1
HD11 J10
HD12
J2
HD10
HD6 H2
H3
HD5
HWR_N H6
G1
HD4
HD3 G10
HD0 G2
H1
HD8 H10
HD9
HRD_N F3
HA0 E1
HAT E10
HD2 F1
J1424
J1416
J1417
B14
J1418
TDMS_CLOCK-
TDMS_DATA1-
SCL
SDA
TDMS_DATA2+
TDMS_DATA2-
TDMS_DATA1+
CEC
TDMS_DATA0+
TDMS_CLOCK+
TDMS_DATA0-
Z1651
B1
B2
B3
C1C2
C3
GND
N1653
A1
A2A3
Z1653
R1650
R1651 18R
18R
Z1652
GND
Z1650
3
4
5
6
7
8
9
10
11
12
13
14
15
16
17
18
19
2
SW1
GND
X1650
1
HDMI_CLK_N
F22
F23 HDMI_CLK_P
HDMI_TX1_N
D23 HDMI_TX1_P
E22 HDMI_TX0_N
E23 HDMI_TX0_P
C23
D22
HDMI_TX2_N
C22 HDMI_TX2_P
5V_POWER
V1657
K
A
GND
J1653
D1653
A2=VIO
B1=GND
HPD
genio43
AA10
U12
genio24
VDDA18V2
D12
A1
A2 A3
B2
B3
C1
C2
C3
N1654
1k75
1k75
100k
GND
A4,A5,A7,A9,A10,A12,A15,A16,A17,A18,A21,AA1,AA14,AA23,AC5,AC6,AC7,AC8,AC13,AC15,B3,B19,C12,
C18,C23,D1,D8,D9,D18,D23,E1,E3,E23,F23,G10,H1,H9,H23,K1,L1,N2,N21,P1,T1,T2,U1,V23,Y23=VIO
H14,H15,J8,J9,J10,J11,J12,J15,J16,K8,L8,L16,M8,M9,M15,M16,N8,N15,P8,R9,R11,R12,R13,R14,R15,R16,T8,T9,T10,T12,T15=VCORE
A13,AA2,AA14,AA20,AA22,AB2,AB5,AB8,AB10,AB13,AC4,AC12,B4,B5,B7,B8,B10,B12,B15,B18,B22,C9,C10,C15,C16,C19,C21,C22,CC17,D14,D17,D21,E2,
E5,F2,F3,F22,G1,G8,G16,H2,H8,H10,H11,H16,H22,J13,J14,K2,K9,K15,K16,K22,L2,L9,L15,M1,N16,P2,P9,P15,P16,P20,R10,T11,T14,T16,U2,U23,Y12=GND
J1652
E2 SCL
D1 SDA
L1652
120R/100MHz
VBAT
L1651
1uH
4u7
C1654
GND
A1
VIN
A2=GND
SW B1
VOUT
B2
C2 EN 1C
FB
N1651
100n
C1657
GND
L1653
120R/100MHz
K A
4u7
C1653
GND
V1656
DAC_B
D18
D19 DAC_TERM_B
15R
R1419
COMP_VIDEO
T22
CCPTX_CLKN
CCPTX_CLKP T23
CCPTX_DN R22
R23
CCPTX_DP
IVE3_HAT_INT genio63
DISPC_VSYNC
100R
R2861
DISPC_HSYNC
R2863
R2862
R2864
R2865
DISPCDataLCD2
DISPCDataLCD3
DISPCDataLCD4
DISPCDataLCD5
DISPCDataLCD6
DISPCDataLCD7
DISPCDataLCD8
DISPCDataLCD9
DISPCDataLCD10
DISPCDataLCD11
DISPCDataLCD12
DISPCDataLCD13
DISPCDataLCD14
DISPCDataLCD0
DISPCDataLCD1
100R
100R
100R
100R
DISPC_DATA_LCD14
Y9 DISPC_DATA_LCD0
DISPC_DATA_LCD7
Y7
Y8
V4 DISPC_DATA_LCD11
W3 DISPC_DATA_LCD13
U3 DISPC_DATA_LCD5
U7 DISPC_DATA_LCD4
DISPC_DATA_LCD10
U8
DISPC_DATA_LCD15
U9
Y4
AA5
AB6
AB7 DISPC_DATA_LCD3
AB3 DISPC_DATA_LCD1
DISPC_DATA_LCD6
AB4
DISPC_DATA_LCD9
AA3
DISPC_DATA_LCD8
AA6
DISPC_PCLK
AA7
AA9 DISPC_DATA_LCD2
DISPC_DATA_LCD12
VDDRAM
H13
1/100n
C2819 C2817
1/100n
C2817
2/100n2/100n
C2818
GND
1/100n
C2818
2/100n
C2819
VCORE
GNDGNDGNDGNDGND
C2811
GND
C2808C2809
GND
C2811
GND GND
C2810
GND
C2809
GND
C2810
GNDGNDGNDGND
C2808C2812C2812 C2815
GNDGNDGNDGND
C2816
GNDGND
C2814 C2814
GND
C2815
2/100n2/100n 2/100n 2/100n2/100n 2/100n2/100n1/100n1/100n 1/100n 1/100n 2/100n1/100n1/100n
GNDGND
1/100n1/100n
C2816 C2806
27p
D2800
100n
C2802
VDDARX
H7 VDDATX
J1 VDDA_ACS
F1
GND GND GND
C2801
100n100n
C2800
VRFC
RFBusClk P4
RFBusEn1X N3
RFBusDa N4 7
6
8
J2805
RFCTRL(11:0)
7
11
8
4
ULPIData2 M22
L21
ULPIData4
ULPIClock
K20
K21
ULPIDir
ULPIData3
H21
ULPINxt
ULPIData1 J20
ULPIData0 J21
H20
ULPIStp G20
E20
ULPIData7
ULPIData6 F20
ULPIData5 F21
10
9
J2813
6
3
0
5
1
2
12
16
genio4
ULPICS
genio52
USB(20:0)
Y13 CCPStrbP1
RUN D12 J1425
U13 CCPStrbN0
CCPStrbP0
U14
CCPDaP0
AA12 CCPDaN0
AA13
R23
EMInt1 EMINT(3:0)
GenIO42 H12 J2850
6
1
4
3
5
2
AGPS_Clk_Req
C1
genio46
GPS_Blanking
GPS_TimeStamp
genio51
GPSResetXC7
J6352
J6366
3
J6355
J6351
7
10
5
0
J6370
J6368
J6369 9
J6353
4
6
8
J6371 11
33R
1
33R
BT(23:0)
BTResetX
HostWakeUp
genio56
genio83
genio84
BTRTS
BTCTS
BTUARTIn
BTUARTOut
BTWakeUp
BTPCMClk
BTPCMSync
BTPCMIn
BTPCMout
genio85
TXA
TXP
G13
GenIO29
GenIO30 C13
GND
VDDSTACK
2u2
R8
C2830
VIO
R2851R2850
3k3
I2C1SCL
I2C1SDA
3k3
VIO
TXC(2:0)
TxCClkG12
TxCClk
6
7
8
VREFN_LINKORXICLK L4
K3
RXQP_LINKORXIQDA0 K4
TXQN_LINKOTXIQDA1 J3
RXQN_LINKORXIQDA1 J4
RXIP_LINKORXIQDA3
H3
TXQP_LINKOTXIQDA0
IREF_LINKOTXIQDA2 H4
J2
RXIN_LINKORXIQDA2
F4
TXIP_LINKOTXICLK
3
5
2
4
14
0
RFCONV(20:0)
IHF_AMP_EN B2 17
DIG_AUDIO(20:0)
2U21
EarDataR
T21
MicData T22
EarDataL T20
PMARP
PMARN R21
AudioClk0 P22
5
3
4
1
0
7
6J2851
33RR2854
DigiMICData
DigiMICClk
genio39
genio72
1
0
ACI(7:0)
ACIRX
RFCLKM
RFCLKP
ACITX
genio31
genio32
R2856
R2860
genio82
genio49
genio48
genio47
genio53
genio50
D20
genio54
W21
T17
R20
R22
N9
G23
G11
G17
D19
D11
D13
B13
P7
M4
M7
L7
0
J6376
R2859 33R
genio77 SPI_MISO
33RR2855 3
8p2
C2850
GND
SPI_Clk
genio74
J6377
J6374
4
1
2
5
J6373
RX2
WLAN(15:0)
SPI_CSX
SPI_MOSI
WLANENABLE
WLAN_IRQ
genio75
genio76
G9
genio73
Y20
V22
P17
N22
AB22
AC10
V20
ExtSysClkReq D10 J2804 6CLK_REQ
BTFM, WLAN, GPS > BOB
RAPUYAMA > Audio clock
BTFM, WLAN, GPS > BOB
3.7V
3.7V
1.1V
1.8V
ASIP
ASIP
HDMI connector
Display connector
Imaging processor
VIO
DC/DC converter
RAPUYAMA
VHDMI_5V0 5.0V *
* HDMI connected
RF part
RF part
RF part
RF part
GAZOO
GAZOO
GAZOO
GAZOO > AV-connector
GAZOO
GAZOO > Audio
GAZOO > USB controller
GAZOO > Charger DC/DC controllers
RAPUYAMA > LED driver
BTFM, WLAN, GPS > GPS module
1.8V
1.8V 1.8V
1
2
2