
LT8611
9
8611fa
For more information www.linear.com/LT8611
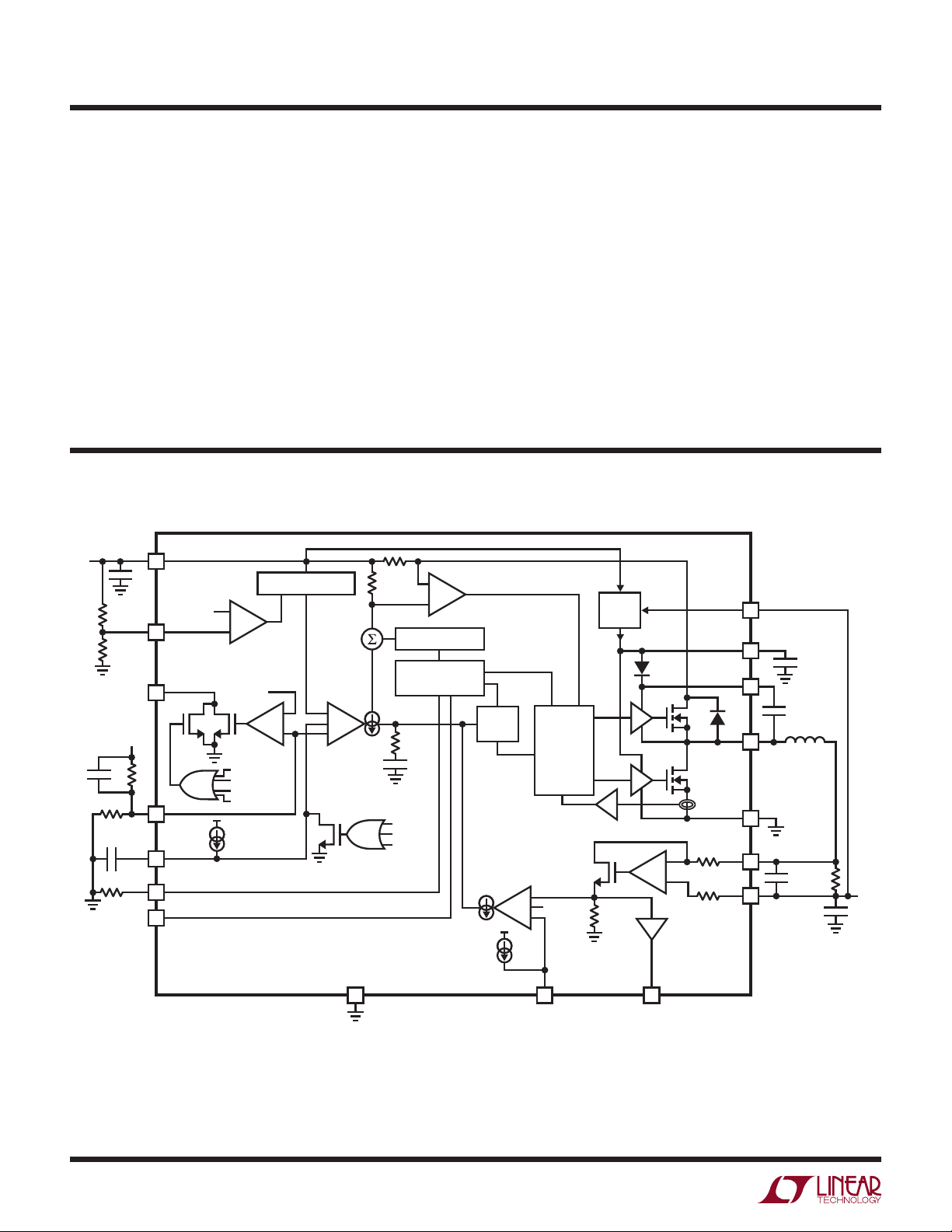
PIN FUNCTIONS
SYNC (Pin 1):External Clock Synchronization Input.
Ground this pin for low ripple Burst Mode operation at low
output loads. Tie to a clock source for synchronization to
an external frequency. Apply a DC voltage of 3V or higher
or tie to INTVCC for pulse-skipping mode. When in pulse-
skipping mode, the IQwill increase to several hundred
µA. When SYNC is DC high or synchronized, frequency
foldback will be disabled. Do not float this pin.
TR/SS (Pin 2):Output Tracking and Soft-Start Pin. This
pin allows user control of output voltage ramp rate during
start-up. A TR/SS voltage below 0.97V forces the LT8611
to regulate the FB pin to equal the TR/SS pin voltage. When
TR/SS is above 0.97V, the tracking function is disabled
and the internal reference resumes control of the error
amplifier. An internal 2.2μA pull-up currentfromINTVCC on
this pin allows a capacitor to program output voltage slew
rate. This pin is pulled to ground with an internal 230Ω
MOSFETduringshutdownandfaultconditions;usea series
resistor if driving from a low impedance output. This pin
may be left floating if the tracking function is not needed.
RT (Pin 3):A resistor is tied between RT and ground to
set the switching frequency.
EN/UV (Pin 4):The LT8611 is shut down when this pin
is low and active when this pin is high. The hysteretic
threshold voltage is 1.00V going up and 0.96V going
down. Tie to VIN if the shutdown feature is not used. An
external resistor divider from VIN can be used to program
a VIN threshold below which the LT8611 will shut down.
VIN (Pins 5, 6):The VIN pins supply current to the LT8611
internal circuitry and to the internal topside power switch.
These pins must be tied together and be locally bypassed.
Be sure to place the positive terminal of the input capaci-
tor as close as possible to the VIN pins, and the negative
capacitor terminal as close as possible to the PGND pins.
PGND (Pins 7, 8):Power Switch Ground. These pins are
the return path of the internal bottom-side power switch
and must be tied together. Place the negative terminal of
the input capacitor as close to the PGND pins as possible.
NC (Pins 9, 10, 11, 12):No Connect. These pins are not
connected to internal circuitry. It is recommended that
these be connected to GND so that the exposed pad GND
can be run to the top level GND copper to enhance thermal
performance.
SW (Pins 13, 14, 15):The SW pins are the outputs of the
internal power switches. Tie these pins together and con-
nect them to the inductor and boost capacitor. This node
should be kept small on the PCB for good performance.
BST (Pin 16):This pin is used to provide a drive voltage,
higher than the input voltage, to the topside power switch.
Placea0.1µF boost capacitor as close as possible to the IC.
INTVCC (Pin 17):Internal 3.4V Regulator Bypass Pin.
The internal power drivers and control circuits are pow-
ered from this voltage. INTVCC maximum output cur-
rent is 20mA. Do not load the INTVCC pin with external
circuitry. INTVCC current will be supplied from BIAS if
VBIAS > 3.1V, otherwise current will be drawn from VIN.
Voltage on INTVCC will vary between 2.8V and 3.4V when
VBIAS isbetween3.0V and 3.6V. Decouple this pin to power
ground with at least a 1μF low ESR ceramic capacitor
placed close to the IC.
BIAS (Pin 18):Theinternalregulatorwilldrawcurrentfrom
BIAS instead of VIN when BIAS is tied to a voltage higher
than 3.1V. For output voltages of 3.3V and above this pin
should be tied to VOUT. If this pin is tied to a supply other
than VOUT use a 1µF local bypass capacitor on this pin.
PG (Pin 19):The PG pin is the open-drain output of an
internal comparator. PG remains low until the FB pin is
within ±9% of the final regulation voltage, and there are
no fault conditions. PG is valid when VIN is above 3.4V,
regardless of EN/UV pin state.
FB (Pin 20):The LT8611 regulates the FB pin to 0.970V.
Connect the feedback resistor divider tap to this pin. Also,
connect a phase lead capacitor between FB and VOUT.
Typically, this capacitor is 4.7pF to 10pF.
ISP (Pin 21):Current Sense (+) Pin. This is the noninvert-
ing input to the current sense amplifier.