1 Introduction
Welcome to Kramer Electronics (since 1981): a world of unique, creative and
affordable solutions to the infinite range of problems that confront the video,
audio and presentation professional on a daily basis. In recent years, we have
redesigned and upgraded most of our line, making the best even better! Our
500-plus different models now appear in 8 Groups
1
, which are clearly defined
by function.
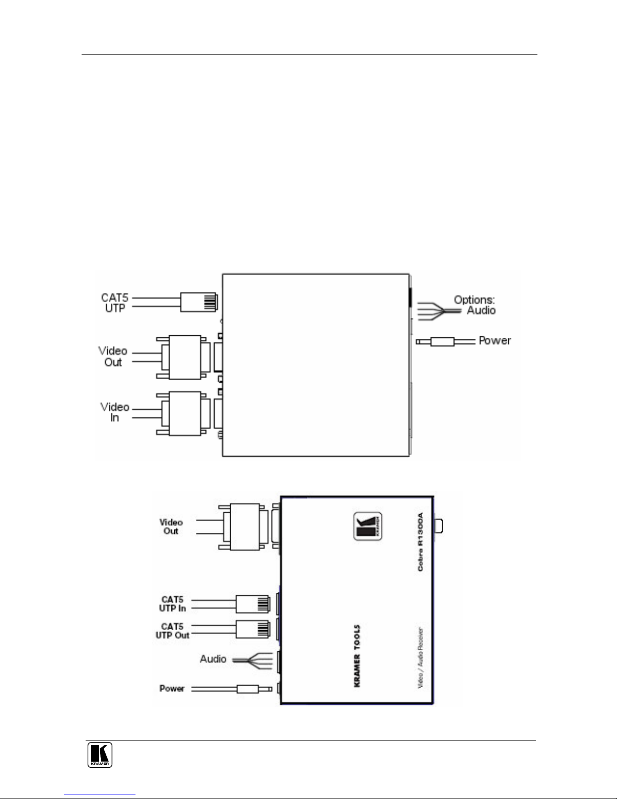
Congratulations on purchasing your Kramer Cobra R1300A Video / Audio
Receiver, Cobra R1300S2 Universal Receiver,and/or Cobra R1300S2M
Universal Receiver. The Kramer Cobra Series System extends video, audio
and serial signals over ordinary Category 5 cable. This manual covers the
Cobra R1300A Video / Audio Receiver, the Cobra R1300S2 Universal
Receiver,and the Cobra R1300S2M Universal Receiver. These units are field
configurable for various video, audio and serial options. See Appendix B for
configuration settings. A versions support video and audio. S2 series feature
video, stereo audio and RS-232 signals on a single CAT 5. In a daisy chain
configuration, the last unit in the daisy chain must be an R1300S2. All
receivers between the transmitter and the last unit must be Cobra R1300S2M
receivers. The R1300A receiver can be used as either a middle unit, or an end
unit.
The Kramer Cobra R1300A Video / Audio Receiver, Cobra R1300S2
Universal Receiver and Cobra R1300S2M Universal Receiver feature
optional integrated skew compensation that can be varied in 2 ns increments
to 65 ns total per color channel to cancel the effects of skew in Category
cables. This feature allows you to use CAT 5e and reduced-skew CAT6
cables to lengths up to 1300ft. For information on the respective transmitter
unit, refer to the appropriate manual included with the transmitter. All models
support refresh rates/resolutions up to 1920 x 1200 @ 60 Hz to 1300 feet (396m).
The package includes the Cobra R1300A Video / Audio Receiver, the Cobra
R1300S2 Universal Receiver, or the Cobra R1300S2M Universal Receiver, an
external power supply, and this user manual
2
.
The Kramer Cobra series products are not compatible with Kramer non-Cobra
series products.
1 GROUP 1: Distribution Amplifiers; GROUP 2: Video and Audio Switchers, Matrix Switchers and Controllers; GROUP 3:
Video, Audio, VGA/XGA Processors; GROUP 4: Interfaces and Sync Processors; GROUP 5: Twisted Pair Interfaces;
GROUP 6: Accessories and Rack Adapters; GROUP 7: Scan Converters and Scalers; and GROUP 8: Cables and Connectors
2 Download up-to-date Kramer user manuals from the Internet at this URL: http://www.kramerelectronics.com