
Electrical diagrams
Document Number: TD-104418/A Order Number: 1H329033/A
1 1
Document Number: TD-104418/A Order Number: 1H329033/A
Electrical diagrams
Table of contents
I. For your safety.................................................................................................. 3
II. Diagrams Spectra S......................................................................................... 5
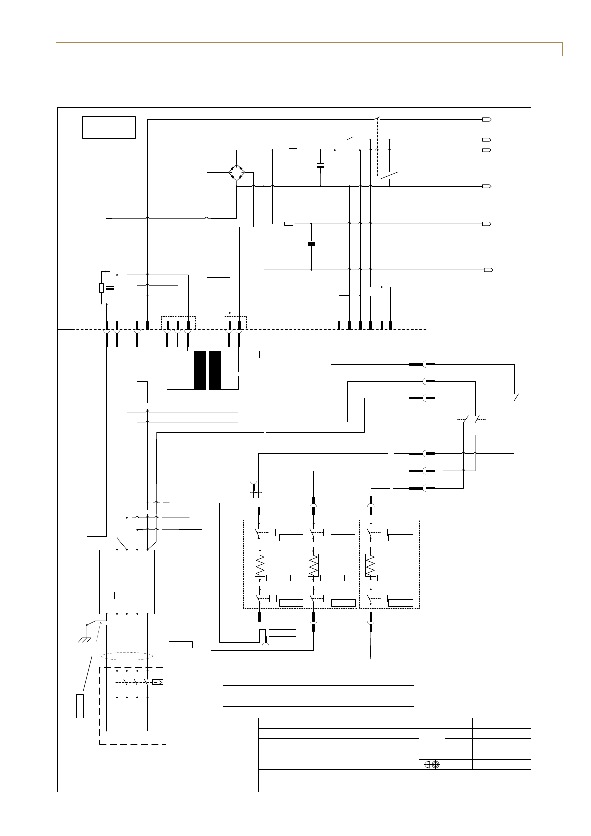
1. Power input 200V, 2L PE, 4.5 kW, 30 A ............................................................................. 5
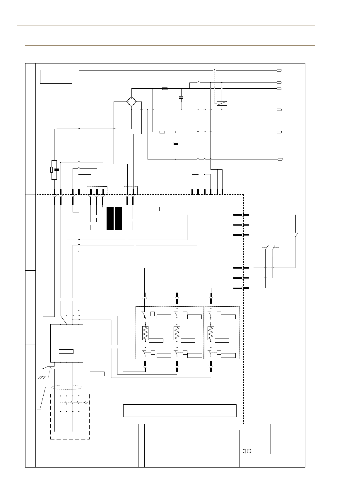
2. Power input 200V, 2L PE, 4.5 kW, 30 A (locked) ................................................................ 6
3. Power input 200V, 3L PE, 4.5 kW, 30 A ............................................................................ 7
4. Power input 200V, 3L PE, 6.3 kW, 30 A ............................................................................ 8
5. Power input 200 - 240 V, 1L N PE, 2.8 - 3.6 kW, 16 A ........................................................... 9
6. Power input 200 - 240 V, 3L PE, 2.35 - 3.6 kW, 16 A ......................................................... 10
7. Power input 200 - 240 V, 3L PE, 4.5 - 6.2 kW, 30 A ........................................................... 11
8. Power input 200 - 240 V, 3L PE, 6.3 - 8.5 kW, 30 A ........................................................... 12
9. Power input 220 - 240 V, 1L N PE, 5.5 - 6.2 kW, 30 A ........................................................ 13
10. Power input 380V, 3LN PE, 8.35 kW, 16 A ................................................................... 14
11. Power input 380V, 3LN PE, 6.1 kW, 16 A ..................................................................... 15
12. Power input 400V, 3LN PE, 6.2 kW, 16 A ...................................................................... 16
13. Power input 400V, 3LNPE, 9.0 kW, 16 A...................................................................... 17
III. Diagrams Spectra X ...................................................................................... 18
1. Power input 200V, 2 L PE, 4.5 kW, 30 A (locked) .............................................................. 18
2. Power input 200V, 3 L PE, 7.0 kW, 30 A........................................................................... 19
3. Power input 200 - 240 V, 3 L PE, 7.0 - 9.2 kW, 30 A............................................................ 20
4. Power input 380 V, 3 L N PE, 8.7 kW, 16 A ........................................................................ 21
5. Power input 400 V, 3 L N PE, 9.2 kW, 16 A ........................................................................ 22
IV. Diagrams Spectra S and X ............................................................................ 23
1. 230 V outputs ................................................................................................................ 23
2. Overview of Basic Spectra/FCS4041 ............................................................................. 24
3. Overview of Vetro CAP ................................................................................................... 25
4. Overview of Vetro CAP 16 .............................................................................................. 26
5. Power PCB 3.xx.............................................................................................................. 27
6. CPU PCB ....................................................................................................................... 28
7. Basic operating PCB....................................................................................................... 29
8. Programming button PCB ............................................................................................... 30
9. CAN bus networking ...................................................................................................... 31
10. Reserve Flavour X25 .................................................................................................... 32
11. Boiler options X13........................................................................................................ 33
12. Boiler module X14/15/16 ........................................................................................... 34
13. Sensors X26, head X6.................................................................................................. 35
14. Brewing unit X37.......................................................................................................... 36
15. Milk X39 ...................................................................................................................... 37