
7700 MultiFrame Manual
7710DCDA-HD Downconverter & Distribution Amplifier
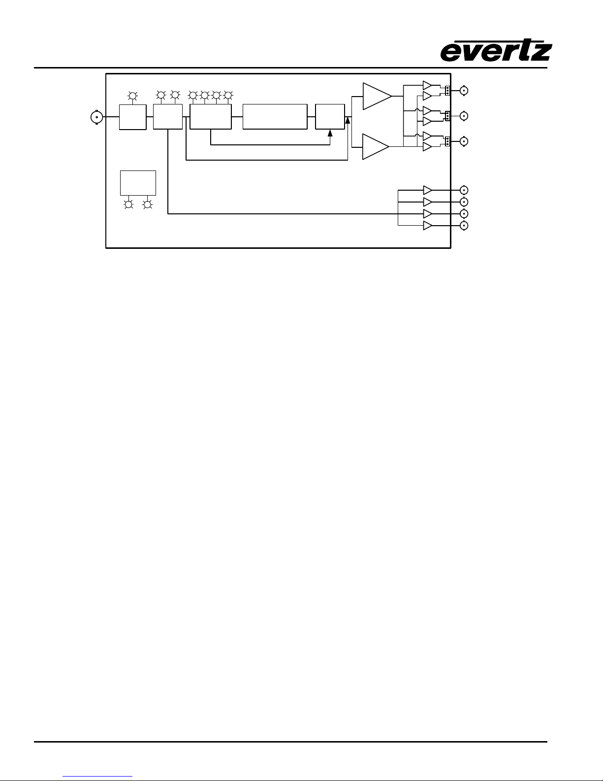
1. OVERVIEW
The 7710DCDA-HD is a reclocking high definition serial digital video distribution amplifier and a high
quality downconverter for 1.5 Gb/s HDTV signals. It can also function as a monitoring distribution amplifier
for standard definition 270 Mb/s signals. The 7710DCDA-HD provides 4 reclocked DA outputs and 3
downconverted SDI or composite analog NTSC/PAL outputs (selectable). The 7710DCDA-HD accepts all
the popular international SMPTE 292M video formats. When the 7710DCDA-HD down converts
1080p/23.98sF input video to 525i/59.94 with a 3:2 pulldown, it inserts extra fields to create a random 3:2
pulldown cadence of the picture content on the downconverted output.
The 7710DCDA-HD has color space conversion from ITU rec. 709 to ITU rec. 601, and will provide
various down converted formats such as 16:9 letterbox, 14:9 letterbox, 13:9 letterbox, 4:3 center crop, and
4:3 anamorphic squeeze. Full 10 bit processing is provided throughout the signal path to achieve
excellent downconversion quality. The module allows for selectable horizontal and vertical filters to control
picture sharpness. It also de-embeds two groups of audio and re-embeds the audio on the SDI output in
time with the video. All parameters may be controlled by use of the on screen display menu.
The 7710DCDA-HD provides card edge LEDs to indicate signal present and audio groups present.
The 7710DCDA-HD occupies one card slots in the 3 RU frame, which will hold up to 15 modules or the
1RU frame, which will hold up to three modules.
Features:
Serial digital 1.5 Gb/s HD input per SMPTE 292M•
•
•
•
•
•
•
•
•
•
•
•
•
Supports most international standards including 1080i/59.94, 1080i/50, 480p/59.94, 480p/60,
720p/59.94, and 1080i/23.98sF
Will also accept 270 Mb/s SD input SDI per SMPTE 259M in a pass through mode – auto senses HD
or SD inputs
4 Reclocked DA outputs (HD if HD inputs applied, SD if SD inputs applied)
3 Selectable SDI or Composite Outputs (downconverted from HD if HD input applied), (from reclocked
SD if SD input applied)
High quality HD -> SD down conversion
Supports 16:9 letterbox, 14:9 letterbox, 13:9 letterbox, 4:3 center crop, and 4:3 anamorphic squeeze
aspect ratio conversions.
1080p/23.98sF conversion to 525i/59.94 with 3:2 pulldown sequence (random cadence)
HD to SD colour space conversion (ITU rec. 709 to ITU rec. 601)
On screen display used to configure the operating modes
De-embeds Audio from HD video and embeds into standard definition SDI video (2 groups)
Card Edge LEDs for signal presence, equalization warning, audio groups present, module status
VistaLINK™ - enabled offering remote monitoring, control and configuration capabilities via SNMP.
VistaLINK™ is available when modules are used with the 3RU 7700FR-C frame and a 7700FC
VistaLINK™ Frame Controller module in slot 1 of the frame using the model 9000NCP Network
Control Panel or Evertz VistaLINK™ PRO or other third party SNMP manager software.
Revision 1.3 7710DCDA-HD-1