
Table 3. Main Valve Body Sizes, End Connection Styles and Body Pressure Ratings
MAIN VALVE BODY SIZE
MAIN VALVE BODY MATERIAL END CONNECTION STYLE(1)
STRUCTURAL DESIGN RATING(2)
NPS DN psig bar
1
2
3
4
6
25
50
80
100
150
Cast iron
NPT(3) 400 27.6
CL125 FF 200 13.8
CL250 RF 500 34.5
1
2
3
4
6
25
50
80
100
150
WCC Steel
NPT(3) 1500 103
CL150 RF 290 20.0
CL300 RF 750 51.7
CL600 RF 1500 103
8
10
200
250 LCC Steel
CL150 RF 290 20.0
CL300 RF 750 51.7
CL600 RF 1500 103
1.RatingsandendconnectionsforotherthanASMEstandardcanusuallybeprovided.ContactyourlocalSalesOfceforassistance.
2.SeeSpecicationsandTable2foradditionalpressureratings.
3. Available with NPS 1 and 2 / DN 25 and 50 only.
*For further instructions on Types EZR, EZH and EZL, refer to the corresponding instruction manual of these products.
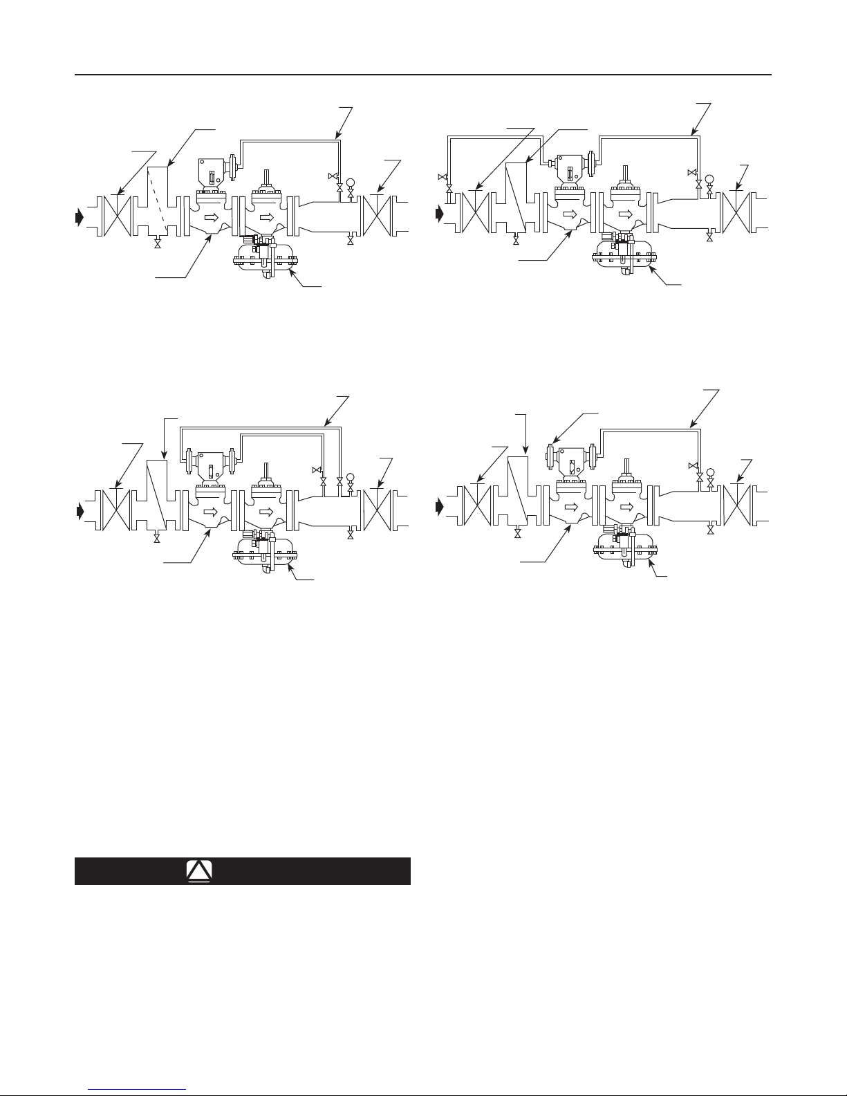
Clean out all pipelines before installation and check to be
sure the valve has not been damaged or collected foreign
material during shipment. Use suitable line gaskets and
good bolting practices with a flanged body. The Type OSE
must be installed in a horizontal position with the mechanism
box above the body (see Figure 2). The Types EZHOSX,
EZROSX and EZLOSX are installed with the mechanism
box typically below the pipe. Type OS2 slam-shut device can
also be installed in a pit that is subject to flooding by venting
the mechanism box above the maximum possible flood
level. When used below ground, the vent must be relocated
(piped) to keep the mechanism box from collecting moisture
and/or other foreign material. Install obstruction-free tubing
or piping into the 1/4 NPT vent tapping. Provide protection
on the relocated vent by installing a screened vent cap into
the end of the vent pipe.
Type OS2 can be used along with a token relief valve to
minimize unnecessary shutoff. The relief valve is set to
open before the Type OS2 slam-shut device activates.
This arrangement allows the relief valve to handle minor
overpressure problems such as gas thermal expansion or
seat leakage due to dirt moving through the system which
may move out of the regulator during the next operating
cycle. The slam-shut device does activate if the regulator
has a major malfunction with excessive gas flow that
exceeds the token relief capacity.
The manometric device requires an external sensing line
which should be tapped into a straight run of pipe 8 to
10 pipe diameters downstream or upstream of the slam-shut
device. If impossible to comply with this recommendation
due to the pipe arrangement, it may be better to position
the sensing line tap nearer the regulator or slam-shut outlet
rather than downstream of a block valve. Do not position
the tap near any elbow, swage or nipple which might cause
turbulence. It is recommended to install an isolation valve
and a vent valve on the sensing line, which can be useful for
tripping and verifications.
Startup*
!
WARNING
To avoid personal injury or property
damage due to explosion or damage to
regulator or downstream components during
startup, release downstream pressure to
prevent an overpressure condition on the
diaphragm of the regulator. In order to avoid
an overpressure condition and possible
equipment damage, pressure gauges
should always be used to monitor pressures
during startup.
These startup procedures are for the Type OSE/OS2 only.
1. Make sure the upstream and downstream shutoff valves
are closed.
2. Slowly open the upstream shutoff valve.
3. For NPS 8 and 10 / DN 200 and 250 body sizes, slowly
open the bypass valve.
4. The slam-shut valve is shipped with the slam-shut
device in the tripped position. To reset the slam-shut,
follow the procedure under Resetting the Trip
Mechanism in the Adjustment section.
5. For NPS 8 and 10 / DN 200 and 250 body sizes, close
the slam-shut valve bypass.
6. Slowly open the downstream shutoff valve.
7. Check all connections for leaks.
8. Adjust the slam-shut pressure setting by following the
appropriate procedures in the Adjustment section.
7
Type OS2
North America Only