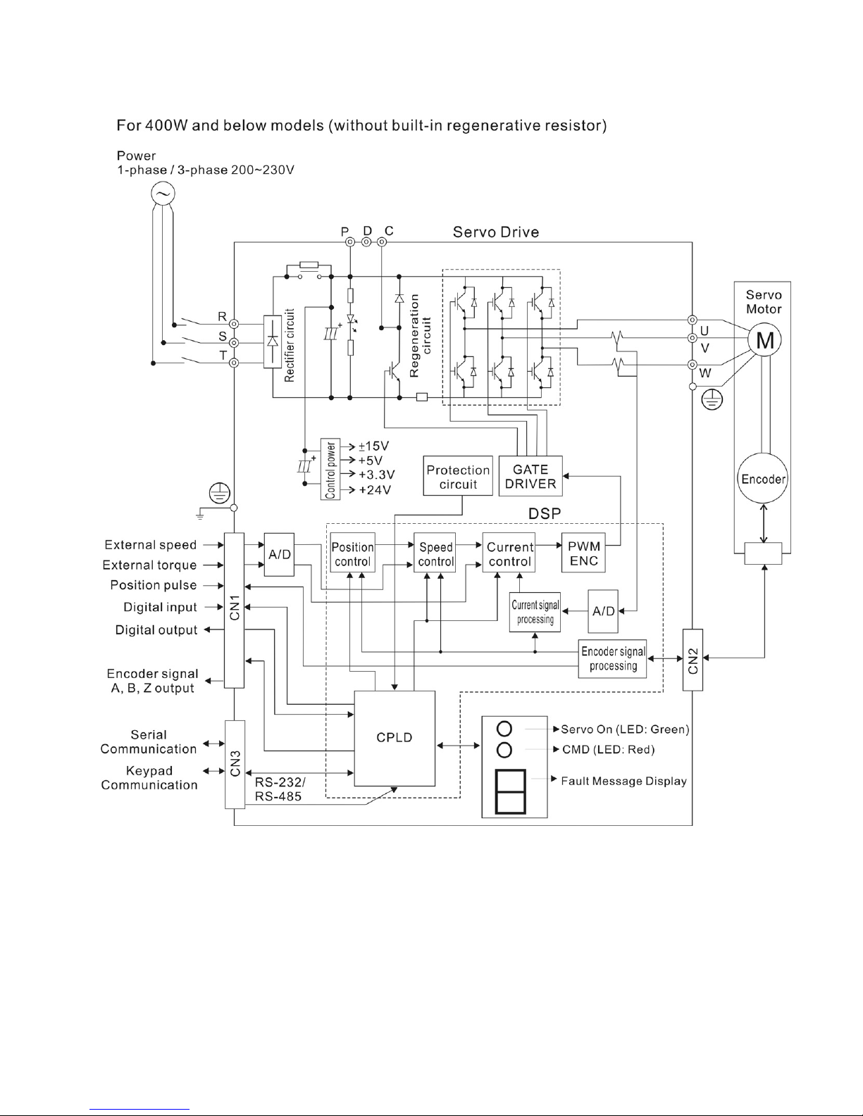
Delta Electronics AC Servo Drive ASDA-B Manual de usuario
Otros manuales de Tarjeta de red de Delta Electronics

Delta Electronics
Delta Electronics DeviceNet Slave Communication Module IFD9502 Manual de usuario

Delta Electronics
Delta Electronics Analog Output Module DVP04DA-S Manual de usuario

Delta Electronics
Delta Electronics Ethernet Communication Module IFD9507 Manual de usuario

Delta Electronics
Delta Electronics AC Motor Drive VFD007S23A Manual de usuario

Delta Electronics
Delta Electronics TP05 Manual de usuario

Delta Electronics
Delta Electronics LonWorks Communication Module CME-LW01 Manual de usuario

Delta Electronics
Delta Electronics DeviceNet Slave Communication Module... Manual de usuario

Delta Electronics
Delta Electronics Extension Drive Board EB Series Manual de usuario

Delta Electronics
Delta Electronics EMV-PG01 Manual de usuario

Delta Electronics
Delta Electronics High-speed Counter Module DVP-01HC Manual de usuario

Delta Electronics
Delta Electronics LCP-1250A4FSR Manual de usuario

Delta Electronics
Delta Electronics DVP Series PLC DVP04TC-H2 Manual de usuario

Delta Electronics
Delta Electronics CANopen Slave Station Communication Module... Manual de usuario

Delta Electronics
Delta Electronics Function Card DVP-EH Manual de usuario

Delta Electronics
Delta Electronics Digital Keypad KPE-LE01 Manual de usuario

Delta Electronics
Delta Electronics Braking Modules VFDB Series Manual de usuario

Delta Electronics
Delta Electronics Distribution Box TAP-CN01/02/03 Manual de usuario

Delta Electronics
Delta Electronics Analog Output Module DVP02DA-S Manual de usuario

Delta Electronics
Delta Electronics CANopen Communication Module DVPCP02-H2 Manual de usuario

Delta Electronics
Delta Electronics Ignition Coil IGT001 Manual de usuario

Delta Electronics
Delta Electronics LonWorks Communication Module LN-01 Manual de usuario

Delta Electronics
Delta Electronics Ethernet Communication Module DVPEN01-SL Manual de usuario

Delta Electronics
Delta Electronics Digital Keypad KPE-LE02 Manual de usuario

Delta Electronics
Delta Electronics Ethernet Extension Module DOP Manual de usuario
Manuales populares de Tarjeta de red de otras marcas

National Instruments
National Instruments NI 9234 Manual de usuario

Hama
Hama 49276 Manual de usuario

Linksys
Linksys WCF54G - Wireless-G Compact Flash Card Manual de operación

Compaq
Compaq Wireless LAN 100 Manual de usuario

Bose
Bose PowerMatch Dante Manual de usuario

TRENDnet
TRENDnet TEG-PCITXR Manual de usuario





















