
-6-
CX501/CX501B/CX501A
1.Terminal Description
pin 1 : EFMIN : IN : RF signal input.
pin 2 : RFOUT : O : RF signal output.
pin 3 : LPF : - : RF signal DC level detection low-pass
filter capacitor connection.
pin 4 : PHLPF : - : Defect detection low-pass filter capacitor
connection.
pin 5 : AIN : IN : A signal input.
pin 6 : CIN : IN : C signal input.
pin 7 : BIN : IN :Bsi
nal input.
pin 8 : DIN : IN : D signal input.
pin 9 : SLCISET : O : SLCO output current setting resistor
connection.
pin 10 : RFMON : - : IC internal analog signal monitor 1.
pin 11 : VREF : O : VREF voltage output.
pin 12 : JITTC : - : Jitter detection capacitor connection.
pin 13 : EIN : IN : E signal input.
pin 14 : FIN : IN : F signal input.
in 15 : TEOUT : O : TE si
nal out
ut.
pin 16 : TEIN : IN : TE signal input used for TES signal
generation.
pin 17 : LDD : O : Laser power control signal output.
pin 18 : LDS : IN : Laser power detection signal input.
pin 19 : AVSS : - : Analog system ground. This pin must be
connected to the 0V level.
pin 20 : AVDD : - : Analog system power supply.
pin 21 : FDO : O : Focus control si
nal output.
pin 22 : TDO : O : Tracking control signal output.
pin 23 : SLDO : O : Sled control signal output.
pin 24 : SPDO : O : Spindle control signal output.
pin 25 : VVDD1 : - : EFMPLL power supply.
pin 26 : PDOUT1 : O : EFMPLL charge pump output 1
pin 27 : PDOUT0 : O : EFMPLL charge pump output 0.
pin 28 : PCNCNT : IN : EFMPLL charge pump control voltage input.
pin 29 : PCKIST : IN : EFMPLL charge pump current setting
resistor connection
in.
pin 30 : VVSS1 : - : EFMPLL ground.
This pin must be connected to the 0V level.
pin 31 : GP10 : I/O : General purpose I/O port with pull down resistor
pin 32 : GP11 : I/O : General purpose I/O port with pull down resistor
pin 33 : GP12 : I/O : General purpose I/O port with pull down resistor
pin 34 : GP13 : I/O : General purpose I/O port with pull down resistor
pin 35 : DVDD : - : Digital system power supply.
pin 36 : DVSS : - : Di
ital s
stem
round. This pin must be
connected to the 0V level.
pin 37 : GP43 : I/O : General purpose I/O port with pull down resistor
pin 38 : GP44 : I/O : General purpose I/O port with pull down resistor
pin 39 : GP45 : I/O : General purpose I/O port with pull down resistor
pin 40 : DVDD : - : Digital system power supply.
pin 41 : DVSS : - : Digital system ground. This pin must be
connected to the 0V level.
pin 42 : DVDD15 : IN : Capacitor connection pin for internal re
ulator.
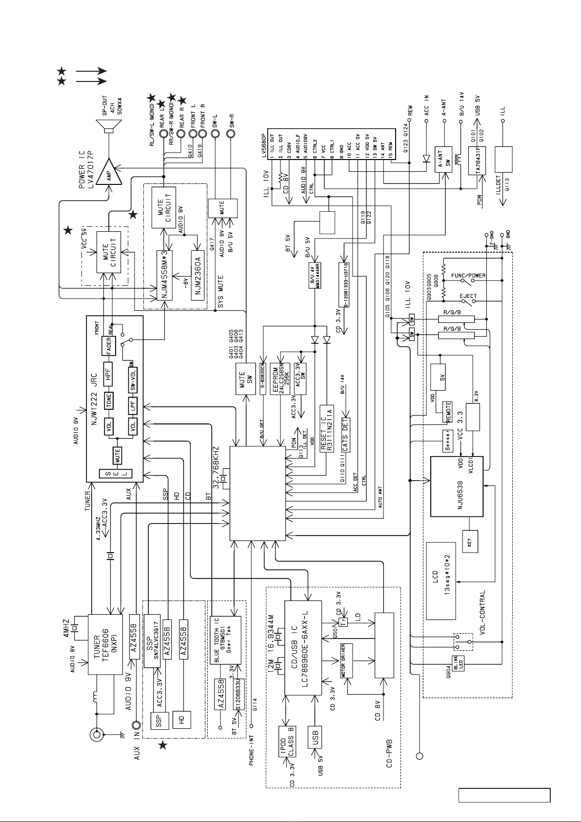
051-6754-00 LC786960 CD System controller
in 1 : TR-A : IN : Photo sensor si
nal in
ut from the CD
mechanism.
pin 2 : TR-B : IN : Photo sensor signal input from the CD
mechanism.
pin 3 : INT1 : IN : The initial setting input.
pin 4 : INT2 : IN : The initial setting input.
pin 5 : INT3 : IN : The initial setting input.
pin 6 : TEST MODE : IN : For the test.
pin 7 : TEST : - : For the test.
in 8 : RES# : IN : Reset si
nal in
ut.
pin 9 : HD-ON : O : HD power supply control signal.
pin 10 : VREG : IN : Regulator output.
pin 11 : VSS : - : Ground.
in 12 : XXIN : IN :Cr
stal connection.
pin 13 : XOUT : O : Crystal connection.
pin 14 : VDD : - : Positive voltage supply.
pin 15 : SW1 : IN : Through mode setting.
in 16 : SW2 : IN :Throu
h mode settin
.
pin 17 : KEY-A/D : IN : Input terminal of A/D converter for Key
judgment.
pin 18 : CD-TEST : O :Fortest.
in 19 : OFFSET DET : IN : The emer
enc
si
nal in
ut from the
ower IC.
pin 20 : N.C : IN : Ground.
pin 21 : DISP+B-REM : O : The power supply control signal output
for the LCD driver.
in 22 : N.C : IN : Ground.
pin 23 : DRV-MUTE : O : Drive mute signal output to the CD IC.
pin 24 : RDS-DATA(E) : IN :Not in use.
pin 25 : JOG-CCW : IN : JOG-CCW rotation signal capture terminal.
pin 26 : JOG-CW : IN : JOG-CW signal capture terminal.
pin 27 : ILLM-DET : IN : Illumination ON signal input.
pin 28 : TUNER SCL : O : TUNER SCL communication terminal.
pin 29 : TUNER SDA : I/O : TUNER SDA communication terminal.
pin 30 : N.C : IN : Ground.
in 31 : IPOD-RX : IN :iPodsi
nal in
ut.
pin 32 : IPOD-TX : O : iPod serial output.
pin 33 : MIC-SELECT : O : The MIC position(LOW)/extraposition(HI)
select.
in 34 : DSC-CT12 : O : 12MHz cr
stal oscillation switch of CD IC
control .
pin 35 : DSC-CT13 : O : 12MHz crystal oscillation switch of CD IC
control .
in 36 : Z-MUTE-CUT : O : 0 data mute cuttin
out
ut
ort.
(CD:HI(don't cut) excluding CD:LOW(cut))
pin 37 : RDS-CLK : IN :Not in use.
pin 38 : USB IN : IN : USB input terminal.
in 39 : EVOL-CLK : O : Clock
ulse out
ut to the volume IC.
pin 40 : EVOL-DATA : I/O : The serial data output to the volume IC.
pin 41 : N.C : IN : Ground.
pin 42 : CMD-ERR : IN : CD ERROR signal input.
in 43 : CD-MUTE : IN :CD muting signal output.
pin 44 : N.C : IN : Ground.
pin 45 : VDD : - : Positive voltage supply.
pin 46 : VSS : - : Ground.
pin 47 : N.C : IN : Ground.
pin 48 : AMP REM : O : The control signal output to internal audio
power amplifier.
pin 49 : DSP-SCK : O : CD IC DSP_SCK communication line.
pin 50 : DSP-SI : IN :CDICDSP_SIcommunicationline.
in 51 : DSP-SO : O : CD IC DSP_SO communication line.
pin 52 : DSP-CE : O : CD IC DSP_CE communication line.
pin 53 : N.C : IN : Ground.
pin 54 : KEY-INT : IN : Key interrupting signal input.
in 55 : USB-EN : O : USB-IN in
ut termminal.
pin 56 : LDCONT : O : Loading signal output.
pin 57 : AMP-MUTE : O : Muting signal output to the Audio Power
Amplifier.
in 58 : BLINK-LED : O : BLINK LED drive out
ut.
pin 59 : DSP-RESET : O : CD IC DSP-RESET output terminal.
pin 60 : N.C : IN : Ground.
pin 61 : DSP-BUSY : IN : CD IC DSP-BUSY output terminal.
in 62 : INT-AMPREM : O : INT_AMPREM si
nal out
ut.
pin 63 : LCD-CE : O : Chip select signal output to the LCD driver.
pin 64 : LCD SI/SO : I/O : The serial data input/output to the LCD driver.
pin 65 : LCD-CLK : O : The clock pulse output to the LCD driver.
in 66 : USB-OC : IN :USB over current.
pin 67 : T BASE : O : Time base confirmation
in.
pin 68 : N.C : IN : Ground.
pin 69 : HD-RX : IN : HD signal input.
pin 70 : HD-TX : O : HD serial output.
pin 71 : ACC-DET : IN :ACC detection si
nal in
ut.
pin 72 : B/U DET : IN :Backup detection signal input.
IC101 LC88F40HOPAU-QIP Main System controller
EXPLANATION OF IC
1.Terminal Description
pin 73 : REMOCON : IN :Remote controller signal input terminal.
pin 74 : CATS-DET : IN :CATS detection signal input.
pin 75 : SIRI-RX : IN : SIRIUS signal input.
in76 :SIRI-TX : O :SIRIUS serial out
ut.
pin 77 : TEST OUT : O : HD / SSP / IPOD dia
nostic results
in.
pin 78 : ILL-REM : O : The power supply ON signal output for the
illumination.
in 79 : VDD : - : Positive volta
esu
l
.
pin 80 : VSS : - : Ground.
pin 81 : E2P SCL : O : 24LC256M E3P ROM communication signal.
pin 82 : E2P SDA : I/O : 24LC256M E2P ROMcommunication signal.
in 83 : AUTO ANT : O : Auto antena sin
al ou
ut.
pin 84 : S-RESET : O : Reset si
nal in
ut.
pin 85 : CTRL : O : Power supply ON signal output.
pin 86 : HD-DET : IN :HD detection signal input.
pin 87 : BT-RX : IN : Bluetooth signal input.
pin 88 : BT-TX : O : Bluetooth serial output.
pin 89 : REM ON : O : Remote controller signal input terminal.
pin 90 : SYSTEM-MUT :O:
System muting signal output.
pin 91 : N.C : IN : Ground.
in 92 : N.C : IN : Ground.
pin 93 : PHONE INT : IN : The telephone interrupt signal input.
pin 94 : N.C : IN : Ground.
pin 95 : NC(CHUCK) : IN : CD MECHA CHUCK.
in 96 : VDD : - : Positive volta
esu
l
.
pin 97 : VSS : - : Ground.
pin 98 : LPFO : - : PLLVCO connection terminal for LPF.
pin 99 : LIMIT : IN : Inside limit switch signal input for the pickup.
in 100 : LDMUTE : O : Mutin
si
nal out
ut to the CD mechanism.