
363811
363812
09/16-01 PC
T6171G
BTicino SpA – Viale Borri, 231 – 21100 Varese – Italy – www.bticino.com
230V~
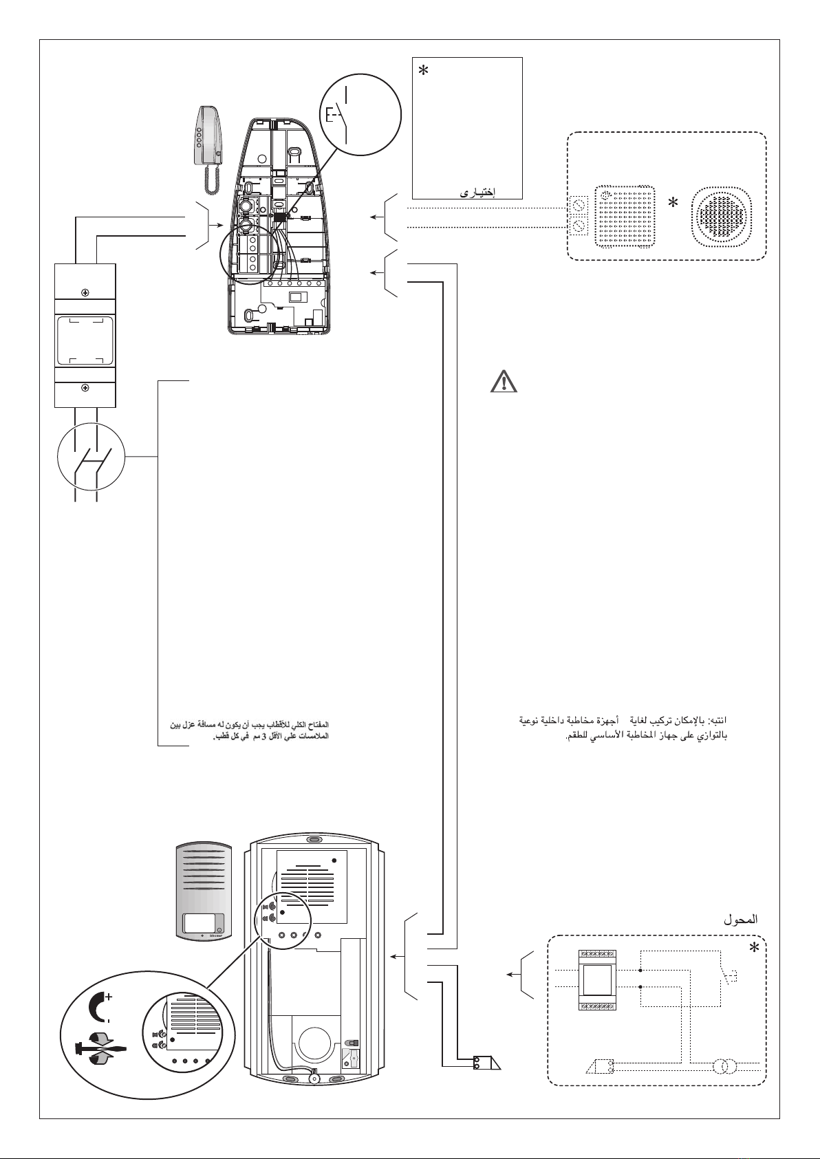
• NUOVO IMPIANTO CITOFONICO
Impianto realizzato senza modifiche ai 2 fili
esistenti: chiamata, citofono, e serratura elettrica.
• NEW DOOR ENTRY SYSTEM
System made without modications to the 2 existing
wires; call, door entry and electric door lock.
• NOUVELLE INSTALLATION PARLOPHONIQUE
Installation réalisée sans modifications sur les 2 fils
existants: appel, parlophone, et serrure électrique.
• NEUE HAUSTELEFONANLAGE
Anlage ohne Änderungen an den vorhandenen 2 Leiter:
Ruunktion, Haustelefon und elektrischer Schloss.
• NUEVA INSTALACIÓN INTERFÓNICA
Instalación realizada sin las modificaciones a los 2 hilos
existentes: llamada, interfono y cerradura eléctrica.
• NIEUWE DEURTELEFOONINSTALLATIE
Installatie aangelegd zonder wijzigingen aan de 2
bestaande aders: oproep, deurtelefoon en elektrisch
deurslot.
• NOVA INSTALAÇÃO DO INTERCOMUNICADOR
Instalação realizada sem modificar os 2 fios
existentes: chamada, intercomunicador e
fechadura eléctrica.
•NEA EGKATASTASH UYROTHLEFVNOY
Egkatàstash pragmatopoihménh xvrìz
tropopoiçseiz sta 2 ypàrxonta kalèdia: klçsh,
uyrothléfvno ki hlektrikç kleidarià.
• YJDFZ CBCNTVF CJ DYTNHTYYBV NTKTAJYJV
Cbcntvf dsgjkytyf ,tp bpvtytybz ceotcnde.
otq ghjdjlrb bp @ ghjdjljd5 dspjd6
dyenhtyybq ntktajy b ‘ktrnhbxtcrbq pfvjr7
• NOWA INSTALACJA DOMOFONOWA
Instalacja wykorzystująca 2 istniejące przewody -
wywołanie, domofon, otwarcie drzwi.
• YENİ DAHİLİ TELEFON SİSTEMİ
Mevcut 2 tel üzerinde de işiklik yapılmaksızın
gerçekleştirilen tesis: arama, dahili telefon sistemi ve
elektrikli kilitleme.
230V~
• VECCHIO IMPIANTO A CAMPANELLO
Impianto esistente con 2 fili e sola chiamata.
• OLD SYSTEM WITH BELL
Existing system with 2 wires and just call.
• ANCIENNE INSTALLATION A SONNETTE
Installation existante à 2 fils et un seul appel.
• ALTE KLINGELANLAGE
Vorhandene 2-Leiter Anlage nur mit Ruunktion.
• VIEJA INSTALACIÓN CON TIMBRE
Instalación existente con 2 hilos y una llamada.
• OUDE DEURBELINSTALLATIE
Bestaande 2-aderige installatie met alleen een
oproepfunctie.
• ANTIGA INSTALAÇÃO EM CAMPAÍNHA
Instalação existente com 2 fios e somente chamada.
•PALIA EGKATASTASH KOYDOYNIOY
Ypàrxoysa egkatàstash me 2 kalèdia kai
mònon klçsh.
• CNFHFZ CBCNTVF CJ PDJYRJV
Ceotcnde.ofz cbcntvf @[-ghjdjlyfz njkmrj
c dspjdjv
• STARA INSTALACJA Z DZWONKIEM
Instalacja istniejąca z dwoma przewodami - tylko
dzwonek.
• ESKI ZIL SISTEMI
2 tel ve tek aramalı mevcut tesis.
• Distanza da alimentatore a posto esterno
• Distances from the power supply to the outdoor station
• Distance de l’alimentation au poste extérieur
• Abstand vom Speisegerät zur Türstation
• Distancia entre alimentador y puesto exterior
• Afstand van de voeding tot het deurstation
• Distância do alimentador à unidade externa
• Apòstash apò trofodotikò se ejvterikò shmeìo
• Hfccnjzybt jn ,kjrf gbnfybz lj yfhe;yjq njxrb
• Odleg∏oÊç od zasilacza do panelu zewn´trznego
• Besleyici ile dıfl mevki arası mesafe
• Sezione filo
• Wire section
• Section fil
• Kabelschnitt
• Sección del hilo
• Doorsnede ader
• Secção do fio
• diatomç kalvdìoy
• ctxtybt ghjdjlf
• Przekrój przewodu
• Tel kesiti
60 m 0,5 mm2
90 m 0,75 mm2
110 m 1,0 mm2
• Posare i cavi od utilizzare gli esistenti.
Per la distanza e la sezione dei cavi fare riferimento alla tabella.
• Lay the cables or use the already existing ones. Refer to the table for the cable distance
and section.
• Poser les câbles ou utiliser ceux existants. Pour la distance et la section des câbles, se
reporter au tableau.
• Kabel verlegen oder die vorhandenen verwenden. Abstände und Kabelschnitte sind in der
Tabelle aufgeführt.
• Tienda los cables o utilice los existentes. Para la distancia y sección de los cables, se
remite a la tabla.
• Leg kabels aan of gebruik de bestaande kabels. Zie de tabel voor de doorsnede en de
lengte van de kabels.
• Coloque os cabos ou utilize os que já existem.
Para a distância e a secção dos cabos consulte a tabela.
•
Pernàte ta kalèdia ç xrhsimopoieìte aytà poy çdh ypàrxoyn. Gia thn
apòstash kai th diatomç tvn kalvdìvn anaféreste ston pìnaka
7
• Ghjkj;bnm yjde. ghjdjlre bkb bcgjkmpjdfnm ceotcnde.oe.7 Hfccnjzybt
b ctxtybt ghjdjljd erfpfys d nf,kbwt7
• Poprowadzić przewody lub użyć istniejących. Dobrać przewód o odpowiednim przekroju,
w zależności od odległości (patrz tabela).
• Kabloları döşeyiniz veya mevcut kabloları kullanınız.
Kabloların mesafesi ve kesiti için tabloyu referans alınız.