
AnEFXamplierneedsafewthingstobehappyinacar:Ventilationanda“clean”sourceofpower.
VENTILATION Is important with any mobile amplifier. An amplifier can generate a considerable amount of heat
when driven hard, and car interiors can get quite hot in the summer. Be careful when choosing a spot to mount the
amplifier. Make sure there is enough airflow along the hetasink of the amplifier.
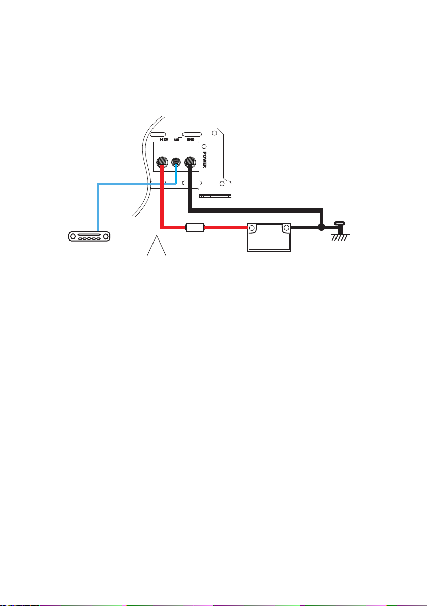
CLEAN POWER Power connections are often overlooked as a source of noise and other frustrations in a mobile
installation. Since mobile amplifiers are powered by a low-voltage car battery, the current required to reach max
outputpowercanbeveryhighandtheresistanceofthepowerwiresbecomesverycriticalinminimizingpower
losses. Since the car’s electrical system is powered by an inherently noisy alternator, you need a low-resistance
ground to keep the high-powered mobile audio system “quiet”. To reduce power loss, power wiring should be
made directly to the battery, using proper gauge copper wire. For safety reasons an inline fuseholder with the rec-
ommended fuse rating needs to be installed within 18 inches of the battery.The heavier the wire, the less chance
there is for power loss. Also, keep wire lenghts as short as possible.
Thegroundleadservesdouble-duty.Inadditiontohandlingallthepower(asmuchasthepositivepowerlead),
the ground is responsible for keeping noise to a minimum.The less the ground resistance, the less noise.
We recommend the same guage ground wire as the power wire. Ensure you have a single point of ground for the
entire audio system to avoid groundloops and inducting noise into the system. Use the Power Wiring Selection
Chart to determine the minimum wire guage for a given power output and length. Remember, there is no such
thing as too little resistance!
Power wiring selection chart: TotalouputpowerVslengthofpositivepowerwire
Length 100W 150W 200W 300W 600W 1000W >1000W
5 ft. 10 AWG 10 AWG 8 AWG 8 AWG 4AWG 2 AWG 1 AWG
10 ft. 10 AWG 10 AWG 8 AWG 8 AWG 4AWG 2 AWG 1 AWG
15 ft. 10 AWG 8 AWG 8 AWG 8 AWG 4AWG 2 AWG 0 AWG
20 ft. 10 AWG 8 AWG 8 AWG 4AWG 4AWG 2 AWG 0 AWG
25 ft. 10 AWG 8 AWG 8 AWG 4AWG 2 AWG 1 AWG 2x 1 AWG
30 ft. 10 AWG 8 AWG 8 AWG 4AWG 2 AWG 1 AWG 2x 1 AWG
MinimumrecommendedAmericanWireGaugesizesforpowerandgroundconnections.
XFIREAUDIO.COM
EFX series LIFE AMPLIFIED