
IR Receivers & Modems
3
TROUBLE SHOOTING
1. The 291-80 has been designed to have high rejection of many sources of interference, such as the
following:
• Compact Fluorescent, Neon or Halogen lights, Neon Art, and light dimmers.
• Direct or reflected sunlight.
• Infrared security sensors (active types).
• RF radiation from TV sets that may be close to the 291-80 IR Receiver.
However, in the presence of extremely intense interference from such sources, you may experience
a reduction in range between the handheld remote control and the 291-80. This may result in a
reduction from over 70 feet to 15 feet or so.
2. To improve the range under these conditions, you need to confirm the source of the interference by
temporarily turning off TV sets, etc. In addition, reduce the exposure of the 291-80 IR Receiver to direct
sunlight and turn off all lights, light dimmers and Infrared security systems. Then check to see if the
range improves.
When you have isolated the interfering source, it will be necessary to move either it or the 291-80 IR
Receiver to improve operation.
3. If the red Talk-Back LED on the 291-80 or the 286-00 Emitters do not blink when you are sending IR
commands from a remote control, check the following:
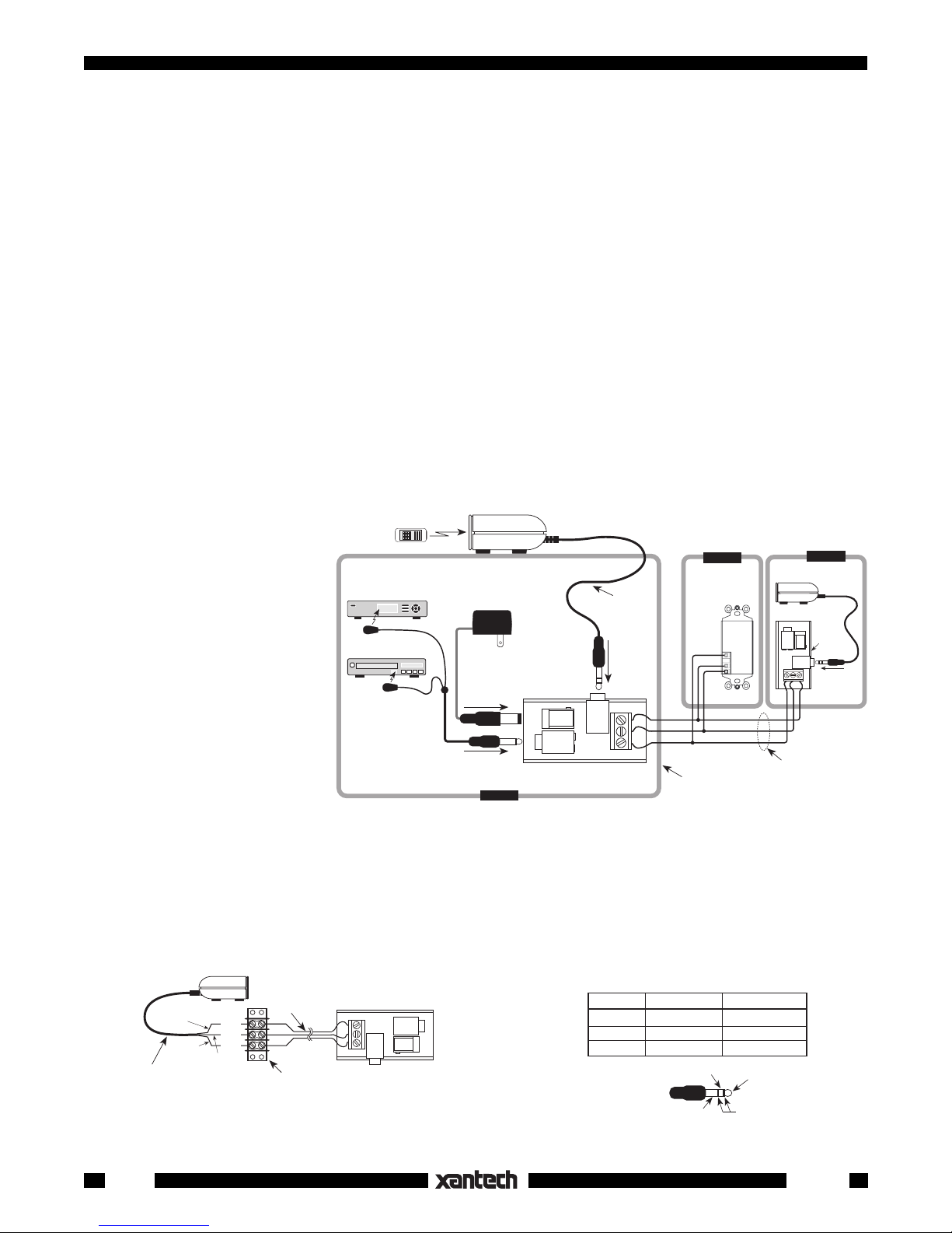
• Make sure the 781RG power supply is plugged securely into a live 120V AC wall outlet.
• Be sure the stereo mini plug of the 291-80 IR Receiver is plugged into the "IR RCVR" jack on the
CB12 Connecting Block, not into the "OUT" jack.
• Check to see that all the mini plugs are properly seated into the mini jacks on the CB12 Connecting
Block.
4. If the 286-00 Emitters blink, but the component does not respond, reposition the 286-00 Emitter(s).
They may not be located directly over the component’s infrared receiving "window". Consult the
owner's manual of the unit or the manufacturer for the exact location of the infrared "window".
5. CAUTION:
Do not use more than one 291-80 in a given room or area!
If two or more 291-80's,
(or other Xantech CFL friendly IR receiver) receive the same IR signal simultaneously, the system will
not respond.
6. If the system still does not work, contact the dealer from whom you purchased the 291-80, or contact
XANTECH Technical Support at 800-843-5465.
APPLICATION PRECAUTIONS
The 291-80 is designed with special circuitry so that is has great immunity to infrared interference caused
by CFL (compact fluorescent light) and other types of high frequency electronically ballasted fluorescent
lights. Because of this, the following precautions must be taken into consideration when using these special
IR receivers:
1.
Do not use more than one 291-80 in a given room or area!
If two or more 291-80's, (or other Xantech CFL friendly IR receiver) receive the same IR signal
simultaneously, the system will not respond.
2.
The 291-80 (or other Xantech CFL friendly IR receivers) will not operate with Xantech products that
use 679 and RC16 Programmer commands!
This includes models 670-00, 671-00, 676-00, 677-00, 680-00, 686-00 and RT16-00. For installations
using these products, use standard Xantech IR Receivers, such as the 291, 480, 490, and 780-10
series.
291-80