
Version No.: V1.2 1 www.wtsensor.com
PCT400 Temperature Transmitter
Features
■Anti-vibration
■High strength, high pressure
resistance
■Integrated structure
■Can ensure long-term stable work
■Fast response
■Easy to install, can ensure long-term
stable work
Applications and industries
■Equipment matching
■Pump and compressor, natural gas
pipe network and other automatic
temperature measurement and
control system
■Temperature measurement for the
water or oil in the fields such as
petroleum, chemical industry,
electricity, light textile, environmental
protection etc.
Notes:
1 During the temperature measurement,
the temperature measurement component
should reach thermal equilibrium with the
object under test.
2 The insertion depth should be accurate.
3 Please read the Instruction Manual of
the product carefully before installation
and check the relevant information of the
product.
4 Strictly follow the wiring method for
wiring, otherwise it may cause product
damage or other potential faults.
5 Misuse of the product may cause danger
or personal injury.
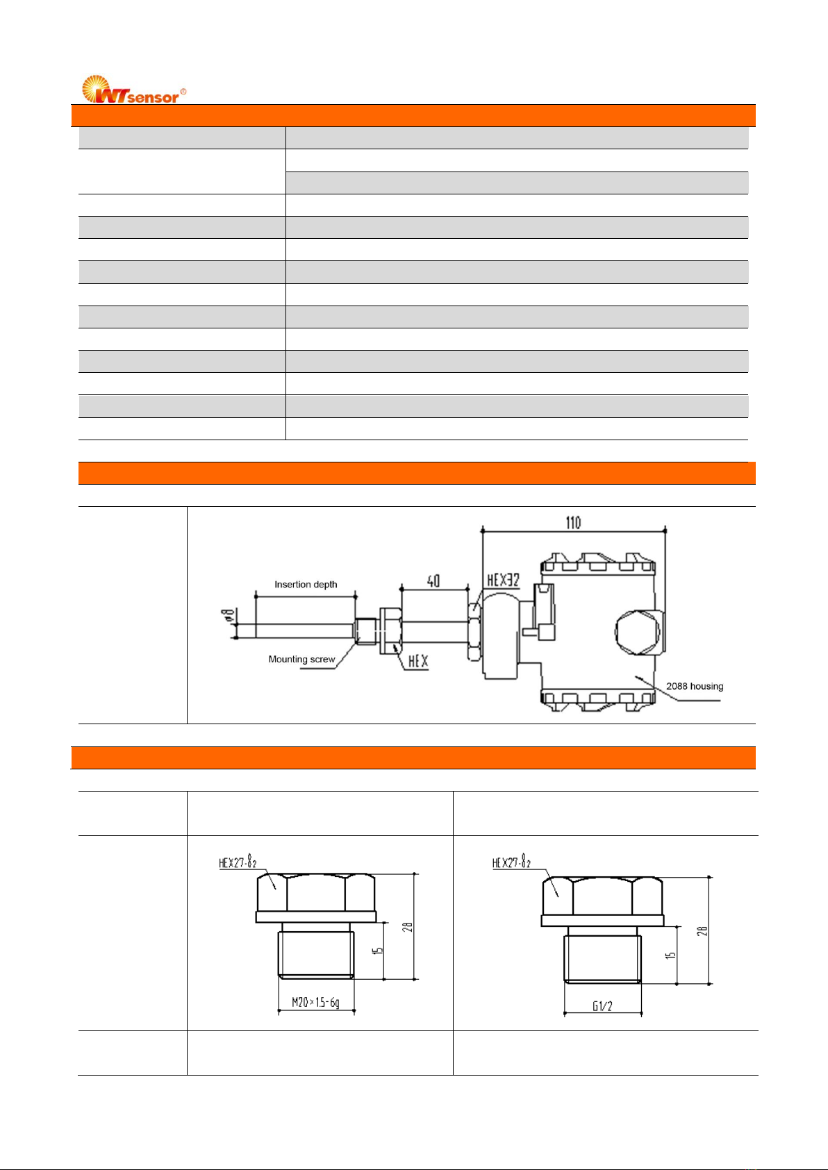
Product overview
PCT400 Industrial Temperature Transmitter measures
the temperature of the measured medium by using the
feature that the platinum resistance value varies with
temperature and shows a certain functional relationship.
The transmitter adopts the high-precision thermoelectric
couple and thermal resistance as the detecting elements,
uses the high stability circuit for the signal processing,
realizes the continuous measurement for the temperature,
outputs the industrial control standard signal, and can
realize the functions such as display, remote transmission
etc. at the same time.
The temperature measurement part of the
productadopts all stainless steel integration processing
technology, and the connecting box adopts 2088 aluminum
housing; the product has the features of strong shock
resistance, quick thermal response etc.; the wire adopts the
special shielded cable, with wide usage temperature range;
this product is easy to install, and applicable to be used in all
kinds of automatic control systems for temperature
measurement.
Notes:
1 Do not misuse documentation.
2 The information presented in this product sheet is for reference only. Do
not use this document as a product installation guide.
3 Complete installation, operation, and maintenance information is
provided in the instructions of the product.
4 Misuse of the product may cause danger or personal injury.