
Installation instruction (translation from original)
SIN 1 xxx / SIN 2 xxx R1.310.xxx.x
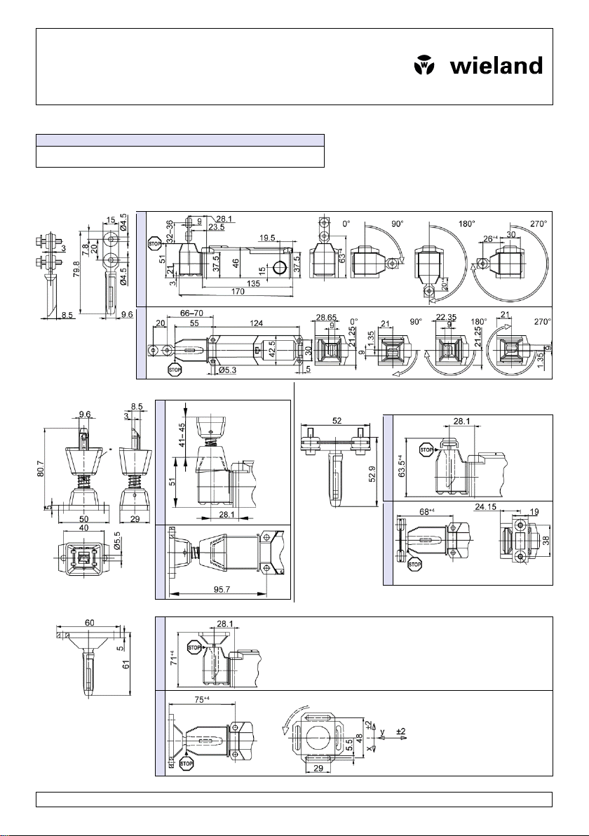
Safety switch with separate actuator and guard lock
Wieland Electric GmbH
Brennerstraße 10
– 14
+49 951 9324-0
+49 951 9324-198
-electric.com
Doc. # BA000776 – 06/2023 (Rev. C) SIN 1 xxx / SIN 2 xxx 8 EN
Safety switch identification
1 = Spring force lock
2 = Magnet force lock
2 = AC 115/230 V
3 = 2 NC + 1 NC / 1 NO contact
5 = 1 NC / 1 NO contact + 1 NC / 1 NO contacts
Please quote this article num-
ber in all correspondence and
when placing orders with Wie-
WW/YY
•Only trained electricians may install and commission this de-
vice. They must have read and understood this instruction
manual before they carry out installation.
•Do not open the device.
•Do not insert any foreign objects.
•Keep the device away from water and fire.
•Only connect or disconnect the device if it has been de-ener-
gized.
•The relevant standards, directives, regulations and provisions
of the particular country are to be observed.
•Installation, commissioning, modification and retrofitting must
only be performed by a qualified electrician.
•In the case of improper use or any use other than for the in-
tended purpose, the device must no longer be used and any
warranty claim is void. Invalidating causes can be: strong me-
chanical loading of the device, such as occur when falling or
voltages, currents, temperatures, humidity outside the specifi-
Improper installation or manipulation of the safety switch ren-
ders the personal protection function useless and can cause seri-
ous injury or accidental death.
Failure to follow these instructions (intended use, safety instruc-
tions, installation and connection by trained personnel, safe
function test) will invalidate any liability.
1Intended use
SIN safety switches are locking fixtures with an electromechanical
latching device and low level coding according to EN ISO 14119.
Interacting with the control system of a machine they are used to
monitor the position of moving safety guards.
In connection with the safety switches SIN, moving safety guards
can only be opened if no hazardous conditions are present.
The actuating signals in relation to hazardous situations are only
effective when the safety guard is in active position and the latch-
ing device is in lock position.
Standards governing installation and operation:
•EN ISO 13849-1 Safety components of control systems
•EN 14119 Locking devices in connection with separating safety
guards
•EN 60204-1 Electrical machine equipment
Risk assessment at the machine in accordance with:
•EN ISO 13849-1 Safety components of control systems
•EN ISO 12100 Machine safety, risk assessment
The safety switch can be installed in any position that enables ac-
cess to the auxiliary release mechanism as well as its inspection
and, if necessary, replacement by authorized technical personnel.
2Mounting
•Do not use the safety switch and actuator as a mechanical limit
stop!
•Foreign particles must be prevented from entering the actuator
opening when the safety guard is open.
•Installation must be carried out in accordance with
EN ISO 14119. Particular attention must be paid to measures
designed to reduce the possibilities of bypassing the system.
•To maintain the safety level, the actuators can only be ordered
with the belonging safety switch in one unit.
•Replacement actuators and keys have to be securely moni-
tored. The same applies to keys for resetting the emergency re-
lease or escape release function.
•The SLK safety position switch with escape release option must
be installed within the hazardous area.
•The escape release option can only be used in order to quit the
hazardous area in case of a system failure.
•
The escape release must be on the escape side.