WarmlyYours SCW-120-15A Manual de usuario

Can be controlled/programmed remotely with a
smart device via the free ‘My Leviton’ app
Can be used with relay panels for load switching in
larger jobs or other voltages.
Works with Amazon’s Alexa, Google Assistant, SmartThings,
Nest, Ring and IFTTT (no automation hub required) Terminal block for easy wiring
Wall-mount enclosure with hinged cover May be used for snow melting or roof and
gutter deicing systems
Can also be operated manually Front door easy-lock clasp operates using
a coin or large screwdriver
Switches up to 15 AMPS with 120 VAC (operational voltage) Mounts in indoor nonhazardous locations
Features and Benefits
Description
Installation Manual
SCW-120-15A
Snow and Ice Melting
Wifi Control
The WarmlyYours SCW-120-15A Snow and Ice Melting WiFi Control is a flexible, user-friendly, and,
aordable option for snow melting and roof and gutter deicing systems. This unit features a built-in 120V
WiFi standard switch and can be used with a compatible relay panel. The relay panel, sold separately,
can help switch voltages ranging from 120V to 277V. This unit can switch up to 15 AMPS with 120V,
eliminating the need for a relay panel for small jobs.
Installation Support • (800) 875-5285 • www.WarmlyYours.com
Front Side

GND
H
N
RH
N
GND
H
N
RH
N
Heating
Element
(120V,
15 Amps
Max)
GROUND
HOT
NEUTRAL
Wifi
WHITE
RED
RED
GND
H
N
RH
N
GND
H
N
RH
N
Supply
Element
GROUND HOT
NEUTRAL
NEUTRAL
HOT
Wifi
WHITE
WHITE
BLACK
RED
RED
GRD
GRD
GND
H
NN
RH
1 2 3 4 5
BLACK
BLACK
BLACK
GRD
GRD
GND
H
NN
RH
1 2 3 4 5
120V Supply
WHITE
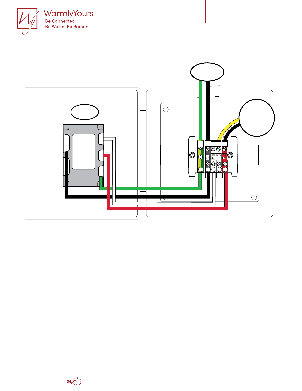
WIRING DIAGRAM
SCW-120-A
Snow and Ice Melting
Wifi Control to Heating Elemen
t
Wiring Scheme Inside Panel
Specifications
Dimensions..........................6.375” (162mm) wide x 6.375” (162mm) high x 4” (102mm) deep
Weight ..............................5.0 lbs (2.3kg)
*Shipping weight may vary
Ordering Information
Order Number Description............SCW-120-15A Snow and Ice Melting WiFi Control
Limited Warranty
WarmlyYours 2-year limited warranty covering defects in workmanship and materials applies.
Contact your Account Manager for complete warranty information.
This document is the property of WarmlyYours. Subject to change without notice.
Installation Support • (800) 875-5285 • www.WarmlyYours.com
SCW-120-15A
Snow and Ice Melting Wifi Control
to Heating Element
Installation Manual

Specifications
Dimensions..........................6.375” (162mm) wide x 6.375” (162mm) high x 4” (102mm) deep
Weight ..............................5.0 lbs (2.3kg)
*Shipping weight may vary
Ordering Information
Order Number Description............SCW-120-15A Snow and Ice Melting WiFi Control
Limited Warranty
WarmlyYours 2-year limited warranty covering defects in workmanship and materials applies.
Contact your Account Manager for complete warranty information.
This document is the property of WarmlyYours. Subject to change without notice.
Installation Support • (800) 875-5285 • www.WarmlyYours.com
GND
H
N
RH
N
GND
H
N
RH
N
Supply
Element
GROUND HOT
NEUTRAL
NEUTRAL
HOT
Wifi
WHITE
WHITE
BLACK
RED
RED
GRD
GRD
GND
H
NN
RH
1 2 3 4 5
BLACK
GND
H
N
RH
N
GND
H
N
RH
N
GROUND
HOT
NEUTRAL
Wifi
WHITE
RED
RED
BLACK
BLACK
GRD
GRD
GND
H
NN
RH
1 2 3 4 5
120V Supply
WHITE
OUTPUT TO RELAY
Hot Wire Goes to
Rh Red Terminal
Neutral Wire Goes to
White Terminal
OUT
WIRING DIAGRAM
Snow and Ice Melting
Wifi Control to Relay Panel
SCW-120-15A
Snow and Ice Melting Wifi Control
to Relay Panel
Installation Manual
Wiring Scheme Inside Panel

Snow Melt Diagram: 240V - Typical Line Diagram
(for 6 Circuits/Cables) with WiFi Control
Snow Melt Diagram: 120V - Typical Line for (1) 120V Heater Circuit
Installation Support • (800) 875-5285 • www.WarmlyYours.com
Heater cable pigtail cold leads to be
taken thru 3/4” (19mm) rigid metal
conduit back to J-boxes.
HEATER CABLE / MAT #1
HEATER CABLE / MAT #4
HEATER CABLE / MAT #5
HEATER CABLE / MAT #6
120V HEATER CABLE or MAT
15 AMPS or LESS
HEATER CABLE / MAT #2
HEATER CABLE / MAT #3
SCW-120-15A
WiFi
CONTROL
120/240 VAC
BREAKER PANEL
RLY-12P
RELAY PANEL
120-VAC
BREAKER
PANEL
SCW-120-15A
WIFI
CONTROL
JUNCTION
BOX
240 Circuits
(conduit size as per installer)
120V
Control
Power
Inside Outside
240V
240V
240V
240V
240V
240V
240V
120V 120V 120V
J-Box
J-Box
SCW-120-15A
Snow and Ice Melting
Wifi Control
Installation Manual

Restore Power:
Restore power at circuit breaker or fuse. Installation is complete.
Operation
NOTE: The locator light will illuminate when the load is in the OFF position to facilitate access
in the dark.
Rocker Pad (Default settings)
Turn ON from OFF position:
Tap top of rocker - Lights turn ON.
Turn OFF from ON position:
Tap bottom of rocker - Lights turn OFF.
If there is a power outage, when the power is restored, the lights will return to the last setting
before the power interruption.
Cleaning: Clean with a damp cloth. DO NOT use chemical cleaners.
Getting Started
Leviton Wi-Fi® devices use the my.Leviton.com cloud service to provide connectivity from your
mobile device when you are home or away. If this is your first Leviton Wi-Fi® device, use the
My Leviton app or browse to my.Leviton.com and setup a free account.
Decora Smart™ Wi-Fi® Setup
Leviton Wi-Fi® devices are compatible with the My Leviton App and my.Leviton.com cloud
service. The app is used to pair your device with your Wi-Fi® network, customize your device configuration and provide communication
via my.Leviton.com. To control the Leviton Wi-Fi® device it will need to be added to a Wi-Fi® network with Internet access:
• Download the My Leviton App.
• Ensure the Leviton accessory is properly wired and power is applied.
• Upon initial power-up the Locator LED will flash green to show the accessory is ready to be configured.
• If the Locator LED is no longer flashing green when you are ready to add the accessory, press and hold the paddle for
7 seconds until the Locator LED turns amber and release.
• Within the app follow the on screen instructions or press + to add the device to the Wi-Fi® network and
my.Leviton.com account.
• Leviton Wi-Fi® devices support Wi-Fi® 802.11 a/b/g/n networks @ 2.4GHz and 5GHz with WPA or WPA2 security.
Changing Network Configuration
In situations where a wireless access point or password is changed but the configuration of the switch needs to remain, use the following
changing network procedure:
• Press and hold the paddle for 7 seconds until the Locator LED turns amber and release.
• The locator LED will flash green.
• Open the My Leviton App.
• Navigate to the device.
• On the device page select Details.
• Within the Details section choose Reconfigure Wireless and follow the app instructions.
Factory Default
In situations where a switch needs to be returned to factory default follow these steps:
• Hold the top of the paddle for a total of 14 seconds.
• After the first 7 seconds the LED turns amber - Continue to hold the top of the paddle until the Locator LED quickly flashes red/amber.
• Release the top of the paddle and the switch will reset.
Attention:
WarmlyYours is not responsible for electricity costs resulting from incorrect switch programming or from leaving the switch on for too long.
It is the end-user’s responsibility to verify that the snow melting system is only powered on, as necessary, to clear snow and ice from the
surface and then switched o in a timely manner after the weather event. If the switch is not correctly programmed or manually turned o in
a timely manner, the system can remain on indefinitely and adversely impact the end-user’s energy bill.
Installation Support • (800) 875-5285 • www.WarmlyYours.com
SCW-120-15A
Snow and Ice Melting
Wifi Control
Installation Manual
Tabla de contenidos
Otros manuales de Controladores de WarmlyYours


















