
4
PT
ARRANQUE
Quando o interruptor de pressão
está ligado à corrente, o led verde
acende. Quando o led amarelo
acender, indica que a bomba está
ligada.
A bomba continua a trabalhar por
alguns segundos permitindo que o
sistema encha os tubos com água
até atingir a pressão correta.
Se este espaço de tempo for
insuficiente, o led vermelho acende.
Se tal acontecer, mantenha
pressionado o botão de reset e com
uma torneira aberta, espere até que
o led vermelho desligue.
Após libertar o botão e fechar a
torneira, o interruptor de pressão
desliga a bomba na sua pressão
máxima.
FUNCIONAMENTO
Depois deste procedimento de
arranque, o interruptor de pressão
fica programado para efetuar o
controlo automático da bomba.
Quando surgem falhas no decorrer
do funcionamento, como falha de
água, obstrução dos tubos, etc.,
o interruptor de pressão reconhece
a falha e o led vermelho liga. Ao
mesmo tempo é enviado um sinal
de paragem para a bomba evitando
danos causados pela ausência
de água.
PRESSÃO DA BOMBA
O interruptor de pressão está
pré-definido de fábrica para uma
pressão de reinício de 1.5 bar.
Rodando o parafuso (Fig. 6)
poderá regular esta pressão
de arranque.
Fig. 6
A pressão produzida pela bomba
deve ser pelo menos 0.8 bar
superior à pré-definida do
interruptor de pressão.
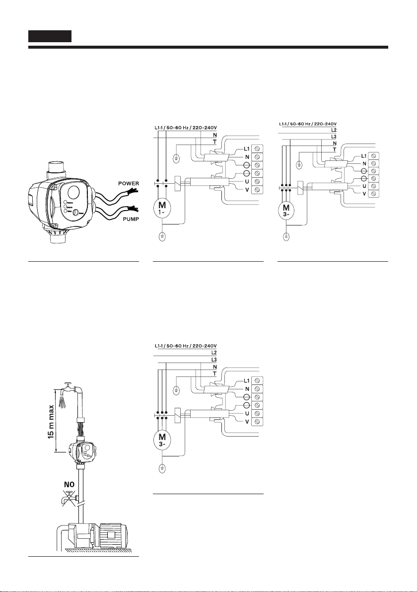
Antes de ligar o interruptor de
pressão, verifique a sucção e
certifique-se que a bomba está
ferrada.
É aconselhável utilizar uma
mangueira flexível para ligar a
saída do interruptor de pressão ao
sistema de tubagem.
É imperativo instalar o interruptor
de pressão seguindo as indicações
das setas (para cima).
O interruptor de pressão pode ser
instalado diretamente na bomba, ou
entre a bomba e a primeira torneira.
FUNÇÃO REINICIALIZAÇÃO
AUTOMÁTICA
Se o interruptor de pressão
entrar em alarme, a função de
renicialização automática executará
uma série de iniciações automáticas
para tentar restaurar a operação
sem qualquer interferência manual
no botão “RESET”.
Se o interruptor de pressão entrar
em modo de alarme, devido a falha
de água por exemplo, o led de
alarme fica a piscar.
O controlador reinicia a bomba,
1 vez a cada 15 minutos com os
requisitos de origem, e testa se
o caudal de água foi reposto.
Se o caudal de água for reposto,
sairá do modo de alarme caso
contrário mantem-se o alarme
e volta a reiniciar.