
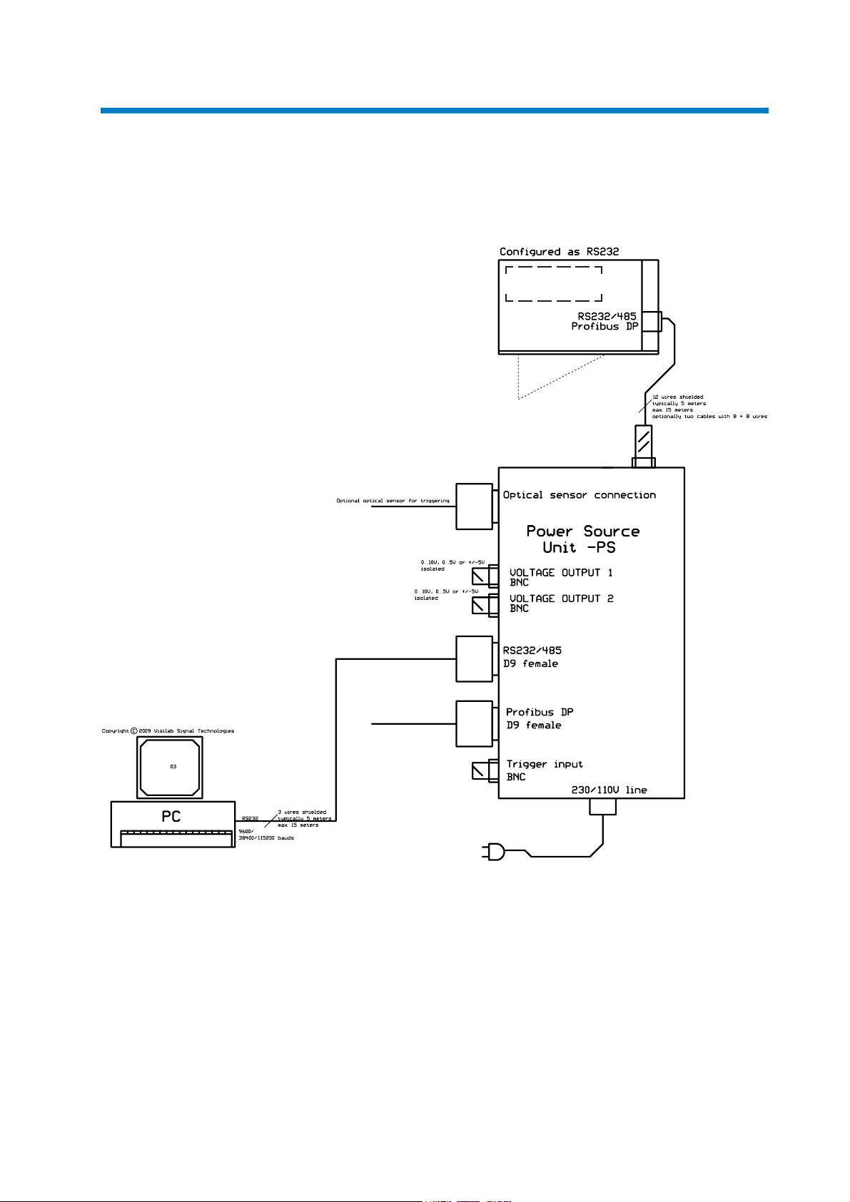
PROCESS SURFACE MOISTURE METER, REV. 6S USER'S MANUAL
2
CONDITIONS OF GUARANTEE, COPYRIGHT NOTICE AND LIABILITIES OF THE MANU-
FACTURER
The manufacturer (Visilab Signal Technologies Oy) grants a guarantee of two years for the buyer of
AK50 moisture meter from the date of purchase. The guarantee covers all faults and misalignments
which are in the equipment at the moment of purchase including those which appear during the
guarantee period. The manufacturer is liable of repairing the instrument without cost to the buyer. The
manufacturer can ship a new instrument of equivalent value and status if considered as a better
solution than repairing. The buyer is liable of paying the freight costs to the factory of the faulty unit.
The unit must not be sent to the manufacturer without a permission from the manufacturer. Units sent
without a permission will be repaired at the cost of the buyer.
The guarantee does not cover wearing parts, like batteries, lamps or motors. The guarantee does not
cover faults caused by errors or neglects of the user nor those faults which are caused by deliberate
damaging. The guarantee does not cover faults caused by incorrectly installed cables or conduc-
tors. The guarantee does not cover any damages to the user or to any third party independently of
the way how the instrument has been used. The guarantee does not cover faults caused by natural
phenomena like lightnings or floods, nor user errors like dropping or hitting the unit. The guarantee
is void if the unit is sold to any third party. All faults which are not covered will be repaired at the cost
of the buyer.
If opening of the instrument has been attempted at those parts which are not intended for the user,
the manufacturer can refuse to repair or service the instrument. Then the instrument will be shipped
back to the buyer at the cost of the buyer. Such parts are the light source, the optical head and parts
on the electronics boards. The instrument can be opened only strictly according to the instructions
in this manual and should not be disassembled unnecessarily. Also, if some parts can not be opened
with a reasonable force, they should be left to avoid any damage.
Copyright (c) 1994 - 2018 Visilab Signal Technologies Oy, All Rights Reserved
Visilab Signal Technologies Oy reserves all rights to changes and modifications in the looks,
specifications, optical and electronic design, electronic and software interfaces and computer
programs, and also the right to change the retail prices of the instrument or its parts without any notice
to present or potential customers. All copyrights and design rights belong to Visilab Signal Technolo-
gies Oy. The PC programs, which have been sold to the buyer, can be used and copied freely for his
own use but can not be sold to any third party.
The manufacturer is not responsible for any casualties, damages or accidents which the user has
caused directly or indirectly with this AK50 instrument, either to himself or to any third party,
independent on the instrument being used correctly or not.
Important warnings are highlighted in this manual with red color.
Recommendations are in blue and important instructions are in brown.