
Safety Information
4
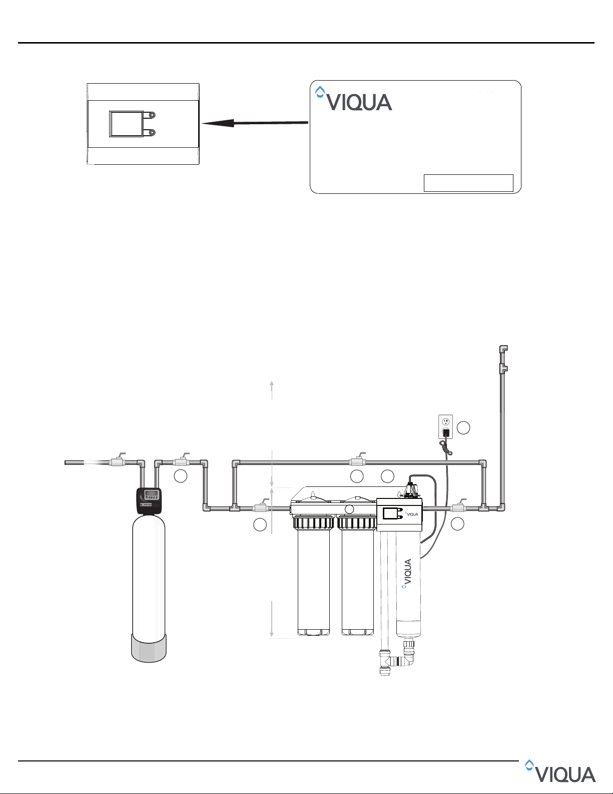
1.3 Water Chemistry
Water quality is extremely important for the optimum performance of your UV system. The following levels are
recommended for installation:
* Where total hardness is less than 7 gpg, the UV unit should operate efficiently provided the quartz sleeve is cleaned
periodically. If total hardness exceeds 7 gpg, the water should be softened. If your water chemistry contains levels in excess
of those mentioned above, proper pre-treatment is recommended to correct these water problems prior to the installation of
your UV system. These water quality parameters can be tested by your local dealer, or by most private analytical
laboratories. Proper pre-treatment is essential for the UV system to operate as intended.
WARNING
• During extended periods of no water flow, the water in your chamber can become very hot (Approx. 60 °C) and potentially lead to scalding. It is
recommended to run your water until this hot water has been purged from your chamber. Do not allow water to contact your skin during this time.
To eliminate this condition, a temperature management valve can be installed at the outlet of your UV system.
• Do not pass water through the UV system for a minimum of 5 minutes after applying power (including after power interruptions) to avoid passing
under-treated water that may, in rare instances, pose health hazards.
• This system contains a UV Lamp. Do not operate the UV Lamp when it is removed from the chamber. Unintended use or damage of the system
may result in the exposure of dangerous UV radiation. UV radiation may, even in little doses, cause harm to the eyes and skin.
• Changes or modifications made to this system without the consent of the manufacturer could render the system unsafe for operation and may void
the manufacturer's warranty.
WARNING: This product can expose you to chemicals including phthalates, which is known to the state of California to cause cancer, and mercury,
which is known to the State of California to cause birth defects or other reproductive harm. For more information go to www.P65Warnings.ca.gov.
CAUTION
Failure to follow these instructions could result in minor or moderate injury.
• Carefully examine the UV system after installation. It should not be plugged in if there is water on parts not intended to be wet such as, the
controller or lamp connector.
• Due to thermal expansion concerns and potential material degradation due to UV exposure, it is recommended to use metal fittings and at least
10" of copper pipe on the outlet of your UV chamber.
• Hg EXPOSURE: The UV lamp contains mercury. If the lamp breaks, then avoid inhalation or ingestion of the debris and avoid exposure to eyes
and skin. Never use a vacuum cleaner to clean up a broken lamp as this may scatter the spilled mercury. Obey local regulations and guidelines for
the removal and disposal of mercury waste.
NOTICE
• The UV lamp inside the UV system is rated at an effective life of approximately 9000 hours. To ensure continuous protection, replace the UV lamp
annually.
• The UV system is not to be used or played with by children. Persons with reduced physical, sensory or mental capabilities, or lack of experience
and knowledge, are also not to handle the UV system unless they have been given supervision or instruction.
• This system is intended to be permanently connected to the water lines.
• This system is not intended to be used in or above water or outdoors or used in swimming pools when persons are in the pool.
• EXTENSION CORDS: If an extension cord is necessary, use only 3-wire extension cords that have 3-prong grounding-type plugs and 3-pole cord
connectors that accept the plug from this system. Use only extension cords that are intended for outdoor use. Use only extension cords having an
electrical rating not less than the rating of the system. A cord rated for less amperes or watts than this system rating may overheat. Exercise
caution when arranging the cord so that it will not be tripped over or pulled. DO NOT use damaged extension cords. Examine extension cord
before using and replace if damaged. DO NOT abuse extension cord. Keep extension cord away from heat and sharp edges. Always disconnect
the extension cord from the receptacle before disconnecting this system from the extension cord. Never yank cord to pull plug from outlet. Always
grasp the plug and pull to disconnect.
• If the supply cord is damaged, it must be replaced by a special cord or assembly available from the manufacturer or its service agent.
• SYSTEM PROTECTION: To protect your Controller, a UL1449 certified (or equivalent) transient voltage surge suppressor is strongly
recommended.
• The UV lamp in this system conforms to the applicable provisions of the Code of Federal Regulations (CFR) requirements including, Title 21,
Chapter 1, Subchapter J, Radiological Health.
• Read and understand the Owner’s Manual before operating and performing any maintenance on this equipment.
Water Quality and Minerals Level
Iron < 0.3 ppm (0.3 mg/L)
Hardness* < 7 gpg (120 mg/L)
Turbidity < 1 NTU
Manganese < 0.05 ppm (0.05 mg/L)
Tannins < 0.1 ppm (0.1 mg/L)
UV Transmittance > 75% (call factory for recommendations on applications where UVT < 75%)