
7
Circuit Description
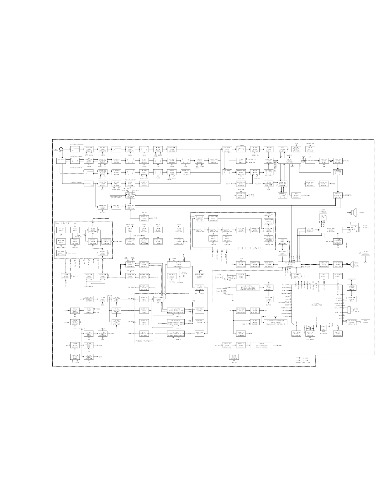
The VX-3R consists of a MAIN-UNIT, a FILTER-UNIT, a
SW-UNIT, and a VCO-UNIT. The MAIN-UNIT contains
the receiver front end, PLL IC, power and switching cir-
cuits, the CPU, audio ICs, and the power circuitry for the
LCD, the IF, and audio ICs and the VCO-UNIT for trans-
mit and receive local signal oscillation.
Receiver Signal Flow
The VX-3R includes four receiver front ends, each opti-
mized for a particular frequency range and mode combi-
nation.
(1) Triplexer
Received 145 MHz signals, after passing through a low-
pass filter to the VHF T/R switch circuit composed of di-
ode switch D1052 (RLS135) and D1053 (1SV307).
Received 430 MHz signals, after passing through a low-
pass filter to the UHF T/R switch circuit composed of di-
ode switch D1050 (RLS135) and D1051 (1SV307).
(2) VHF Bands Reception
Received signals between 140 and 150 MHz pass through
the Triplexer circuit, low-pass filter/high-pass filter cir-
cuit, VHF T/R switch circuit and protector diode D1003
(1SS362) before additional filtering by a band-pass filter
prior to application to RF amplifier Q1003 (2SC5555). The
amplified RF signal is pass through the band-pass filter
to first mixer Q1020 (2SC5555). Meanwhile, VHF output
from the VCO-UNIT is amplified by Q1048 (2SC5374)
and applied through diode T/R switch D1038 (DAM222M)
to mixer Q1020 (2SC5555) as the first local signal.
The 47.25 MHz intermediate frequency product of the
mixer is delivered to the IF circuit.
The TUNE voltage from the CPU is amplified by DC am-
plifier Q1025 (NJU7007F3) and applied to varactors
D1011 (1SV325), D1012 (1SV325), D1013 (HVC369B),
D1014 (1SV325), D1015 (1SV325), D1016 (HVC369B),
D1025 (1SV325), and D1026 (1SV325) in the variable fre-
quency band-pass filters. By changing the electrostatic ca-
pacitance of the varactors, optimum filter characteristics
are provided for each specific operating frequency.
(3) UHF Bands Reception
Received signals between 430 and 450 MHz pass through
the Triplexer circuit, low-pass filter/high-pass filter cir-
cuit, UHF T/R switch circuit and protector diode D1002
(1SS326) before additional filtering by a band-pass filter
prior to application to RF amplifier Q1002 (2SC5555). The
amplified RF signal is pass through the band-pass filter,
RF amplifier Q1013 (2SC5555) and band-pass filter to first
mixer Q1019 (2SC5555). Meanwhile, UHF output from
the VCO-UNIT is amplified by Q1056 (2SC5374) and ap-
plied through diode T/R switch D1039 (DAM222M) to
mixer Q1019 (2SC5555) as the first local signal.
The 47.25 MHz intermediate frequency product of the
mixer is delivered to the IF circuit.
The TUNE voltage from the CPU is amplified by DC am-
plifier Q1025 (NJU7007F3) and applied to varactors
D1005, D1010, D1023, and D1024 (all HVC358B) in the
variable frequency band-pass filters. By changing the elec-
trostatic capacitance of the varactors, optimum filter char-
acteristics are provided for each specific operating fre-
quency.
(4) 47.25-MHz First Intermediate Frequency
The 47.25 MHz first intermediate frequency from first
mixers is delivered from the first mixer to IF circuit. On
the MAIN-UNIT, the IF for AM and FM-narrow signals
is passed through diode switch D1030 (DAP222M) and
47.25 MHz monolithic crystal filter (MCF) XF1001 to nar-
row IF amplifier Q1030 (2SC4915) for input to IF IC Q1047
(NJM2552V) after amplitude limiting by D1033
(DA221M).
Meanwhile, a portion of the output of 11.7 MHz crystal
X1001 is multiplied fourfold by Q1035 and Q1037 (both
2SC4915) to provide the 46.8 MHz second local signal,
applied to the Narrow IF IC. Within the IC, this signal is
mixed with the 47.25 MHz first intermediate frequency
signal to produce the 450 kHz second intermediate fre-
quency.
This second IF is filtered by ceramic filter CF1002 and
amplified by the limiting amplifier within the Narrow IF
IC before quadrate detection by ceramic discriminator
CD1001.
Demodulated audio is output from pin 11 of the Narrow
IF IC through narrow mute analog switch Q1068
(2SJ364).
The resulting audio is amplified by AF amplifier Q1005
(NJM2151AV), and output through MIC/EAR jack J1004
to internal speaker SP1001 or an external earphone.
Transmitter Signal Flow
(1) 145 MHz Band Transmit/Receive Switching
Closing PTT switch S3003 on the SW-UNIT pulls the base
of Q1011 (DTA144EM) low, causing the collector to go
high. This signal is input to pin 44 (PTT) of CPU Q1095
(HD64F2266TF13V), allowing the CPU to recognize that
the PTT switch has been pushed. When the CPU detects
closure of the PTT switch, pin 70 (TX/RX) goes high. This
control signal switches Q1069 (RN4985) to produce the
TX control signal that activates Q1071 (2SA2029). At the
same time, PLL division data is input to PLL IC Q1041
(MB15A01PFV1) from the CPU, to disable the receiver
power saver. Also, switching Q1070 (EMG2) to disable
the receiver circuits. Then causing the red side of BUSY/
TX lamp D1009 (CL-165HR/YG) to light.