
5IOM-1078
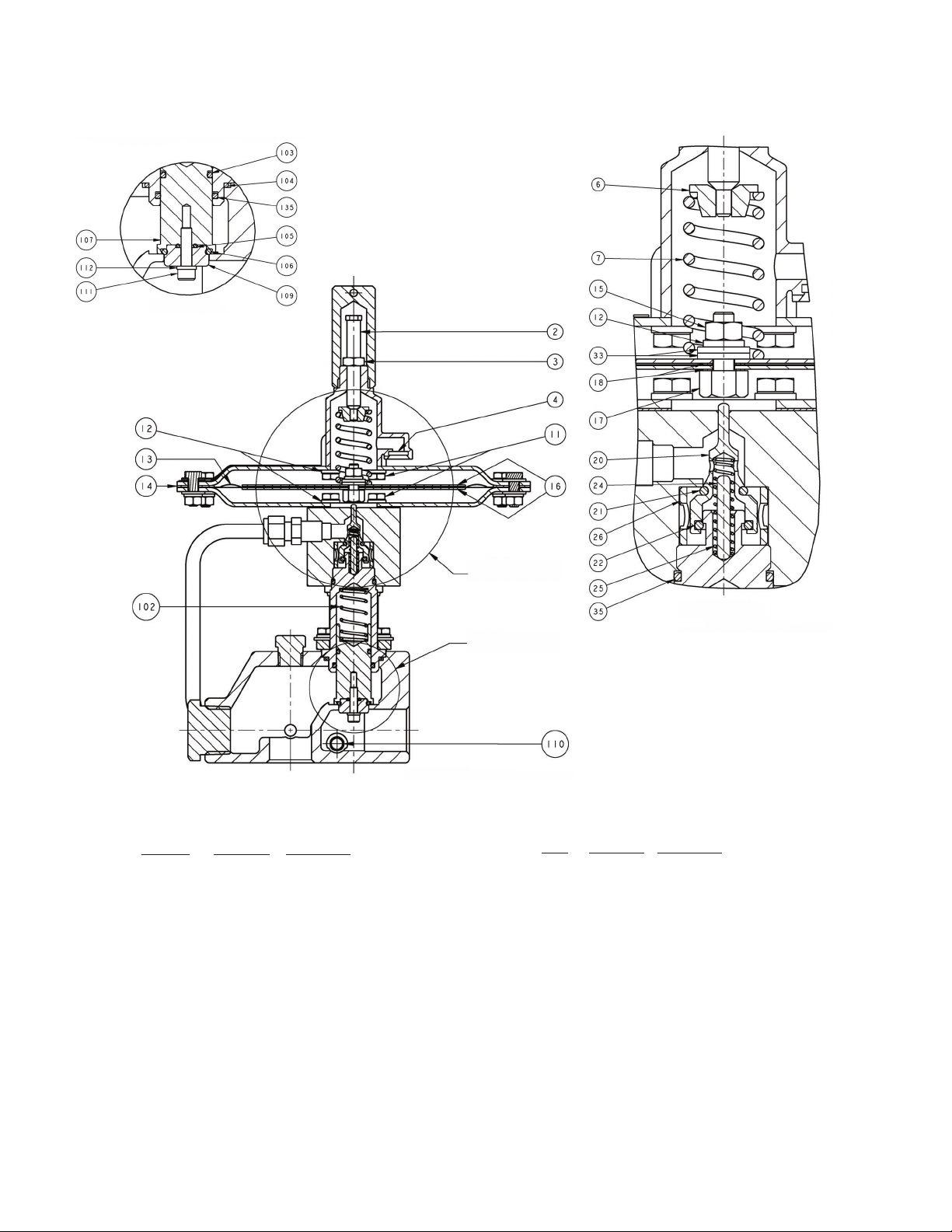
(107), o-rings (103, 104 and 135) and other internal
parts should come out with the pilot mount.
To access o-rings (105, 106), pull the piston (107) out
of the pilot mount and remove the screw (111) and lock
washer (112). The flow plug (109) will come out with a
straight pull.
For 2” SIZE: Place a set of match marks between
the main body (108) and the pilot housing (124).
Rotate the six cap screw (129) CCW and remove
lock washers (130) that hold the piston housing (124)
to the main body (108). Carefully lift the pilot housing
upwards to remove from the main body. To access the
o-rings (105,106), pull the piston (107) out of the piston
housing or remove it from the main body cavity. Rotate
cap screw (111) CCW to remove lock washer (112).
The flow plug (109) will come out with a straight pull.
To access seat ring seal (132), rotate cap screws (11)
CCW and remove lock washers (12) from seat ring
(131). Lift up to remove the seat ring from the main
body. If the seat ring is difficult to remove, thread two
cap screws into the threaded holes and remove the
seat ring by lifting upwards on the cap screws.
Replace all parts that show signs of damage or excessive
wear. Make sure the material for new parts is suitable
for the service, especially elastomeric components.
If an o-ring needs to be replaced, be sure to use the
correct size and material. Prior to reassembly, make
sure all parts are clean and free of contamination and
seating surface is free of scratches.
To Reassemble the Valve - utilize specific
instructions as follows:
in the recess in the end of the flow plug (109). Grasp
the flow plug and push it into the shallow cavity end
of the piston. Slide lock washer (112) on screw (111)
and install screw through hole in flow plug (109) into
the piston (107). For 1” SIZE torque the screw to 8-10
ft-lbs. For 2” SIZE torque the screw to 13-15 ft-lbs.
NOTE: The size of the flow plug is stamped on the flat
end. See TABLE 1.
For 1” SIZE: Install o-ring (135) in the groove
inside the pilot mount (37). Next install o-ring (103) in
the groove on the outside of the piston (107). Lightly
grease the O.D. of the piston and the I.D. of the pilot
mount. Install o-ring (104) on the lip inside the cavity
of the body. Slide mounting plate (36) over end of
pilot mount. Place spring (102) on top of piston and
slide spring / piston into pilot mount. Push the piston in
against the spring several times to ensure there is no
undue binding. Guide the pilot mount, with the piston
inside, into the main body cavity. Install flat washers
(41), lock washers (12) and cap screws (11) and tighten
the cap screws enough to hold the pilot mount against
the main body to prevent the mount from turning.
For 2” SIZE: Install the seat o-ring (132) in the
groove in the main body cavity. Place seat ring (131)
over the o-ring, install the four lock washers (12) and
cap screws (11) through the holes in the seat ring. Be
sure the flat side of the seat ring is up. Torque cap
screws to 13-15 ft-lbs.
Lightly grease the O.D. of the piston (107) and I.D.
of the piston housing (124). Install o-ring (135) in the
groove in the piston housing. Next install o-ring (103) in
the groove on the outside of the piston. Before placing
the piston into the main body cavity, ensure the o-ring
(135) seats properly into the piston housing and the
piston can slide smoothly in the housing. To check this,
insert the spring (102), followed by the piston, into the
piston housing. Push the piston in against the spring
several times to ensure there is no undue binding. If
there is no binding, the piston can then be removed
from the housing and placed in the main body.
Set the piston (107) on the seat ring (131) inside the
main body cavity. Place spring (102) into the cavity of
the piston. Install o-ring (104) under the flange of the
piston housing (124). Carefully guide the piston housing
over the piston and into the main body cavity. Ensure
the piston slides properly into the housing. Align the
match marks between the body and the pilot housing.
Install the six lock washers (130) and cap screws (129)
to secure the housing to the main body. Reinstall pilot
connector (47) into the top of the pilot housing (124) if
it was removed previously.
CAUTION
DO NOT overtighten threaded connections since
damage or breakage may result. Wrap all NPT threads
with TFE tape. Apply anti-seize compound on bolt
threads. Very lightly lubricate all o-rings with a
lubricant that is compatible with the service, sealing
surfaces of gaskets and diaphragms also.
MAIN VALVE: Install the body in a vise with the large
opening of the body upwards. Lightly lubricate all
o-rings as mentioned above. Prior to installing the flow
plug (109) on the piston (107), place o-ring (106) on
the groove on the OD of the piston . Install o-ring (105)
CAUTION
If the piston (107) does not remain in the main body
cavity, it may slowly slide out from the housing. Make
sure the piston does not fall out of the housing while
retracting the housing from the main body.