urmet domus 1382 Manual de usuario

DS 1382-002A LBT 8608
Mod.
1382
DISPOSITIVO DI PROTEZIONE PER LINEE TELEFONICHE
(CERTIFICAZIONE EN61643-21/A1)
SURGE PROTECTION DEVICE
(COMPLIANT EN61643-21/A1)
PER UNA LINEA TELEFONICA
FOR ONE TELEPHONE LINE
Sch./Ref. 1382/81
PER DUE LINEE TELEFONICHE
FOR TWO TELEPHONE LINES
Sch./Ref. 1382/82
103 mm
57 mm
36 mm

2DS1382-002A 3
DS1382-002A
ITALIANO
GENERALITÀ
I dispositivi di protezione per linee telefoniche devono essere impiegati per proteggere le apparecchiature
elettroniche (centralini PABX, interfacce, segreterie telefoniche, fax, etc.) dalle sovratensioni e dai disturbi
provenienti dalla rete telefonica.
Progettato e certificato secondo la normativa Europea EN61643-21/A1.
INSTALLAZIONE
Il dispositivo può essere fissato a parete tramite la staffa fornita a corredo oppure fissato su barra DIN.
In caso di fissaggio a parete DEVE essere installata la copertura di protezione dei morsetti.
AVVERTENZE
Il dispositivo deve essere installato esclusivamente da personale qualificato.
L’esecuzione dell’impianto deve essere rispondente alle norme vigenti. Tutti gli apparecchi costituenti
l’impianto, devono essere destinati esclusivamente all’uso per cui sono stati concepiti: ogni altro uso è
da considerarsi improprio. Il costruttore non può essere considerato responsabile per eventuali danni
derivanti da usi impropri, ed irragionevoli.
Il dispositivo è stato progettato in modo tale da essere conforme alle norme vigenti.
Prima di collegare l’apparecchio accertarsi che i dati di targa siano rispondenti a quelli della rete di
distribuzione.
Dopo aver tolto il prodotto dall’imballaggio assicurarsi dell’integrità dell’apparecchio. Se si notano dei
danneggiamenti non procedere con l’installazione.
Gli elementi dell’imballaggio non devono essere lasciati alla portata dei bambini, in quanto potenziali
fonti di pericolo.
Non installare il dispositivo in ambienti umidi o vicino a sorgenti di calore. Sistemare il dispositivo su una
superficie solida e asciutta, al riparo da pioggia e intemperie, utilizzando i sistemi di fissaggio previsti.
Provvedere ad una idonea ventilazione.
Evitare di installare il dispositivo durante temporali con fulmini.
Non toccare i cavi non isolati prima di averli disconnessi a monte dalla rete elettrica.
Non manomettere o aprire in alcun modo l’apparecchiatura. L’apertura e la manomissione del dispositivo
fanno decadere le condizioni di garanzia. In caso di necessità rivolgersi a un centro di assistenza
autorizzato dal costruttore.
Il dispositivo non contiene parti soggette a manutenzione.
Prima di effettuare qualsiasi operazione di pulizia o di manutenzione, disinserire l’apparecchio dalla
rete di alimentazione elettrica, spegnendo l’interruttore dell’impianto. Non usare prodotti spray per la
pulizia.
In caso di guasto e/o di cattivo funzionamento dell’apparecchio togliere l’alimentazione mediante
§
•
•
•
•
•
•
•
•
•
•
•
•
•
•
l’interruttore generale e non manometterlo.
Per l’eventuale riparazione rivolgersi solamente ad un centro di assistenza tecnico autorizzato dal
costruttore.
Il mancato rispetto di quanto sopra può compromettere la sicurezza dell’apparecchio.
Questo documento dovrà essere sempre allegato all’apparecchio.
COLLEGAMENTI
Per accedere ai morsetti di collegamento fare leva con un cacciavite a taglio.
Rimuovere la guaina isolante dei cavi per massimo 6mm.
Linea telefonica
entrante 1
Linea telefonica
entrante 2 (*)
Linea telefonica
uscente 2 (*)
Terra
INPUT
OUTPUT
Dispositivo di protezione
(*) Disponibile solo su Sch.1382/82
Linea telefonica
uscente 1
Prevedere canalizzazioni separate per le linee di ingresso e le linee di uscita.
Tipologia di cavo trefolato rigido
Sezione nominale 0,3 (AWG22) ÷ 2,5 (AWG13) mm20,3 (AWG22) ÷ 4 (AWG11) mm2
Coppia massima di serraggio
morsetti 0,5 ÷ 4 Nm 4 Nm
Maggiore è la sezione del cavo utilizzato maggiore sarà l’efficienza della protezione sull’impianto.
Gli ingressi delle linee telefoniche non possono essere invertiti con le linee di uscita.
•
•
•
§
§
§
§

4DS1382-002A 5
DS1382-002A
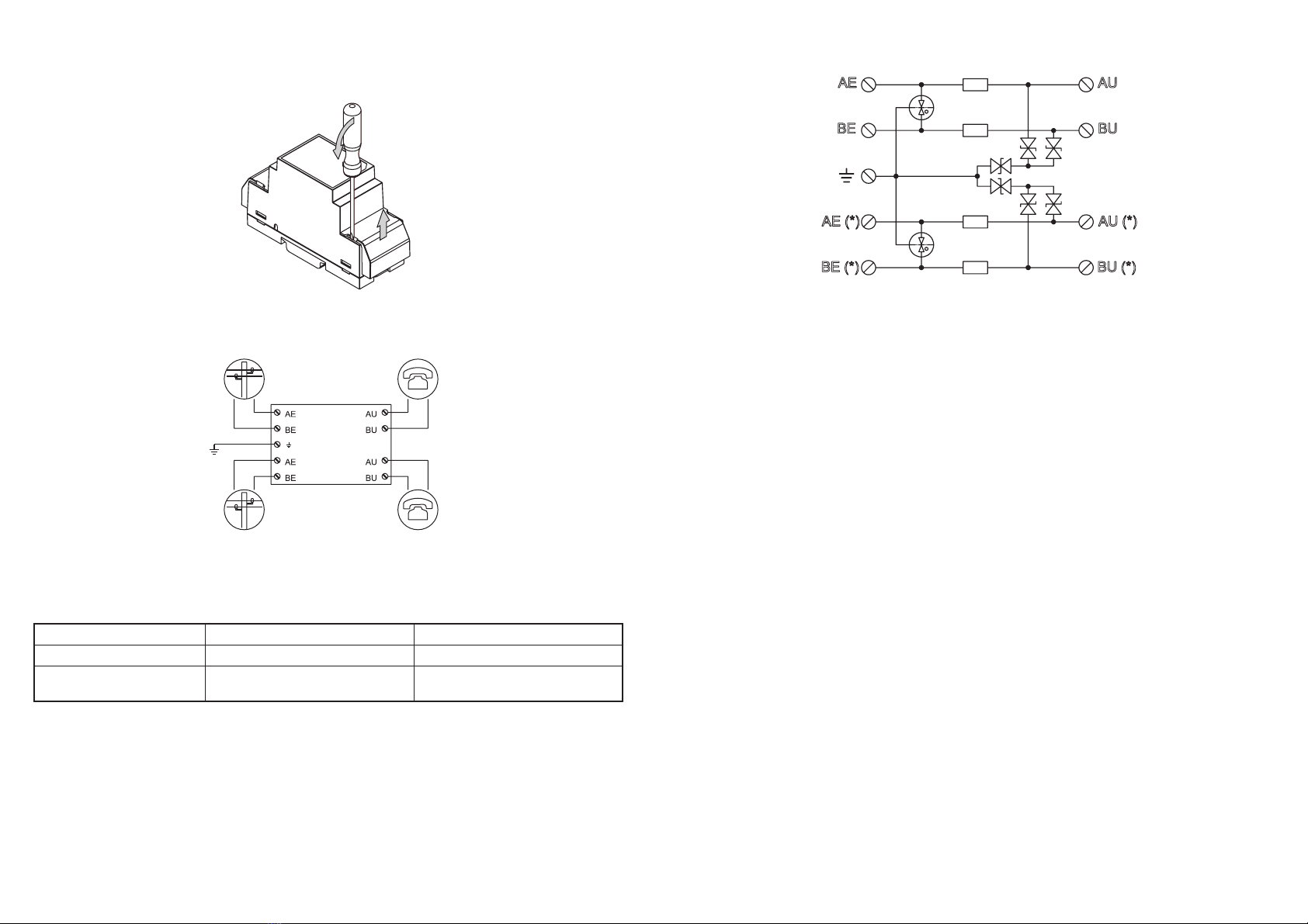
SCHEMA DI PRINCIPIO
INPUT
OUTPUT
(*) disponibile solo su Sch.1382/82
CARATTERISTICHE TECNICHE
Tensione massima continuativa (Uc):................................................................................... 127Vca / 180Vcc
Corrente di carico nominale: ................................................................................................. <180mA @ 25°C
Limitatore di corrente: ........................................................................................................... >360mA @ 25°C
Corrente massima di intervento: ..........................................................................................1A @ 3,8s e 25°C
Resistenza serie: ......................................................................................................................... 12 + 12 Ohm
Attenuazione di inserzione (1 ÷ 2200) kHz: ........................................................................................ < 0,5 dB
Capacità parassita (AE-BE, AE/BE-terra):............................................................................................< 50 pF
Capacità filo filo:...................................................................................................................................< 25 pF
Capacità filo terra: ................................................................................................................................< 25 pF
Temperatura di funzionamento: ....................................................................................................... -5÷+40°C
Umidità relativa:...................................................................................................................................10÷80%
Certificazione:......................................................................................................................... EN61643-21/A1
Corrente di scarica livello C2 (8/20): ..........................................................................................................5kA
Tensione livello di protezione (Up): ................................................................................. < 275V tra filo e filo
Tensione livello di protezione (Up): ...............................................................................< 500V tra filo e terra
Prova di vita in ca:........................................................................................................................ 1 A x 1 s x 5
Prova di vita ad impulso:...................................................................................................................5 kA x 10
Tempo di disinnesco all’impulso:........................................................................................................< 60 ms
Modalità di guasto AE-BE: .................................................................................................................MODO 3
Modalità di guasto AE/BE-TERRA: ....................................................................................................MODO 1
ENGLISH
GENERAL INFORMATION
Telephone line surge protection devices (SPD) must be used to protect electronic equipments (PABX,
interfaces, answering machines, fax, etc.) against over-voltage and interferences on telephone lines.
Designed and certified according to EN61643-21/A1 European standard.
INSTALLATION
The device can be wall mounted using the provided bracket or DIN bar mounted.
In case of wall mounting, a terminal pin protection cover MUST be installed.
WARNING
The device must be installed by skilled personnel only.
The system must be compliant with regulations in force. All system devices must be used uniquely for
the purpose for which they were originally designed: any other use is improper. The manufacturer is not
responsible for damages resulting from improper use.
The device has been designed to be compliant with regulations in force.
Before powering the device, check that mains voltage conforms with the equipment.
Unpack the device and check that it is not damaged. In case of damages, do not install it.
Keep packing parts, which may be a source of danger, out of reach of children.
Do not install the device in wet locations or near heat sources. Place the device on a dry and solid
surface, protected against rain and bad weather, using its fixing methods.
Ensure a sufficient ventilation.
Don’t install the device during storms with lightnings.
Don’t touch not insulated cables before disconnecting them from mains.
Do not tamper or open the device. The warranty will be void if the device is opened or tampered. If
necessary, contact an authorized technical assistance centre.
The device doesn’t contain parts subject to maintenance.
Before any cleaning or maintenance operations, disconnect the device from mains, by switching the
system off. Do not use spray cleaners.
In case of device failure and / or malfunction, unpower it using the general switch; do not tamper it.
For repairing, contact an authorized technical assistance centre only.
If the above rules are not observed, whole device safety may be compromised.
This document must always be provided with the device.
§
•
•
•
•
•
•
•
•
•
•
•
•
•
•
•
•
•

6DS1382-002A 7
DS1382-002A
WIRINGS
To reach the connection terminal pins, lever with a slotted screwdriver.
Remove the cable insulation sheath for 6mm max.
Incoming
telephone line 1
Incoming
telephone line 2 (*)
Outgoing
telephone line 2 (*)
Ground
Surge protection device
(*) Only available on Ref. 1382/82
Outgoing
telephone line 1
INPUT
OUTPUT
Incoming and outgoing lines need separated conduits.
Cable type stranded solid core
Nominal section 0,3 (AWG22) ÷ 2,5 (AWG13) mm20,3 (AWG22) ÷ 4 (AWG11) mm2
Terminal pins max. seating
torque 0,5 ÷ 4 Nm 4 Nm
The more big is the cable section used, the more efficient system protection will be.
Input telephone lines must not be inverted with output lines.
§
§
§
§
DRAFT DIAGRAM
INPUT
OUTPUT
(*) only available on Ref. 1382/82
TECHNICAL FEATURES
Max. continuous operating voltage (Uc): ............................................................................. 127Vca / 180Vdc
Nominal load current:............................................................................................................ <180mA @ 25°C
Current limiter:....................................................................................................................... >360mA @ 25°C
Max. tripping current:.......................................................................................................1A @ 3,8s and 25°C
Series resistance: ........................................................................................................................ 12 + 12 Ohm
Insertion loss (1÷2200 kHz): ............................................................................................................... < 0,5 dB
Parasitic capacitance (AE-BE, AE/BE – ground): .................................................................................< 50 pF
Wire to wire capacitance:.....................................................................................................................< 25 pF
Wire to ground capacitance: ................................................................................................................< 25 pF
Operating temperature range:.......................................................................................................... -5÷+40°C
Relative humidity: ................................................................................................................................10÷80%
Compliant with: ...................................................................................................................... EN61643-21/A1
Discharge current level C2 (8/20): ..............................................................................................................5kA
Protection level voltage (Up): ........................................................................ < 275V between wire and wire
Protection level voltage (Up): ................................................................... < 500V between wire and ground
ac life test: .................................................................................................................................... 1 A x 1 s x 5
Pulse life test: ....................................................................................................................................5 kA x 10
Intervention time (disengage to the pulse): .........................................................................................< 60 ms
AE-BE Fault Mode: ............................................................................................................................ MODE 3
AE/BE-GROUND Fault Mode: ........................................................................................................... MODE 1

DS 1382-002A LBT 8608
Area tecnica
servizio clienti +39 011.23.39.810
http://www.urmet.com
e-mail: [email protected]
URMET S.p.A.
10154 TORINO (ITALY)
VIA BOLOGNA 188/C
Telef. +39 011.24.00.000 (RIC. AUT.)
Fax +39 011.24.00.300 - 323
Este manual sirve para los siguientes modelos
1
Tabla de contenidos
Idiomas:
Otros manuales de Cambiar de urmet domus

urmet domus
urmet domus GROTHE MISTRAL SE06 Guía del usuario

urmet domus
urmet domus IPercom 1039/44 Manual de usuario

urmet domus
urmet domus Agora 2 Instrucciones de montaje

urmet domus
urmet domus 1093 Series Manual de usuario

urmet domus
urmet domus 3000 Manual de usuario

urmet domus
urmet domus 1090/601 Manual de usuario

urmet domus
urmet domus 1060 Manual de usuario

urmet domus
urmet domus 1060/41 Manual de usuario

urmet domus
urmet domus Yokis ABE2BPP Manual de usuario

urmet domus
urmet domus Digivoice 1038 Manual de usuario





















