
MEGA 120E PUMP OPERATION / MAINTENANCE MANUAL CONTENTS
CONTENTS
1INSTALLATION............................................................................................................3
1.1 UNPACKING ......................................................................................................3
1.2 TIE BOLT TORQUE ...........................................................................................3
1.3 UTILITIES / HOOK-UP .......................................................................................3
2OPTIONS ......................................................................................................................6
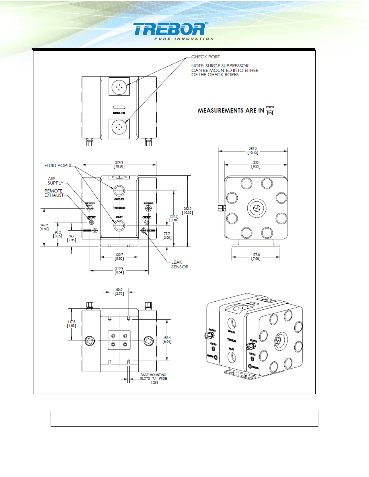
2.1 FLUID PORT CONNECTION OPTIONS............................................................6
2.2 FLUID FITTINGS / SURGE SUPPRESSOR HOOK-UP ....................................6
2.3 OPTIONAL LEAK SENSING ..............................................................................7
2.3.a Installation..............................................................................................7
2.3.b Removal.................................................................................................7
2.3.c Sensor Signal Specifications .................................................................8
3START-UP ....................................................................................................................9
3.1 HIGH TEMPERATURE OPERATION ................................................................9
3.2 PERFORMANCE CHARTS ................................................................................9
4MAINTENANCE..........................................................................................................11
4.1 PREVENTIVE MAINTENANCE SCHEDULE...................................................11
4.1.a Preventive Maintenance Record .........................................................13
4.2 RECOMMENDED SPARE PARTS ..................................................................14
4.3 TOOLS..............................................................................................................14
4.4 PARTS ILLUSTRATION...................................................................................15
4.5 PARTS LIST .....................................................................................................16
4.6 CLEAN-UP........................................................................................................16
4.7 DISASSEMBLY ................................................................................................16
4.7.a Quick Exhaust/Muffler Disassembly ....................................................17
4.7.b Body Disassembly ...............................................................................17
4.8 ASSEMBLY ......................................................................................................17
4.8.a Quick Exhaust (Both Heads) ...............................................................17
4.8.b Body Assembly ....................................................................................18
4.8.c Final Assembly ....................................................................................21
4.9 TESTING ..........................................................................................................22
4.9.a Performance Test ................................................................................22
4.9.b Dry Pump.............................................................................................22
4.9.c Dry Suction ..........................................................................................22
5TROUBLESHOOTING................................................................................................23
6WARRANTY AND EXCLUSIONS..............................................................................24
6.1TREBOR STANDARD LIMITED WARRANTY.................................................24
7CONTACT INFORMATION ........................................................................................25
7.1 GENERAL CONTACT INFORMATION ERROR! BOOKMARK NOT DEFINED.
7.2 TECHNICAL SUPPORT ....................... ERROR! BOOKMARK NOT DEFINED.
7.3 REGIONAL REPRESENTATIVES ....... ERROR! BOOKMARK NOT DEFINED.