
http://www.topflytech.com
This document is copyrighted by Shenzhen Topflytech Communication Technology Co.,Ltd. All rights reserved.
Any unauthorized copy or transmission of the document wholly or partially shall be held liable.
begin to blink. After 5 minutes, the lights will go out again. (This function can be used for
checking the signal status of the GSM and GPS.)
8.3 Location Search
1) Dial Query
You can dial the SIM card number of the device, hang up in 10 seconds after the ringing,
then it will return the location information. But if hang up after 10 seconds, it will get into the
monitoring mode automatically.
2) SMS Query
When inquire the location information of the device, you can send a location inquiry SMS to
the SIM card of the device, and then the device will return the location information or global
coordinates of the last known location of the device.
For the SMS format, please refer to the Operation Command in this manual.
3) Platform Query
User can log on the Global Positioning Service Platform provided by the dealer to access
the location of the vehicle. Consult your dealer for web address of the service platform.
8.4 SOS Alarm
During emergencies, press and hold down SOS button for 1 second will activate an SOS alarm
to be sent. The device will dial all the preset Manager phone numbers in sequence for 3 times
until any one of the Managers answer the call. If no answer after 3 times dialing, it will stop to
dial. It will also send SOS SMS to Managers for 1 time. In addition, the device will also send
SOS alarm to the service platform.
Note: The Manager phone numbers should be set up first, and then the SMS and SOS function
can be activated.
8.5 Monitoring
When preset Manager dials the device, the device will enter into monitoring mode after 10
seconds. Manager can monitor the audio situation of the vehicle. The device will not activate
monitoring mode when the incoming call numbers are not those of Manager.
Note:
1) If no Manager setting, any telephone calling can dial to monitoring.
2) If setting the Manager, only the Manager can dial to monitoring.
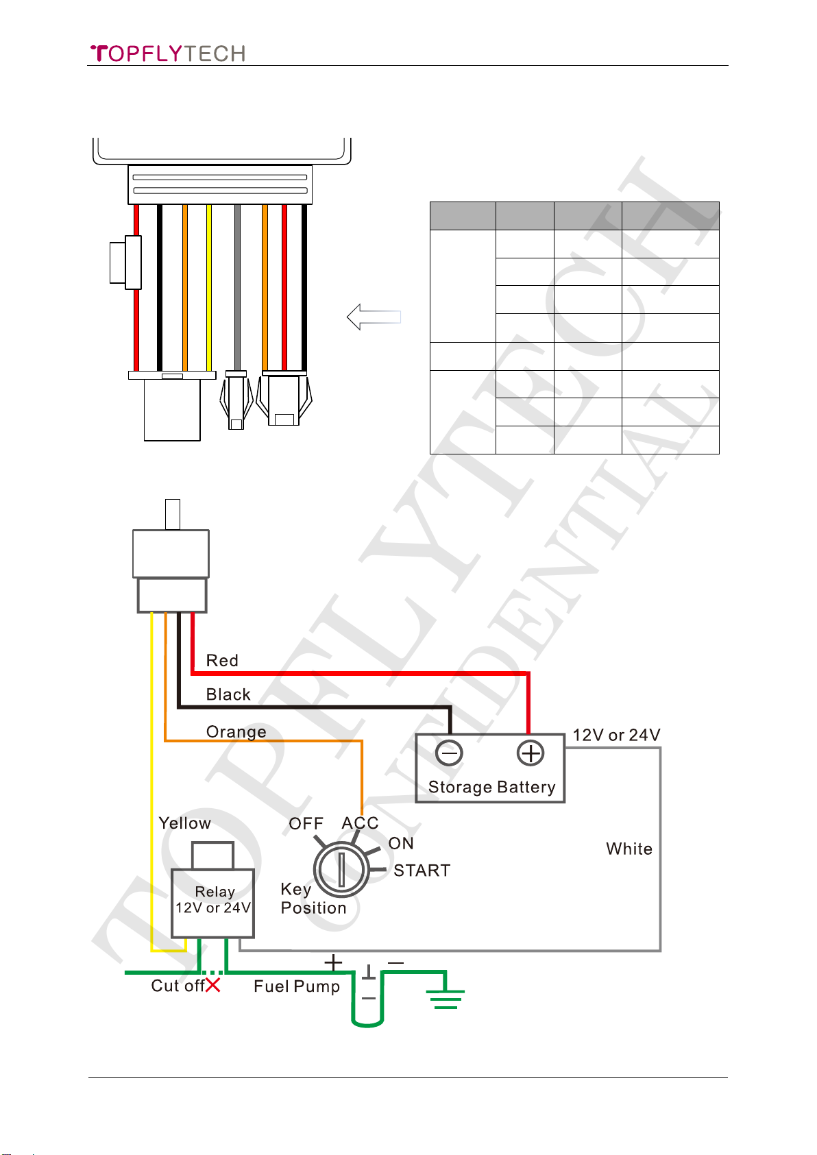
8.6 Fuel Cut
When needed, Service Platform or Manager can issue a fuel cut command. Under the premise
of safe driving, fuel supply is cut off, disabling the vehicle from being driven. Ensure the vehicle
safety, device will cut off fuel supply only when GPS positioning is set and the vehicle speed is
lower than 20 km/h. (If the vehicle speed is higher than 20km/h or the GPS positioning is not