TOA Corporation BG/BA-200 Series 2/4
SPECIFICATIONS
Model No. BG-220 BG-235
Power Source 120 V AC, 60 Hz
Rated Output 20 W 35 W
Power Consumption 60 W (rated output), 36 W (based on cULus standards) 90 W (rated output), 55 W (based on cULus standards)
Frequency Response 50 Hz – 20k Hz
Total Harmonic Distortion 0.5% or less, at 1 kHz, rated output
Input Mic.: –60 dB*/Line 1: –10 dB*
Mic/Line 1 selectable, 600Ω, electronically balanced, removable terminal block
Line 2, 3: –10 dB*, 10 kΩ, unbalanced, removable terminal block or RCA jack
Output Speaker 4 Ω, 25 V (31 Ω) and 70 V (245 Ω) balanced, removable terminal block 4 Ω, 25 V (18 Ω) and 70 V (140 Ω) balanced, removable terminal block
MOH 0 dB*, 600 Ω, balanced, removable terminal block
Line 0 dB*, 600 Ω, unbalanced, removable terminal block
Output Regulation 2 dB or less, no load to full load (1k Hz)
S/N Ratio Mic/Line 1: 60 dB or more/Line 2, 3: 80 dB or more
(Band Pass: 20 Hz – 20k Hz, Tone Controls: Centered)
Tone Control Bass: ±10 dB at 100 Hz, Treble: ±10 dB at 10k Hz
Control Mic/Line 1 gain control, Line 2 gain control, Line 3 gain control, Bass tone control, Treble tone control,
MOH out gain control, Mute control (Manual mute), Mute sense control,
Auto mute switch (Mic/Line 1), Mic /Line 1 selector switch, Mute receive switch (Line 2, 3),
MOH assign switch (Mic/Line 1, Line 2, 3), Power ON/OFF switch
Indicator Power LED, Signal level LED, Peak LED
Other Feature Automatic electronic drive limiter
Operating Temperature 0°C to 40 °C (32°F to 104 ºF)
Operating Humidity 35 % to 80 % RH (no condensation)
Finish Panel: ABS resin, black/Case: Steel plate, black, paint
Dimensions 210 (W) ×94.3 (H) ×265 (D)mm (8.27" ×3.71" × 10.43")
Weight 3.5 kg (7.72 lb) 4 kg (8.82 lb)
Accessory Volume control cover: YA-920 × 3, Removable terminal plug (2 pins) × 3, Removable terminal plug (3 pins) × 1, Removable terminal plug (4 pins) × 1,
Removable terminal plug (5 pins) × 1
Option Rack mounting brackets: MB-25B-BK, MB-25B-J
*0dB = 1V
CHARACTERISTIC DIAGRAMS
BG-220
BG-235
0110100
10
1
0.1
0.01
Power Output (W)
THD (%)
THD vs Power Output
100Hz
1kHz
10kHz
10
5
0
-5
-10
-15
-20
Frequency (Hz)
Devation (dB)
Frequency Response
10 100 1000 10000 100000
0110100
10
1
0.1
0.01
Power Output (W)
THD (%)
THD vs Power Output
10
5
0
-5
-10
-15
-20
Frequency (Hz)
Devation (dB)
Frequency Response
10 100 1000 10000 100000
ARCHITECTURAL AND
ENGINEERING SPECIFICATIONS
BG-220 / BG-235
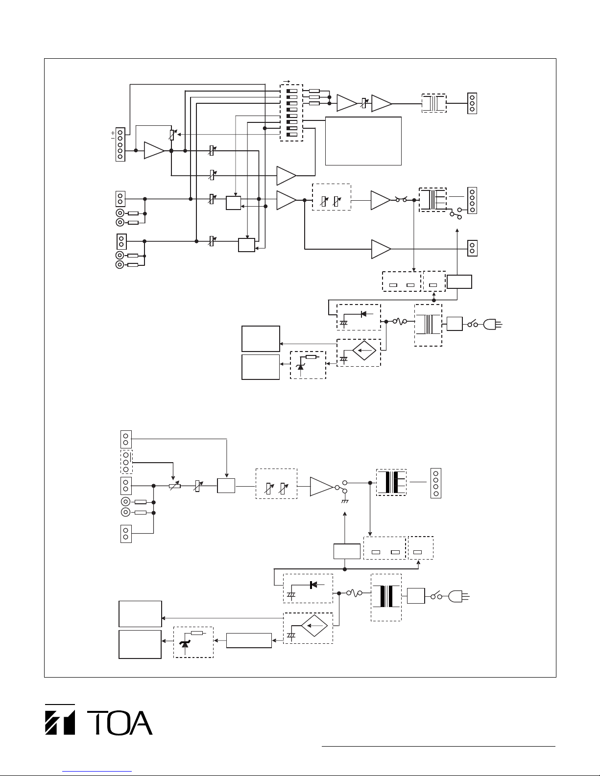
The mixer amplifier shall control and mix up to three input signals
and deliver an audio output of 20W/35W. Frequency response
shall be 50 to 20k Hz with 0.5% or less THD at rated output. The
output regulation shall be less than 2dB, no load to full load. The
mixer amplifier shall have switch-selectable MIC/LINE input,
electronically balanced, with removable terminal block
connections and two LINE inputs, unbalanced, with removable
terminal block connections and RCA jacks. The MIC/LINE 1 input
impedance shall be 600 ohms and the LINE 2/3 input impedance
shall be 10k ohms. The mixer amplifier shall include a
MOH/ZONE 2 output with removable terminal block. The mixer
amplifier shall include 25V, 70V and 4 ohm balanced outputs.
Built-in protection circuitry shall monitor current level to minimize
potential damage from overloads, and disable output during
excessive operating temperature over 221°F (105°C). The mixer
amplifier shall incorporate a mute function to allow MIC/LINE input
to override LINE 2 and 3 input without interrupting the
MOH/ZONE 2 output. A rear-mounted MUTE SENSE control
shall allow threshold adjustment of mute activation. Terminals for
activating the mute function manually with external switch closure
shall also be included. Rear-mounted DIP switches shall allow
assignment of LINE 2 and/or LINE 3 to respond to the mute
function activation. Each input shall be assignable to the
MOH/ZONE 2 output. 2-channel broadcast shall be possible
using the MOH/ZONE 2 output. Recessed Bass and Treble
controls shall be located on the front panel. Accessory volume
control security knob shall be included to prevent the accidental
change of input volume settings.
The mixer amplifier shall be cULus-Listed and capable of
operation from a 120V AC / 60Hz line breaker. Dimensions (W ×
H ×D) shall be 8.27" ×3.71" ×10.43" (210 ×94.3 ×265 mm). Net
weight shall be BG-220: 7.72 lbs. (3.5kg); BG-235: 8.82 lbs. (4kg).
Front panel finish and material shall be black ABS resin and case
finish (and material) shall be black steel plate.
The mixer amplifier shall be TOA model BG-220 / BG-235.
The optional rack-mount bracket shall be TOA model MB-25B-BK.
The optional rack-mount bracket (two units) shall be TOA model
MB-25B-J.
100Hz
1kHz
10kHz
Measurement: Line 2 input