3
CAUTION
When Installing The Unit
When The Unit is In Use
TOA’s Digital PA Amplifiers A-2030D, A-2060D, A-2120D, A-2120DT and A-2240D, A-2240DT Series are high
performance mixer power amplifier suited for broadcasting paging or background music in schools, offices,
shop, factories, mosque, churches and large room.
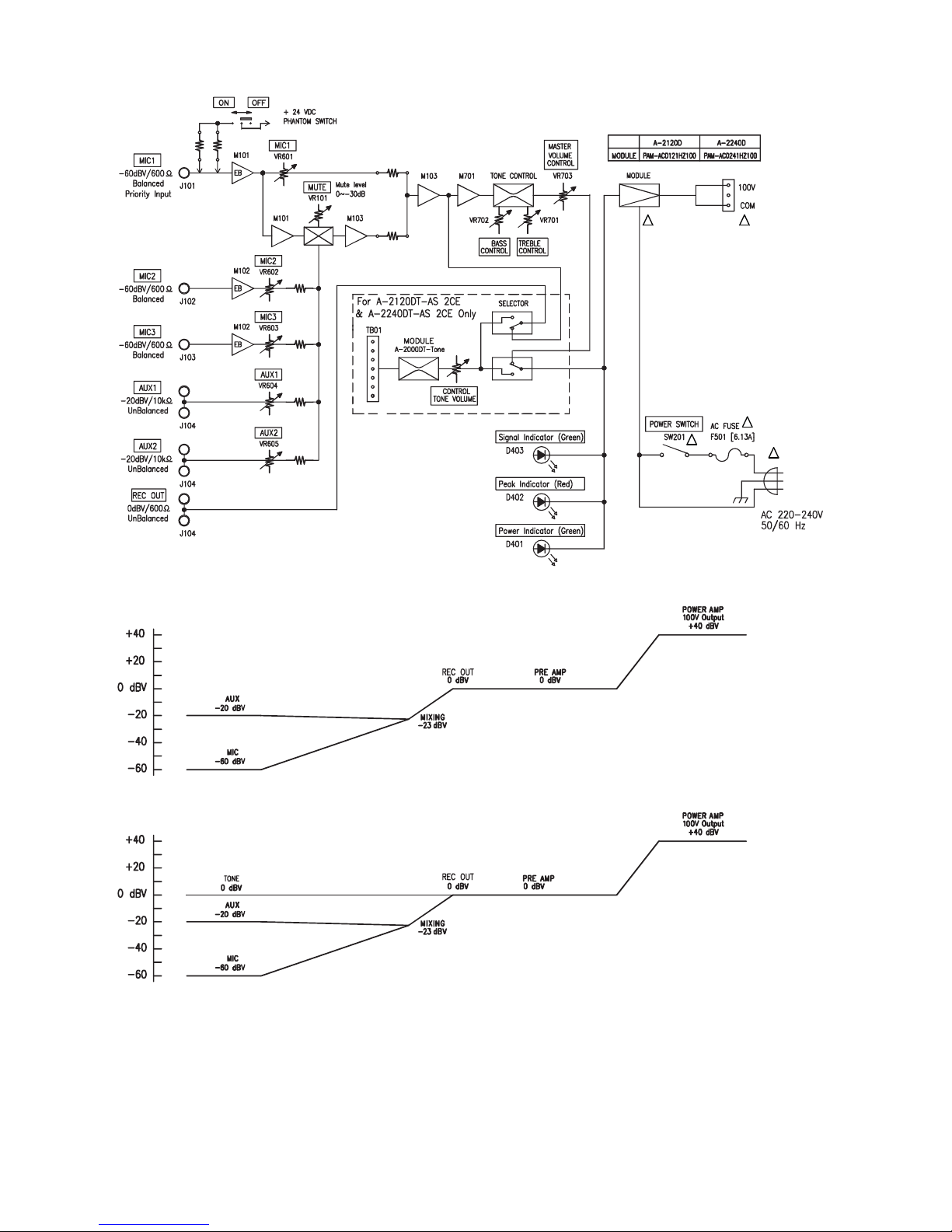
2. GENERAL DESCRIPTION
3. FEATURES
• Three microphone inputs are electronically-balanced input, two AUX input and one recording output.
• Speaker output of constant voltage distribution system (100V).
• Operates on AC power.
• Muting function.
• Independent input volume control and master volume control.
• Independent tone control of boost and cut type for both high and low frequency.
• Current limiter circuitry protects transistor and thermal protection circuitry prevent a failure due to overheat.
• Never plug in nor remove the power supply plug
with wet hands, as doing so may cause electric
shock.
• When unplugging the power supply cord, be sure
to grasp the power supply plug, never pull on
the cord it self. Operating the unit with a
damaged power supply cord may cause a fire or
electric shock.
• Keep the distance for all side of units 10 cm away
from the object that may obstruct air flow for inter-
nal units temperature rise prevention.
• Do not place heavy object on the unit as this may
cause it to fall or break which may result in
personal injury and/or property damage. In addi-
tion, the object it self may fall of and cause injury
and/or damage.
• Make sure that the volume control is set to mini-
mum position before power is switched on, Loud
noise produced at high volume when is power is
switched on can impair hearing.
• Switch OFF the unit’s power before turning the
phantom power switch ON or OFF. Operating the
switch without switching OFF the main power
could resulting a large transient noise thought the
speakers, potentially resulting in speaker failure.
• Avoid using phantom power when connecting an
unbalanced microphone to the MIC 1 input, as the
microphone fails.
Over 10 cm Over 10 cm
Over 10 cm
• High durability, high reliability and high performance.
• When moving the unit, be sure to remove its
power supply cord from the wall outlet. Moving
the unit with the power cord connected to the
outlet may cause damage to the power cord,
resulting in fire or electric shock. When
removing the power cord, be sure to hold its plug
to pull.
• Do not block the ventilation slots in the unit’s
cover. Doing so may cause heat to build up inside
the unit and result in fire. Also periodically clean
the ventilation slots of dust.
• Avoid installing the unit in humid or dusty location,
in location exposed to direct sunlight, near the
heaters, or in location generating sooty smoke or
steam as doing otherwise may result in fire or
electric shock.
• To avoid electric shocks, be sure to switch off the
unit’s power when connecting speaker.
• Be sure to follow the instructions below when rack
mounting the unit. Failure to do so may cause a
fire of personal injury.
• Install the equipment rack on a stable, hard floor.
Fix it with anchor bolts or take other arrangements
to prevent it from falling down.
• When connect the unit’s power cord to an AC
outlet, use the AC outlet with current capacity
allowable to the unit.
• Rack-mounting screws are not supplied with the
unit. Prepare them that are appropriate for the
equipment rack.
• MIC 1 with phantom power for condenser microphone.
• Do not operate the unit for an extended period of
time with the sound distorting. Doing so may
cause the connected speakers to heat, resulting in
a fire.
• Contact your TOA dealer as to the cleaning. If dust
is allowed to accumulate in the unit over a long
period of time, a fire or damage to the unit may
result.
• If dust accumulates on the power supply plug or in
the wall AC outlet, a fire may result. Clean it
periodically. In addition, insert the plug in the wall
outlet securely.
• Switch off the power, and unplug the power supply
plug from the AC outlet for safety purposes when
cleaning or leaving the unit unused for 10 days or
more. Doing otherwise may cause a fire or electric
shock.