
1
SNVU589–December 2017
Submit Documentation Feedback Copyright © 2017, Texas Instruments Incorporated
TPS53119EVM-690 User Guide
User's Guide
SNVU589–December 2017
TPS53119EVM-690 User Guide
The TPS53119EVM-690 evaluation module allows users to evaluate the Texas Instruments TPS53119, a
small-sized, single, buck controller with adaptive on-time D-CAP™ mode control. Included in this
document are operating and testing descriptions as well as the EVM schematic, bill of materials, and
board layout.
Contents
1 Introduction ................................................................................................................... 3
2 Description.................................................................................................................... 3
2.1 Typical Applications ................................................................................................ 3
2.2 Features.............................................................................................................. 3
3 Electrical Performance Specifications..................................................................................... 4
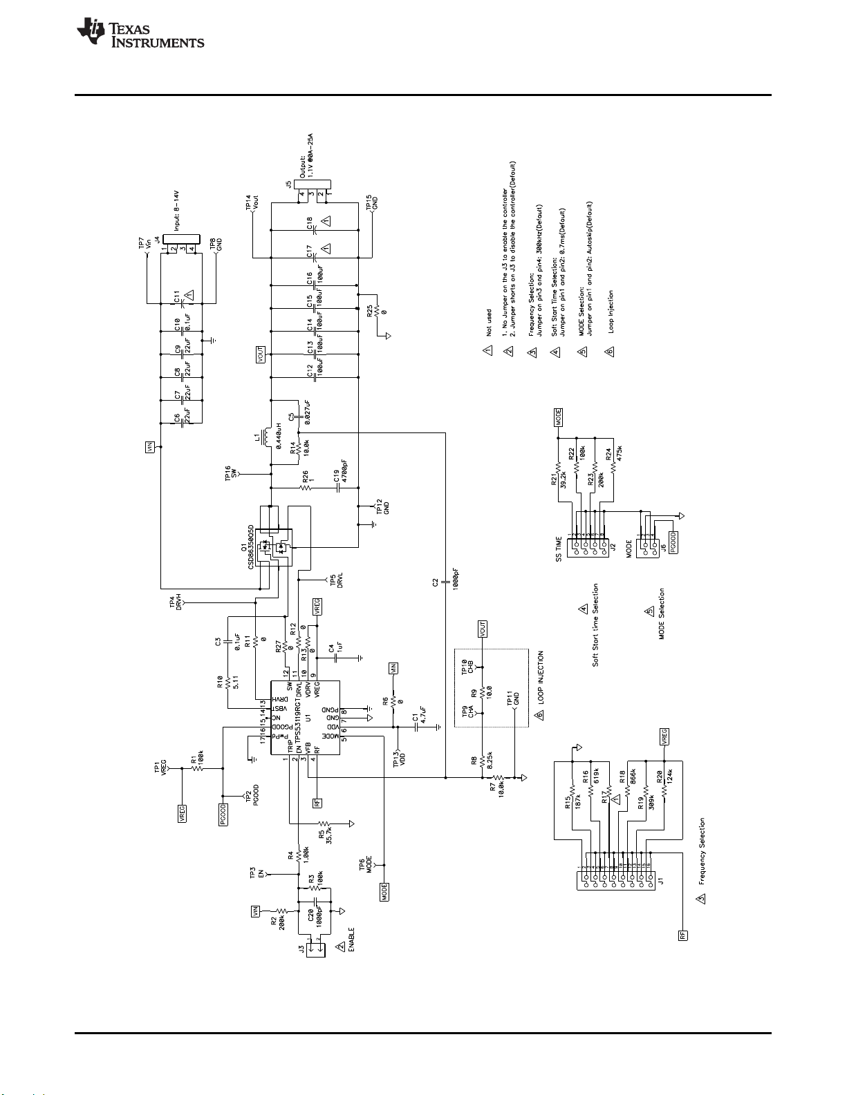
4 Schematic..................................................................................................................... 5
5 Test Setup .................................................................................................................... 6
5.1 Test Equipment ..................................................................................................... 6
5.2 Recommended Test Setup........................................................................................ 7
6 Configurations................................................................................................................ 7
6.1 Switching Frequency Selection .................................................................................. 7
6.2 Soft-Start Selection................................................................................................. 8
6.3 Mode Selection...................................................................................................... 8
6.4 Enable Selection.................................................................................................... 8
7 Test Procedure............................................................................................................... 9
7.1 Line/Load Regulation and Efficiency Measurement Procedure .............................................. 9
7.2 Control Loop Gain and Phase Measurement Procedure...................................................... 9
7.3 List of Test Points ................................................................................................. 10
7.4 Equipment Shutdown............................................................................................. 10
8 Performance Data and Typical Characteristic Curves................................................................. 11
8.1 Efficiency ........................................................................................................... 11
8.2 Load Regulation................................................................................................... 11
8.3 Output Transient................................................................................................... 12
8.4 Output Ripple ...................................................................................................... 13
8.5 Switching Node.................................................................................................... 13
8.6 Enable Turnon/Turnoff............................................................................................ 14
8.7 Output 1.1-V Prebias Turnon .................................................................................... 15
8.8 Bode Plot........................................................................................................... 15
8.9 Thermal Image..................................................................................................... 16
9 EVM Assembly Drawing and PCB Layout .............................................................................. 17
10 Bill of Materials ............................................................................................................. 21
List of Figures
1 TPS53119EVM-690 Schematic............................................................................................ 5
2 Tip and Barrel Measurement for Vout Ripple............................................................................ 6
3 TPS53119EVM-690 Recommended Test Setup ........................................................................ 7
4 Efficiency .................................................................................................................... 11
5 Load Regulation............................................................................................................ 11
6 Output Load Transient..................................................................................................... 12
7 Output Load Transient..................................................................................................... 12