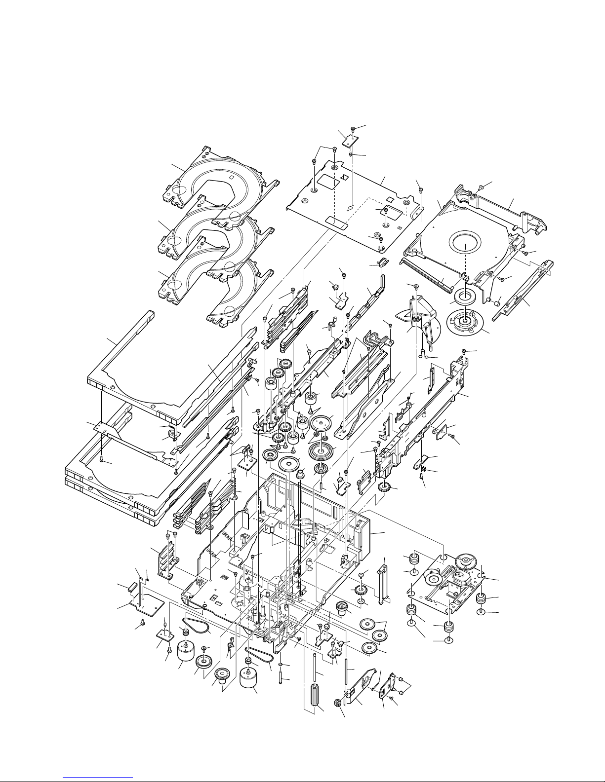
MAIN PCB ASSY (GATHER)
REF.NO. PARTSNO. DESCRIPTION
9A09426300 MAINPCBASSY[US,C]
9A09426310 MAINPCBASSY[E,UK]
9A09427500 PCB,MAIN+SUB
MAIN PCB ASSY
REF.NO. PARTSNO. DESCRIPTION
CN12 9A09256300 WAFER,CARDCABLE
CN13 9A08220300 WAFER,CARDCABLE
CN14 9A05331000 WAFER,MOLEX53014‑1210
CN15 9A05329700 WAFER,MOLEX53014‑0610
D101 9A01390500 DIODE,1N4148MT
D103‑D107 9A01390500 DIODE,1N4148MT
D201,D202 9A08869600 DIODE,ZENERUZ5.6BSCT
D203 9A08869700 DIODE,ZENERUZ3.6BSBT
D204 9A08869800 DIODE,ZENERUZ4.3BSBT
D205 9A01390500 DIODE,1N4148MT
IC10,IC11£9A08788600 IC,TA7291S
IC12£9A08788400 IC,TA2092N
IC13 9A09427600 IC,TA2153FN
IC14 9A08788700 IC,TC9462F
IC15,IC16£9A07871100 IC,NJM7805FA
IC51,IC52 9A07343300 IC,NJM2068MD‑TE1
IC86£9A06883400 IC,KA78L05AZTA
JK11 9A06869700 JACK,BOARD
JK12 9A06242200 JACK,BOARD
JK13,JK14 9A06239100 MODULE,OPTICAL
L101 9A05356900 COIL,10UHK
Q101,Q102 9A05895900 TR,KTA1266YT
Q103 9A08791100 TR,KRC107M
Q104,Q105 9A05197500 TR,KTD1302T
Q106 9A08869900 TR,KRA104M
Q107 9A08791100 TR,KRC107M
Q201,Q202 9A08791100 TR,KRC107M
Q411,Q412 9A05197500 TR,KTD1302T
Q701 9A08791100 TR,KRC107M
Q702 9A08869900 TR,KRA104M
Q703,Q704 9A05939600 TR,KTC3227Y
SW10 9A06675300 SW,SLIDE
X301 9A04275700 CRYSTAL,16.9344MHZ
FRONT PCB ASSY
REF.NO. PARTSNO. DESCRIPTION
BK01,BK02 9A07290000 BRACKET,FLT
CB12 9A09256300 WAFER,CARDCABLE
CN16 9A08870000 WAFER,CARDCABLE15P
D401‑D403 9A01390500 DIODE,1N4148MT
D404 9A08147300 LED,SLR342VCTB7(RED)
D405,D406 9A01390500 DIODE,1N4148MT
F401 9A08868000 FIP
IC41 9A09452500 IC,TMP87PMF
Q401 9A08869900 TR,KRA104M
Q402‑Q404 9A08791100 TR,KRC107M
RC41 9A06757900 SENSOR,REMOCON
S401‑S413 9A06671200 SW,TACTEVQ21505R
X101 9A05193000 CRYSTAL
POWER PCB ASSY
REF.NO. PARTSNO. DESCRIPTION
9A05333500 HEATSINK
9A05328200 HOLDER,FUSE
C802,C803£9A06226700 C,ELECT1000UF/25V
C810£9A05976300 C,ELECT2200UF/35V
C820£9A06694600 C,ELECT47UF/50V
CN81 9A06674400 WAFER
D801‑D806£9A05194700 DIODE,1N4003ST
D809 9A05194100 DIODE,ZENERMTZJ6.8BT
D810£9A05194700 DIODE,1N4003ST
ET81 9A05961500 PLATE,EARTH
ET82 9A07308700 BRACKET,PCB
IC81£9A06868000 IC,NJM7808FA
IC82£9A09260500 IC,KA79L08AZT
IC83£9A05218300 IC,KA7808‑ABTU
IC84£9A08790800 IC,KA78R08
IC85£9A09427700 IC,KA79L24AZT
R803£9A06317800 R,FUSE12AJ270H
R806,R807£9A05338300 R,FUSE12AJR47H
T801£9A09427400 POWERTRANSFORMER[US,C]
T801£9A09427410 POWERTRANSFORMER[E,UK]
−9−