
LDM-1000
LVDT/RVDT Signal Conditioning Module
TE CONNECTIVITY SENSORS /// LDM-1000 OPERATION MANUAL P/N 09290100-000 REV. C 05/2016
7. Calibration Procedure
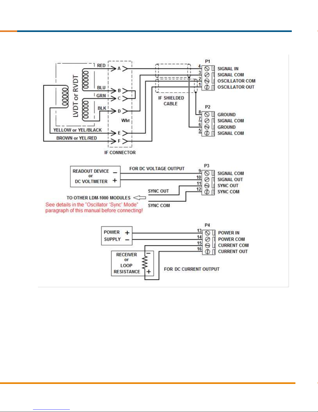
Using the P1 and P2 terminal blocks according to the “Connection Diagrams” section of this manual, connect the LVDT or RVDT,
a DC voltmeter, and a power supply (see “Supply Voltage” under the “Initial Setup Procedure” section of this manual) to the
LDM-1000. Turn the power on and allow a 15 minute warm-up. Follow the procedure below:
1. Disconnect the LVDT/RVDT primary wire from Terminal 1 of P1.
2. Adjust the ZERO potentiometer on the front panel until:
the DC voltage output between terminals 9 (SIGNAL COM) and 10 (SIGNAL OUT), or
the DC current between terminals 15 (CURRENT COM) and 16 (CURRENT OUT)
reads in the middle of the range (see “Internal Switches” under the “Initial Setup Procedure” section of this manual for
output DC voltage range selection).
Note: The middle of the range is as follows:
0.0 VDC mid-range reading for ± 5 VDC Output
2.5 VDC mid-range reading for 0 to +5 VDC output
5.0 VDC mid-range reading for 0 to +10 VDC output
12.0mA mid-range reading for 4 to 20mA output
2. Reconnect the LVDT/RVDT primary wire to Terminal 1 or P1. Insert the LVDT core into the middle of the bore, or rotate
the RVDT shaft to the approximate center of the mechanical range, until the output reads as close to the mid-range DC
voltage or current as possible (see mid-range readings in Step 2. above). If this adjustment is mechanically difficult or
impractical, approximate the correct position as closely as possible, and then adjust the ZERO potentiometer until the
output reads the middle of the range (see mid-range readings in Step 2. above).
Note: Changing course gain settings (DIP switches) after this step may result in a zero shift. Should you find it necessary
to change the gain, you should repeat steps 1 through 3.
3. Displace the core of the LVDT or rotate the RVDT shaft in a positive direction (increasing DC voltage between terminals
9 and 10 or increasing DC current between 15 and 16) to approximately 80% of the full scale position you used in your
calculation in “Setting the Amplifier Gain”.
4. Adjust the front panel PHASE potentiometer in the direction that increases the DC output signal until the maximum
output is reached; if the output does not peak and the PHASE potentiometer is at the end of its adjustment range, leave
it there and continue the calibration procedure.
Note: If during the phase adjustment the output exceeds the maximum limit of the selected range, reduce the output
back to a 70-80% level by adjusting the front panel SPAN potentiometer, then continue with the phase adjust operation.
5. Return the LVDT core or the RVDT shaft back to the original center position. If the exact same mid-range DC output
as in Step 2 above is not observed, slightly re-adjust of the ZERO potentiometer.
6. Using a precision positioning device, displace the LVDT core or rotate the RVDT shaft in a positive direction to the full
scale position used in your calculation.
Note: The calibration can be made over a percentage of full scale by moving the core xx% of full scale and adjusting
the output for the same percentage.
7. Adjust the front panel SPAN potentiometer for the required positive full scale DC output (usually the maximum output
limit of the selected range, in Step 2 above).
Note: If the required full-scale reading cannot be obtained by adjusting the SPAN potentiometer, the gain of the signal
conditioner can be reset by changing the internal switches (see the “Setting the Amplifier Gain” section): If the SPAN
potentiometer is fully counter clockwise, change to the next higher gain. If the SPAN potentiometer is fully clockwise,
change to the next lower gain.
8. Return the LVDT core or the RVDT shaft back to the original center position and re-check the output reading (should
be the same mid-range reading as in Step 2 above). If needed, use the ZERO potentiometer to make a small
adjustment.
9. Displace the LVDT core or rotate the RVDT shaft to the negative full scale position (lowest output DC voltage or current);
it should match the minimum reading for the range selected in Step 2 above. If needed, use the SPAN potentiometer
to make a small adjustment
Note: Due to symmetry errors of all LVDTs and RVDTs, the exact minimum and maximum output readings are rarely
obtained.