Notes: 1) ,Q FDVH UHVSRQVH WLPH VHWWLQJ ³ ´LVVHWWR³ ´³ ´RU³ ´
WKHGLVSOD\IRU LQFLGHQW OLJKW LQWHQVLW\ FDQ VKRZVWKHGLJLWRIPD[,QFDVH
³ ´LVVHOHFWHG,WZLOOGLVSOD\WKHGLJLWRIPD[$QG,QFDVH³ ´RU
³ ´LVVHOHFWHGLWZLOOGLVSOD\WKHGLJLWRIPD[
2) Set timer period after setting timer range since timer period depends on the timer
range.
,QFDVHWKHUHVSRQVHWLPH³ ´LVVHWWR³ ´³ ´RU³ ´WKHPD[L-
PXPOLJKWLQWHQVLW\FDQEHVHWWR$QGWKHUHVSRQVHWLPHLVVHWWR³ ´WKH
PD[LPXPOLJKWLQWHQVLW\FDQEHVHWWR$QGWKHUHVSRQVHWLPHLVVHWWR³
´RU³ ´WKHPD[LPXPOLJKWLQWHQVLW\FDQEHVHWWR
,QFDVHWKHUHVSRQVHWLPHVHWWLQJ³ ´LVVHWWR³ ´ZKHQWKHK\VWHUHVLVVHW-
WLQJ³ ´LV³ ´WKHHPLWWLQJSRZHUEHFRPHVORZVHQVLELOLW\³ ´ZKLFK-
ever selecting
³ ´
³ ´RU³ ´
5) In order to clear the value, set the time period holding function to OFF once. Turn-
ing the power OFF can also clear the value.
6)
,QFDVHWKHUHVSRQVHWLPHVHWWLQJ³ ´LVVHWWR³ ´³ ´RU³ ´WDUJHW
VHWWLQJRIWKHGLVSOD\DGMXVWPHQWVHWWLQJEDQEHVHWIURPWR$QGVHWWLQJWR
³ ´WKHGLVSOD\DGMXVWPHQWVHWWLQJEDQEHVHWIURPWR$QGVHWWLQJWR³
´RU³ ´WKHGLVSOD\DGMXVWPHQWVHWWLQJFDQEHVHWIURPWR
6HW6HQVLQJRXWSXWVHWWLQJDIWHUVHWWLQJ,QSXWRXWSXWVHWWLQJ
,QFDVHXVLQJLQGLIIHUHQWLDOPRGHVHWWKUHVKROGYDOXHRUPRUH
when the hyster-
HVLVVHWWLQJ³ ´LV³ ´DQG
VHWWKUHVKROGYDOXHRUPRUH
when the hyster-
HVLVVHWWLQJ³ ´LV³ ´RU³ ´
.
Item Default
setting Description
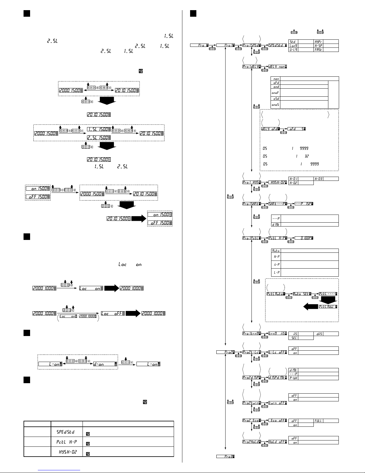
5HVSRQVHWLPHVHWWLQJ
Set response time.
Timer setting Set operation and period of the timer.
Hysteresis
setting
Hysteresis can be set when the normal mode or the
window comparator mode is selected.
:KHQVHWWLQJWR³ ´LWEHFRPHVORZVHQVLELOLW\
Shift amount
setting Set shift amount of threshold value in limit teaching.
Emission power
setting
Set emission power.
³ ´ Saturated incident light intensity can be au-
WRPDWLFDOO\DGMXVWHG
³ ´ High emission power (25 to 100%)
³ ´ Middle emission power (25 to 100%)
³ ´ Low emission power (25 to 100%)
Timer range setting
Change unit time of timer.
Teaching lock
setting
Be able to prevent from wrong operation of teaching.
³ ´ Teaching mode is valid
³ ´ Teaching mode is invalid
Digital display
item setting
Incident light intensity can be displayed in percentage or
the peak / bottom value can be displayed on the digital
display (red).
Digital display
turning on setting
Sets the viewing orientation of the digital display.
ECO setting
Power consumption can be lowered.
³ ´(&22))
³ ´,IDQ\NH\RSHUDWLRQLVQRWFDUULHGRXWIRU
VHFLQ581PRGHWKHGLJLWDOGLVSOD\WXUQV
OFF.
³ ´
If key operation is not done in 20 sec. or setting
WKHNH\ORFNIXQFWLRQLQ5XQPRGHDOOLQGLFD-
tors turns OFF.
Period hold
Setting
³ ´3HDN ERWWRP YDOXHLQ WKH GLJLWDOGLVSOD\
refreshing condition can be displayed.
³ ´3HDN ERWWRP YDOXHLQ WKHKROG FRQGLWLRQ
can be displayed.
Data bank loading
/RDGDVHWWLQJIURPVSHFL¿HGGDWDEDQN
Data bank saving
6DYHDVHWWLQJWRVSHFL¿HGGDWDEDQN
Back up
setting
Select to save or not to save the threshold value by
WHDFKLQJLQ((3520
Input / output
setting 6HOHFWHLWKHUVHQVLQJRXWSXWRUH[WHUQDORXWSXW
Copy setting
-
Using optical communications, be able to copy setting
FRQWHQWVLQPDLQDPSOL¿HUWRDOORIWKHVXEDPSOL¿HUV
FRQQHFWHGIURPWKHPDLQDPSOL¿HU
This product cannot send and receive threshold value.
)RUWKHRSWLFDOFRPPXQLFDWLRQVUHIHUWR³ OPTI-
CAL COMMUNICATIONS´
Item Default
setting Description
Copy action
setting
&RS\RILWHPVLQGLVSOD\DGMXVWPHQWVHWWLQJDQG LQFLGHQW OLJKW LQ-
tensity are conducted or canceled by using optical communication.
In case incident light intensity does not have enough
margin, automatically set optimum value.
)RUWKHRSWLFDOFRPPXQLFDWLRQVUHIHUWR³ OPTICAL
COMMUNICATIONS´
³ ´ 'LVSOD\DGMXVWPHQWRIPDLQDPSOL¿HU DQG
VXEDPSOL¿HUVFDQEHFRQGXFWHG
6HWWRWKHWDUJHWYDOXHRIGLVSOD\DGMXVW-
PHQWLQHDFKDPSOL¿HU
³ ´
,QFLGHQWOLJKWLQWHQVLW\RIPDLQDPSOL¿HUFDQ
EHFRSLHGWRVXEDPSOL¿HU+RZHYHUZKHQ
WKHGLIIHUHQFHEHWZHHQ PDLQ DPSOL¿HU DQG
VXEDPSOL¿HULVELJLWZLOOQRWEHFRSLHG
³ ´
'LVSOD\DGMXVWPHQWRIVXEDPSOL¿HUFDQEHVHWWR2))
'LVSOD\DGMXVWPHQWRIPDLQDPSOL¿HULVQRWVHWWR2))
Do not press down the SET key many times in display
RI³ ´:KHQ³ ´LVQRWGLVSOD\HGLQFRQ-
¿UPDWLRQDOVRGRQRWSUHVVGRZQVHWNH\PDQ\WLPHV
Copy lock
setting
When conducting the setting of copy setting or data bank load-
LQJVDYLQJIURPWKHPDLQDPSOL¿HUYLDRSWLFDOFRPPXQLFDWLRQV
LWLVSRVVLEOHWKDWRQO\WKHVXEDPSOL¿HUZKLFKLV VHW WR FRS\
ORFN21³ ´GRHVQRWUHFHLYHWKHVHWFRQWHQWV
+RZHYHUHYHQLIFRS\ORFNRQ³ ´LVVHWWKHFRS\
action setting is communicated.
Communication
protocol setting
When conducting the copy setting or setting of data bank
ORDGLQJVDYLQJIURPWKHPDLQDPSOL¿HUYLDRSWLFDOFRPPXQL-
FDWLRQVWKHRSWLFDOFRPPXQLFDWLRQVWKURXJKDVXEDPSOL¿HU
ZKLFKLVVHWWRFRPPXQLFDWLRQHPLVVLRQKDOW³ ´
DQGWKHIROORZLQJVXEDPSOL¿HUVFDQEHKDOWHG
([WHUQDOLQSXW
setting 6HWH[WHUQDOLQSXW
Code setting
&RQVLVWHQWVHWWLQJFDQEHGRQHE\LQSXWWLQJGLJLW
code instead of independent setting.
,QDGGLWLRQSUHVHQWVHWWLQJFDQEHFRQ¿UPHG
'LVSOD\DGMXVW-
ment setting
Set incident light intensity to target value.
,IFRQGXFWLQJGLVSOD\DGMXVWPHQWVHWWLQJZKHQLQFLGHQWOLJKW
LQWHQVLW\GRHVQRWKDYHHQRXJKPDUJLQ³ ´LVEOLQNHG
³ ´ 'LVSOD\DGMXVWPHQW2))
³ ´ 6OLGHWRVPDOOHUVLGHLQFLGHQWOLJKWLQWHQ-
sity from the set of target setting.
³ ´
Set incident light intensity to value you want.
,QFDVHVHWWLQJWRDGMXVWPHQWVHWWR
5HVHWVHWWLQJ
-
,IVHWWLQJWR³ ´UHWXUQVWRGHIDXOWVHWWLQJVIDFWRU\VHWWLQJV
CUSTOM setting
Select an item in CUSTOM mode to display.
Interference pre-
vention setting
Number of adherence mounting of sensor head depends
on response time of interference prevention function.
)RUGHWDLOUHIHU³ INTERFERENCE PREVENTION FUNCTION."
³ ´
Set when using the interference prevention
IXQFWLRQE\RSWLFDOFRPPXQLFDWLRQ0D[LPXP
adherence mounting of sensor head is 12 units
³ ´
Set when using interference prevention
function by changing emitting frequency.
7KHPD[LPXPDGKHUHQFHPRXQWLQJby set-
WLQJW\SHVRIHPLVVLRQIUHTXHQF\LVXQLWV
Sensing output
mode
Set sensing output 1 mode and sensing output 2 mode.
³ ´1RUPDOPRGH
Sets a threshold value for ON / OFF operation.
³ ´:LQGRZFRPSDUDWRUPRGH
([FHSWVHQVLQJRXWSXW
6HWVWZRWKUHVKROGYDOXHVDQGMXGJHVWKH\DUHZLWKLQWKHUHTXLUHG
UDQJHRUQRW7KLVFDQEHVHOHFWHGLQSRLQWWHDFKLQJ
³ ´5LVLQJGLIIHUHQWLDOPRGH
Only drastic rises in incident light intensity are detected.
³ ´7UDLOLQJGLIIHUHQWLDOPRGH
Only drastic drops in incident light intensity are detected.
³ ´+\VWHUHVLVPRGH
Changes hysteresis to ignore small change of inci-
dent light intensity.
7KLVFDQEHVHOHFWHGLQSRLQWWHDFKLQJ
³ ´6HOIGLDJQRVLVRXWSXWPRGH
([SHFWVHQVLQJRXWSXW
Conduct self diagnosis output
³ ´)RUFHG21RXWSXWPRGH
Sets forcibly the output to ON.
³ ´)RUFHG2))RXWSXWPRGH
Sets forcibly the output to OFF.
•
•
•
•
•
•
•
•
•
Logical
operation
setting
Select for logical operation and set logical operation methods
DQGRU[RU
³ ´
Logical operation is sensing output 2 of this device
and conduct logical operation between the sensing
output 2 and sensing output 1 of this device.
³ ´
Logical operation is sensing output 1 of an
XSSHUDGMDFHQWDPSOLILHUDQGFRQGXFWORJLFDO
operation between the sensing output and
sensing output 1 of this device.
³ ´/RJLFDORSHUDWLRQLVRXWHULQSXWDQGFRQGXFW
logical operation between the output and
sensing output 1 of this device.
Logical
operation
Sensing
output 1 of
this device
Setting of logical operations
and or [RU
ON ON ON ON OFF
ON OFF OFF ON ON
OFF ON OFF ON ON
OFF OFF OFF OFF OFF
6HWWLQJRIWKUHVKROGYDOXHWUDFNLQJ!
Threshold tracking is OFF
Select threshold tracking cycle in the
UDQJHRIWRVHF
Tracks threshold when the output is OFF
Tracks threshold when the output is ON
1RWVWRUHGLQ((3520
Select the cycle of storage in EE-
3520LQWKHUDQJHRIWRWLPHV
Limit teaching
Auto teaching
352!
352!
Sensing
output setting
Setting of
threshold
value tracking
Setting of
threshold
tracking cycle
Storage
cycle setting
(OFF)
(OFF)
(OFF)
Algorithm
setting
Limit
teaching
Logic opera-
tion setting