
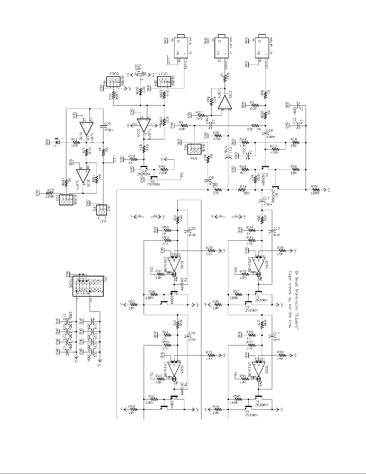
Suiseki Parts List for version 1
Qty Value Package RefDes Description Vendor No. Digikey Part No.
Capacitors (C3, C6, C17 and C22 designators are not used)
4 6800pF radial 5mm C13, C14, C23, C24 6800pF 50V film 5% B32529C1682J289 495-4894-1-ND
2 100nF radial 5mm C8, C10 0.1 uF 63V film 5% R82DC3100AA50J 399-5863-ND
7 100nF radial 5mm C1, C2, C7, C15, C16, 0.1 uF 50V X7R ceramic C322C104K5R5TA 399-4329-ND
4 470nF radial 5mm C9, C11, C12, C25 0.47 uF 63V film 5% R82DC3470Z360J 399-9690-ND
C20, C21
2 22uF radial 2.5mm C4, C5 22 uF, 50V alum 2.5mm EEU-FC1H220H P19653CT-ND
2 100uF radial 2.5mm C18, C19 100 uF, 35V alum, 2.5mm ECA-1V 101 P5165-ND
Resistors and potentiometers (may use all 1% if desired)
2 100R axial R25, R29 100 Ohm 1/4W 5% carbon CFR-25JB-52-100R 100QBK-ND
7 1K axial R9, R12, R23, R34, R49, 1K 1/4W 5% carbon film CFR-25JB-52-1K 1.0KQBK-ND
R55, R61
1 1K5 axial R11 1.5K 1/4W 5% carbon film CFR-25JB-52-1K5 1.5KQBK-ND
3 4K7 axial R6, R19, R30 4.7K 1/4W 5% carbon film CFR-25JB-52-4K7 4.7KQBK-ND
1 6K8 axial R2 6.8K 1/4W 5% carbon film CFR-25JB-52-6K8 6.8KQBK-ND
1 7K5 axial R17 7.5K 1/4W 5% carbon film CFR-25JB-52-7K5 7.5KQBK-ND
11 10K axial R5, R35, R36, R43, R45, R46, 10K 1/4W 5% carbon film CFR-25JB-52-10K 10KQBK-ND
R51, R52, R57, R58, R63
5* 15K axial R18, R21, R28, R38, R39 15K 1/4W 5% carbon film CFR-25JB-52-15K 15KQBK-ND
* - R21, R28, R38, R39 are optional, see notes
1 22K axial R4 22K 1/4W 5% carbon film CFR-25JB-52-22K 22KQBK-ND
8 27K axial R7, R33, R47, R48, R53, 27K 1/4W 5% carbon film CFR-25JB-52-27K 27KQBK-ND
R54, R59, R60
2 30K axial R24, R31 30K 1/4W 5% carbon film CFR-25JB-52-30K 30KQBK-ND
1 47K axial R10 47K 1/4W 5% carbon film CFR-25JB-52-47K 47KQBK-ND
2 56K axial R1, R26 56K 1/4W 5% carbon film CFR-25JB-52-56K 56KQBK-ND
1 82K axial R15 82K 1/4W 5% carbon film CFR-25JB-52-82K 82KQBK-ND
10 100K axial R3, R8, R14, R16, R32, 100K 1/4W 5% carbon film CFR-25JB-52-100K 100KQBK-ND
R37, R41, R50, R56, R62
1 220K axial R40 220K 1/4W 5% carbon film CFR-25JB-52-220K 220KQBK-ND
1 330K axial R22 330K 1/4W 5% carbon film CFR-25JB-52-330K 330KQBK-ND
2 470K axial R13, R20 470K 1/4W 5% carbon film CFR-25JB-52-470K 470KQBK-ND
Potentiometers are Alpha 9mm right-angle PC mount types from Thonk, Small Bear, Erthenvar, etc.
1 B10K 9mm R/A VR2 10K linear 9mm R/A PC mnt Erthenvar 9mm B10K
3 B100K 9mm R/A VR1, VR3, VR4 100K linear 9mm R/A PC mnt Erthenvar 9mm B100K
1 10K 3362 trimmer R27 10K linear trimpot 3362 series 3362P-1-103LF 3362P-103LF-ND
Semiconductors
1 TL074P quad opamp IC3 Quad JFET op-amp, PDIP14 TL074CN 296-1777-5-ND
2 L 13700 dual OTA IC5, IC6 Dual OTA, PDIP16 L 13700N L 13700N-ND
2 2N3906 PNP TO-92 Q1, Q2 PNP transistor TO-92 2N3906BU 2N3906FS-ND
10 2N3904 NPN TO-92 T1, T2, T3, T4, T5, NPN transistor TO-92 2N3904BU 2N3904FS-ND
T6, T7, T8, T9, T10
1 Bicolor LED 3mm I1 3mm red/green 2-lead LTL-14CHJ 160-1058-ND
Headers and connectors, jacks from Erthenvar, Thonk and other CUI vendors
3 3.5mm R/A PC jack J1, J2, J3 CUI-3536 jack Erthenvar 3536
1 2x5 shrouded header JP1 On Shore Technology 2x5 302-S101 ED1543-ND
1* 2x8 shrouded header JP1 On Shore Technology 2x8 302-S161 ED10523-ND
* - Only need one header for JP1, user choice of 2x5 or 2x8 for euro power
1 1x2 friction header JP2 TE Connectivity 1x2 640456-2 A1921-ND
isc.
1 Panel PCB (included)
4 knobs for 6mm shaft, recommend Erthenvar “mini fluted knob”