
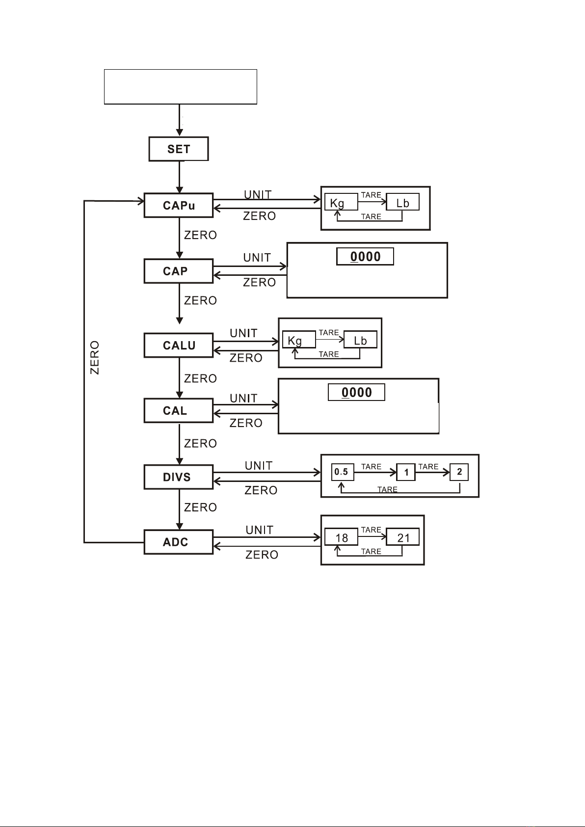
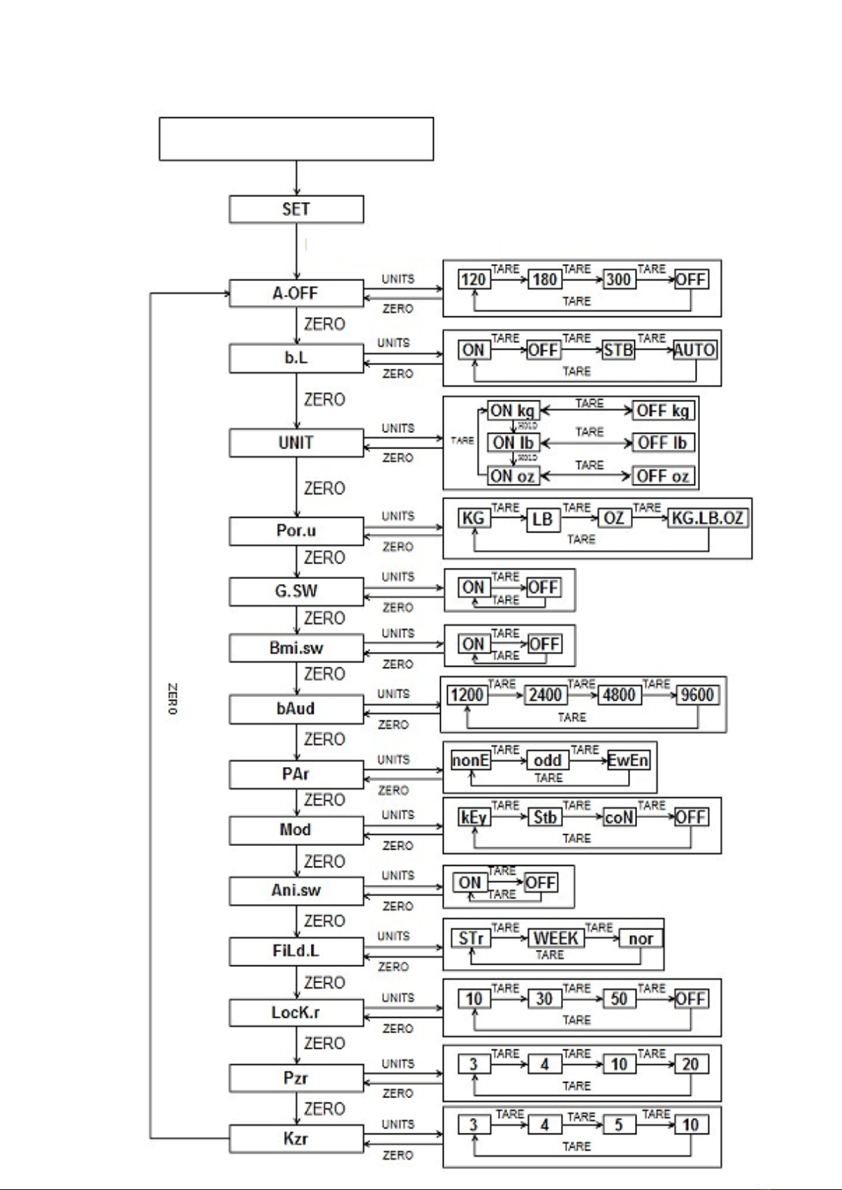
ACHTUNG! Die Abbildungen in dieser Bedienungsanleitung dienen nur der Veranschaulichung
und können in einigen Details vom tatsächlichen Aussehen des Produkts abweichen.
2. Anwendungssicherheit
Lesen Sie alle Sicherheitshinweise und Anweisungen. Die Nichtbeachtung der
Warnhinweise und Anweisungen kann zu einem elektrischen Schlag, Brand und/oder
schweren Verletzungen oder zum Tod führen.
Der Begriff "Gerät" oder "Produkt" in den Warnhinweisen und in der Beschreibung der Gebrauchsanweisung
bezieht sich auf
Wandwaage
2.1. Elektrische Sicherheit
a) Der Netzstecker des Geräts muss für die benutzte Netzsteckdose ausgelegt sein. Nehmen Sie am Stecker
keinerlei Modifikationen vor. Originalstecker und passende Steckdosen vermindern das Risiko eines
Stromschlags.
b) Berühren Sie das Gerät niemals mit nassen oder feuchten Händen.
c) Das Netzkabel darf nicht zweckentfremdet verwendet werden. Benutzen Sie das Kabel nicht, um das
Gerät zu transportieren oder den Stecker herauszuziehen. Halten Sie das Kabel von Wärmequellen, Öl,
scharfen Kanten oder beweglichen Teilen fern. Beschädigte oder verwickelte Kabel erhöhen das Risiko
eines Stromschlags.
d) Lässt sich der Einsatz des Gerätes in feuchter Umgebung nicht vermeiden, muss eine Fehlerstrom-
Schutzeinrichtung (RCD) verwendet werden. Die Verwendung von RCD verringert das Risiko eines
Stromschlags.
e) Es ist verboten, das Gerät zu benutzen, wenn das Netzkabel beschädigt ist oder sichtbare
Verbrauchsspuren aufweist. Ein beschädigtes Netzkabel sollte von einem qualifizierten Elektriker oder
vom Kundendienst des Herstellers ersetzt werden.
f) Tauchen Sie Kabel, Stecker bzw. das Gerät nicht in Wasser oder andere Flüssigkeiten, um einen
Stromschlag zu vermeiden. Verwenden Sie das Gerät nicht auf nassen Oberflächen.
g) VORSICHT – LEBENSGEFAHR! Tauchen Sie das Gerät beim Reinigen oder Verwenden niemals in Wasser
oder andere Flüssigkeiten.
2.2. Sicherheit am Arbeitsplatz
a) Halten Sie den Arbeitsbereich aufgeräumt und gut beleuchtet. Unordnung oder schlechte Beleuchtung
kann zu Unfällen führen. Seien Sie vorausschauend, achten Sie darauf, was Sie tun, und nutzen Sie Ihren
gesunden Menschenverstand, wenn Sie das Gerät benutzen.
b) Wenn Sie Zweifel an der Funktionstüchtigkeit des Produkts haben oder wenn es beschädigt ist, wenden
Sie sich bitte an den Kundendienst des Herstellers.
c) Reparaturen dürfen nur vom Kundendienst des Herstellers durchgeführt werden. Keine Reparaturen in
Eigenregie durchführen!
d) Verwenden Sie im Falle einer Entzündung oder eines Brandes nur Pulver- oder Schneelöscher (CO2), um
das unter Spannung stehende Gerät zu löschen.
e) Bewahren Sie die Gebrauchsanweisung zum späteren Nachschlagen auf. Soll das Gerät an Dritte
weitergegeben werden, muss auch die Gebrauchsanweisung mit übergeben werden.
f) Bewahren Sie Verpackungsteile und kleine Montageteile außerhalb der Reichweite von Kindern auf.
Schützen Sie Kinder und herumstehende Personen während Sie die
Maschine bedienen.
2.3. Eigenschutz
a) Das Gerät ist nicht dafür bestimmt, durch Personen (einschließlich Kinder) mit eingeschränkten
geistigen, sensorischen oder intellektuellen Fähigkeiten oder durch Personen mit mangelnder Erfahrung
und/oder mangelndem Wissen benutzt zu werden, es sei denn, sie werden durch eine für ihre Sicherheit
zuständige Person beaufsichtigt oder erhielten von ihr Anweisungen, wie das Gerät zu benutzen ist.